Защитные автоматы: устройство и принцип работы
Перед тем, как рассмотреть порядок подключения защитных автоматов в электрическом щитке, разберемся, как они устроены и по какому принципу происходит их срабатывание.
В состав изделия входят такие элементы:
- Корпус.
- Система управления.
- Верхние и нижние клеммы.
- Устройство коммутации.
- Дугогасительная камера.
В качестве материала для изготовления корпусной части и системы управления используется пластмасса, устойчивая к возгоранию. В составе устройства коммутации имеются подвижные контакты, а также неподвижные.
На паре контактов, являющихся полюсом пакетника, установлена дугогасительная камера. При разрыве контактов под нагрузкой возникает электрическая дуга, которая гасится камерой. Последняя состоит из стальных пластин, изолированных меж собой и находящихся на одинаковом расстоянии. Пластины камеры способствуют охлаждению и угасанию электрической дуги, которая появляется при неисправностях. Автоматы могут иметь одну, две или четыре пары контактов.
У двухполюсных автоматов имеется две пары контактов: одна – подвижная, вторая – неподвижная.
Наглядно принцип работы автоматических выключателей на видео:
Схема подключения
Перед установкой УЗО необходимо изучить схему его подключения. Часть схемы подключения и графического изображения УЗО можно увидеть на чертеже.

На схемах установки УЗО изображается в виде переключателя с овалом и исходящей от него линией, соединяющейся с переключателем. Овал означает токовый трансформатор, через который проходит контролируемый проводник. Линия показывает, что ток, наводимый в трансформаторе, управляет размыканием переключателя.
В соответствии с ГОСТ 2 755-87 буквенное обозначение УЗО указывается над или справа от графического изображения элемента схемы. Как видно из рисунка, буквами QD обозначается УЗО, а ниже отображены его основные характеристики: тип, номинальный и отключающий токи.
Так изображается однофазное УЗО, трехфазное представляется совмещенным рисунком трех однофазных, с соответствующим буквенным пояснением.
На изображении схемы установки видно, что к УЗО подходят и выходят два проводника: фаза и ноль, земляной проходит мимо. Видно, что сначала стоит вводный автомат от коротких замыканий и перегрузок, потом электрический счётчик и лишь затем основное устройство защитного отключения. Судя по номиналу отключающего тока это противопожарное УЗО.
В последнее время, видимо, для повышения наглядности и привлечения клиентов, монтажная схема подключения УЗО в квартире стала изображаться с рисунками подключаемых устройств. По ним даже неквалифицированный работник может провести установку электрощита с устройствами автоматической защиты.

В квартире
 Разберем случай, когда установка аппаратуры защиты происходит в квартирном щитке. Некоторые строители при сдаче домов со свободной планировкой сдают жилье без разводки внутренней электросети. Это и понятно, неизвестно где будут стоять перегородки и, соответственно, розетки и освещение. Поэтому они вводят в квартиру только кабель.
Разберем случай, когда установка аппаратуры защиты происходит в квартирном щитке. Некоторые строители при сдаче домов со свободной планировкой сдают жилье без разводки внутренней электросети. Это и понятно, неизвестно где будут стоять перегородки и, соответственно, розетки и освещение. Поэтому они вводят в квартиру только кабель. 
На этажном электрощите находятся вводный автомат защиты и электросчетчик. Будущий владелец заключает с другим подрядчиком договор на внутренние электромонтажные работы. Схема проводки при этом будет меняться в зависимости от требований заказчика. От схемы и от нагрузок будет зависеть, какое УЗО установить. При желании любой мужчина самостоятельно может выполнить эти работы.
Будем считать, что проводка в квартире соответствует схеме установки защиты, представленной на предыдущем рисунке. Вводный автомат и счетчик находятся в этажном щите, а все остальные элементы расположим в квартирном боксе. Для этого в коридоре, рядом с местом ввода кабеля, надо установить электрощит. Последовательность работ при установке следующая:
- вводный автомат отключается. Вывешивается табличка «Не включать, работают люди»;
- к кабелю, который завели в квартиру, подключается розетка. Она понадобится для подключения рабочего инструмента и освещения;
- табличка снимается, автомат включается;
- в стене перфоратором сверлятся отверстия под крепеж бокса. Вставляются дюбели, и шурупами щиток прикрепляется к стене;
- после этого вставляется металлическая рейка и крепится к внутренней стенке бокса шурупами.
Затруднений быть не должно, если выполнять все действия последовательно и внимательно.
Варианты схем
Перед тем, как подключать УЗО без заземления, запомните важный совет! Схема обязательно должна включать в себя помимо устройств защитного отключения и обыкновенные автоматы.
Многие наивно полагают, что это одинаковые механизмы и служат для одной и той же цели. Главное, понять разницу в их работе. Автоматический выключатель – это защита для подающей сети напряжения. Он отключает повреждённый участок, если в нём возникли сверхтоки в результате короткого замыкания или перегруза. За счёт этого аварийная ситуация не распространяется на общую сеть, и она остаётся в исправном состоянии.
УЗО защищает только от токовых утечек, их величины очень малы в сравнении с токами КЗ. Поэтому если в сети возникает режим короткого замыкания или перегруза и при этом отсутствует автомат, УЗО не отреагирует. Нужно всегда устанавливать его в схему в паре с автоматическим выключателем.
Подключение УЗО без заземления может быть выполнено двумя способами.
Подключение на вход
При такой схеме устанавливается одно УЗО для обеспечения защиты одновременно всей квартирной проводки.
Из сети по вводному кабелю в распределительный щиток поступает напряжение и приходит на двухполюсный автомат. Затем в схеме устанавливается устройство защитного отключения. Далее монтируются автоматы отходящих присоединений. Все эти отходящие потребители одновременно защищаются одним УЗО, установленным на входе.
Плюс этой схемы в том, что используется только одно устройство защитного отключения, соответственно не требуются значительные материальные затраты. К тому же в распределительном щитке можно всё компактно разместить и он не будет больших размеров.
Но имеется и существенный недостаток. Представьте себе, что какой-то бытовой прибор в данный момент подключен к розетке и в нём происходит замыкание фазы на металлический корпус. УЗО на появившуюся токовую утечку реагирует и отключается. Прекращается подача напряжения на всю квартиру. Если в этот момент к розетке был подключен только один электроприбор, искать повреждение несложно. А если одновременно работало много бытовой техники? Мало того, что сразу с прекращением подачи напряжения перестал работать холодильник, завис кондиционер, остановилась программа в стиральной машине или хлебопечи, остались несохранённые документы на компьютере. Так ещё нужно будет отыскать, на какой именно технике замкнуло фазу, а это уже доставляет определённые трудности.
Поэтому прежде чем выбирать данную схему подсоединения УЗО, подумайте об удобстве её дальнейшей эксплуатации.
Подключение на входе и на отходящих ветвях
Такой вариант схемы предусматривает подсоединение нескольких УЗО. Одно, как и было рассмотрено выше, монтируется после вводного автомата на входе. Остальные ставят за автоматическими выключателями отходящих присоединений. Сколько их будет, зависит от того, как вы сгруппируете свою домашнюю электрическую сеть. Возможно, по одному автомату и УЗО у вас будет стоять на каждую отдельную комнату. Есть вариант разделения розеточных и осветительных групп потребителей. В некоторых схемах выполняется отдельная защита бойлера, стиральной или посудомоечной машины, кондиционера или электропечи.
Как работает подобная схема? Например, на одной из отходящих линий произошла токовая утечка. Сработает УЗО, защищающее именно эту линию. Напряжение во всей квартире не исчезает, вся остальная техника остаётся в рабочем состоянии. В этом заключается несомненное преимущество данного варианта схемы. Её недостаток в том, что распределительный щиток получится внушительных размеров, не совсем удобно в нём располагать большое количество УЗО и автоматов. Да и недёшево обойдётся это в материальном плане.
Возникает вопрос, зачем в схеме ещё одно УЗО на входе? Бывают ситуации, когда по той или иной причине отходящее устройство не среагировало на токовую утечку. В этом случае входное УЗО будет подстраховкой, через определённый промежуток времени отключится оно. В принципе, его можно опустить и выполнить схему без вводного устройства. Но если финансовые возможности позволяют, лучше подстрахуйтесь, всё-таки речь идёт о безопасности людей.
Наглядно общий принцип подключения УЗО на следующем видео:
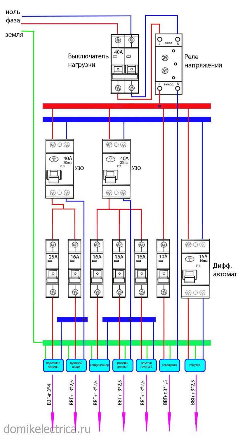
Схема электрощитка в квартире с УЗО в отдельных группах

Данная схема уже более совершенна. Ее можно применять как в небольших квартирах, так и в квартирах с общей длиной проводки превышающей 400м. Здесь нет вводного УЗО, так как достаточно выключателя нагрузки (не забывайте про автомат в этажном щите со счетчиком).
Присутствует защита от утечек тока на отдельных группах розеток и сплит системы (кондиционера). Причем один защитный аппарат УЗО стоит на объединенных группах, каждая из которых в свою очередь защищена от перегрузок автоматическими выключателями.
Линии освещения целесообразно защищать от утечек, если вы применяете настенные светильники с металлическими корпусами и периодически их протираете или меняете лампочки не выключая напряжение. В большинстве случаев здесь можно обойтись простыми автоматами.
Та же схемка, но с реле напряжения:







































