Пошаговое руководство по изготовлению
Для начала запасаемся нужными материалами:
- Находим адаптер под 12 В или обычную батарейку;
- Обязательно нужен провод от наушников (около 3,5 метров);
- Светодиоды (лучше 5 мм);
- Транзистор (КТ817);
- Органическое стекло (желательно формата А4);
- Шкурка мелкая;
- Провода для питания;
- Термопистолет для осуществления проклеивания.
Начали:
На бумаге рисуем стороны короба, который будет являться домиком для самодельной цветомузыки. Стараемся вовсю, так как этот эскиз надо будет перенести уже на оргстекло и вырезать.Должны получиться у нас 6 фигурок прямоугольного типа (4 размером 15х5 см и 2 – 5х5 см).

Простая цветомузыка на светодиодах
Продолжаем:
- Детали, начерченные на оргстекле, вырезаем как можно ровнее (можно использовать пилу по металлу или другой инструмент);
- В одной из пластин надо будет просверлить отверстия. Подразумевается, что это это пластина будет задней стенкой короба. Всего отверстий должно быть два: через одно будет проходить провод от гарнитуры, а в другом – оборудовано гнездо питания.

Светодиоды для цветомузыки
Идем дальше:
- Теперь надо обработать пластинки. Делается это для придания стенкам короба привлекательного внешнего вида. Лучше всего будет оргстекло заматировать, обработав пластинки шкуркой. Кладем наждачную бумагу на пластинку и начинаем круговыми вращательными движениями вести по всей площади;
- Матированию подвергаем также и линзы светодиодов. Работать в данном случае надо аккуратно, чтобы не сломать ничего и не повредить;

Матируем линзы светодиодов
- Пришло время собрать короб воедино. Части его соединяются между собой при помощи термопистолета. Как он работает, наверное, описывать не обязательно. Его основной задачей и функцией является склеивать между собой детали;
- В итоге у нас получается коробка с открытым верхом: пластинки 15х5 образовали длину прямоугольного куба, нижнюю и верхнюю части (верхняя часть пока не приклеивается), а пластинки на 5х5 ширину;
- Рассчитываем, сколько всего диодов будет использовано.

Цветомузыка в автомобиле
Расчет количества
Есть довольно оригинальный и грамотный способ расчета, подразумевающий следующий порядок действий:
- Выходное рабочее напряжение батареи или адаптера (в зависимости от того, что используется) делится на рабочее напряжение одного из диодов;
- Допустим, если адаптер или батарея на 12 В, то берется 4 светодиода.
Продолжаем:
- Приводим в норму провод от наушника. Дело в том, что в нем три жилы, а в данном случае надо будет использовать всего два;
- Изучаем схему по сборке цветомузыки;

Простая цветомузыка 12в на светодиодах
- Вставляем провод от наушника в отверстие, проделанное в стенке короба;
- Собираем схему, как нужно;
- Проверяем сначала, все ли правильно работает;
- Аудиоштекер подсоединяем к выходу автомагнитолы(см.2 din автомагнитола на андроид: какая лучшая), настраиваем громкость и чувствительность;
- Штекер питания с помощью того же термопистолета фиксируем в отверстии;

Цветомузыка диодная
Если все проверено, то можно закрепить наконец верхнюю пластинку.
Важные моменты операции
Обратить внимание рекомендуется на следующее:
- В проводе наушника надо задействовать, как и говорилось, всего две жилы: центральную и одну из каналов;
- Устанавливая транзистор, надо следить за тем, чтобы он не нагревался сильно паяльником. Помимо этого, не должны ни в коем случае путаться его выводы;
- Не должна быть спутана также полярность светодиодов.
Вот и все дела, ничего сложного, зато сколько пользы и радости. Проигрывание любимой музыкальной композиции теперь будет поддерживаться в такт миганием разноцветных диодов.
Создание гирлянды из старой клавиатуры
Для ускоренного создания гирлянды можно воспользоваться одним из самых бюджетных вариантов, связанных с разборкой старых компьютерных устройств ввода – мыши и клавиатуры.
В процессе выполнения работы вам понадобятся:
- несколько старых клавиатур, которые могут быть даже нефункционирующими;
- паяльник;
- резисторы;
- изолента или скотч;
- термоусадочные кембрики;
- припой и канифоль.
Сначала удалите провода из клавиатуры и отсоедините USB-кабель. Для повышения шансов на выполнение качественной работы вам понадобятся около 5 устройств ввода: возможно, таковые имеются у ваших друзей, близких, поспрашивайте на городском форуме.
Каждая клавиатура оснащена 3-мя светодиодами, указывающими на работу 3 основных функций изделия на кнопках Num Lock, Caps Lock и Scroll Lock. Если же вам под руку попалась ненужная геймерская клавиатура, то все будет намного проще, ведь она зачастую включает огромное количество светодиодов.
Выполните разборку изделия и вытащите из него маленькую плату с контроллером. Она будет использоваться для соединения различных лампочек. Создайте изделие из 12 элементов, подключенных к резисторам по параллельной схеме. Превышать это значение не стоит, поскольку стандартный USB-кабель, от которого питается клавиатура, передает напряжение до 5 В при силе тока 500 мА.
Рабочее напряжение отдельных элементов не превышает 5 В. При прямом подключении без резистора будет происходить перегрев, который рано или поздно приведет к перегоранию компонентов. Именно поэтому напряжение понижается за счет дополнительного сопротивления или методом попарной спайки элементов. Во втором случае каждый отдельный компонент будет понижать напряжение «своего соседа». К сожалению, такой вариант считается менее оптимальным и эффективным: лучше всего следить за установленным лимитом вольтажа и не выходить за их пределы.
Далее следует взять простой кабель и на одной из его сторон удалить оплетку, а затем выполнить пайку. После создания изделия нужной длины и формы, остается заизолировать оголенные части.
Создать самодельную новогоднюю гирлянду из светодиодов проще простого: запаситесь необходимыми элементами и инструментами, выполните расчет (с этим могу помочь специалисты) или найдите в сети любую проверенную схему подключения. Затем следуйте нашим инструкциям, и в итоге получите функционирующее, качественное и безопасное изделие.
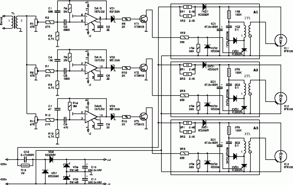
Схема цветомузыки
На рисунке ниже показана схема цветомузыкальной установки, работающая с 3-я различными светильниками. При этом мощность прожекторов доходит до 100 Вт каждая.

Схема цветомузыки
Благодаря этой несложной схеме можно будет самостоятельно собрать установку.Рассмотрим самые главные положения этой схемы:
Основной вход предназначен для проводов, идущих к выходу усилителя. Подключение осуществляется так: снимается один из проводов динамика(см.Как выбрать динамики для автомагнитолы своими силами) и на его место ставится провод от цветомузыки или же параллельно, оставляя все, как есть.

Цветомузыка из китайской гирлянды

Как сделать цветомузыку из гирлянды самому
- Трансформатор в данной схеме можно использовать от однопрограммной радиоточки. Если найти такой не удалось, то подойдет и выходной трансформатор звука. Идеальный вариант – от старого лампового телевизора;
- Что касается тиристоров, то они ставятся в металлических корпусах. Анод у них выводится на корпус, а сверху располагается катод, снизу – управляющий электрод. Крепление тиристоров осуществляется с помощью гаек прямо на плату.

Гирлянда цветомузыкальная 220 30
Устанавливаем светодиодную ленту для подсветки натяжного потолка
В статье наглядно показан пример подсветки натяжного потолка светодиодной лентой устанавливаемой по периметру закрытого короба из гипсокартона под плинтус. Предложенный вариант осуществим и при необходимости подсветки натяжного потолка выполненного в один уровень (без короба по периметру) с установкой светодиодной ленты на стены под потолочный плинтус.
Комбинированный натяжной потолок с подсветкой и коробом из гипсокартона по периметру наиболее востребован в дизайнерских решениях ремонта квартир
Немаловажное значение в создании интерьера комнаты имеет правильное световое оформление
Подсветка потолка и его декоративных элементов может осуществляться с помощью люстры, точечных светильников, светодиодных лент (монохромных или разноцветных) и т. д. а также сочетать в себе несколько вариантов. Не секрет, что уют и яркость облика помещения напрямую зависит от степени освещенности. Оригинальность зрительного эффекта рассеянного пучка света достигается благодаря светодиодным источникам.
Фото подсветки натяжного потолка точечными светильниками, люстрой, светодиодной лентой.
Светодиодная лента – тонкая эластичная полоска с дорожками, проводящими электрический ток и припаянными к ним светодиодами. Ее длина варьирует от 5 см. до безграничности, за счет возможности разделения или спайки обособленных отрезков. Как самостоятельный элемент освещения, может применяться современная более мощная и яркая контурная подсветка.
Особенности
Подобные изделия охотно поставляет современная промышленность. Но внешний эффект не всегда удовлетворяет запросы потребителей. В ряде случаев очень хорошие результаты приносит использование ретро гирлянд, которые можно сделать даже своими руками
Перед подобной работой очень важно подготовиться как следует, отобрать подходящие дизайнерские идеи. Найти подходящие варианты конструкций, фотографии весьма легко
Надо подумать о нескольких нюансах:
- получится ли вписать изделие в обстановку;
- удастся ли воплотить замысел, используя доступные компоненты;
- сколько это будет стоить.
Это интересно: Как выбрать гирлянду «светодиодная бахрома»? (видео)
Идея N1. Простейшая гирлянда своими руками
Наиболее простым вариантом гирлянды является подсветка из светодиодных лент. Они подходят как в качестве новогодних украшений, так и для выделения контура витрины, элементов интерьера. Их преимущество заключается в гибкой конструкции, поэтому ничего паять вам уже не нужно, достаточно приклеить их к несущей поверхности или конструкции. Но перемещать ее, как классический вариант, не получится.
Самые простые модели на 220 В – для них нужно припаять электрическую вилку и установить в нужное место. Чаще всего их используют для наружной установки.
Для освещения елочных украшений внутри помещения используют светодиодные ленты на 12 В. Это более безопасные модели, но для их подключения обязательно используется блок питания.
Значительно сложнее изготовить гирлянду из RGB ленты, так как при ее подключении необходимо использовать большое количество механизмов.
Процесс будет включать в себя такие действия:
- Рассчитайте общую длину гирлянды, так как величина ленты не может превышать 5м. Все что выше 5м должно подключаться от отдельной системы питания.
- Установите блок питания – он необходим для понижения напряжения до 12В.
- Подключите к блоку питания контроллер для RGB ленты – это устройство позволит выбирать цвет свечения и режим работы.
- При длине более 5м установите усилитель на следующую ленту или подведите питание от другого комплекта блок питания / контроллер.
- Закрепите RGB ленту на поверхности и подключите к контроллеру.
Простой способ
При помощи этого метода получится создать конструкцию при напряжении от 3 до 12 вольт. Как сделать самому мигающий светодиод, рассказано ниже. Для сборки потребуются следующие компоненты:
- Резистор 6.8 – 15 Ом (2 шт).
- Резисторы с сопротивлением 470 – 680 Ом (2 шт).
- Маломощные транзисторы со структурой «n-p-n» (2 шт).
- Электроконденсаторы с ёмкостью 47 – 100 мкФ (2 шт).
- Маломощный светодиод, цвет не имеет значение (1 шт).
- Паяльник, припой и флюс.
Напомним, перед началом работы рекомендуется зачистить выводы всех радиодеталей, а после залудить их. Не забываем о полярности включения электролитических конденсаторов. Ниже приведена схема подключения всех вышеуказанных компонентов. Создав правильную конструкцию напряжение на R2 перестанет доходить до Т2, в это время открытым останется Т3 и R1, именно через них пройдёт ток и дойдёт до светодиода. За счёт того, что подача тока осуществляется циклично, светодиод будет мигающий.
Три красных светодиода.
Моргающий светодиод
Для создания данной модели понадобиться все вышеуказанные компоненты, а также одна обычная пальчиковая батарейка. Ниже предоставлена элементарная схема сборки. В данной системе подключения имеются несколько цепочек заряда конденсаторов – это R1C1R2 и R3C2R2. После того, как С1 и С2 имеют необходимый заряд они открываются, второй конденсатор соединён с батарейкой. Их суммарное напряжение проходит через Т2 и проникает в светодиод, за счёт этого он начинает светиться, как только напряжение исчезает он тухнет, а С1 и С2 теряют энергию. Как только напряжение к ним возвращается, происходит новый круг подачи тока в светодиод, и он снова начинает светиться. Таким образом, за счёт батарейки и небольших познаний физики, можно в домашних условиях создать моргающий светодиод.
Создание мигающего светодиода.
Мигалка
Взглянув на эту схему, любой человек хоть не много понимающий в механике найдёт сразу две ошибки. Первая заключается в том, что эмиттер и коллектор подключены не правильно, а вот вторая это «висящая» база. Несмотря на две технические особенности светодиод будет работать. Точка соединения КТ315 служит динистором, за счёт того, что в нём накапливается много напряжения, он отдаёт её транзистору, а тот, в свою очередь, открывается. Затем ток направляется к светодиоду и происходит свечение. По мере отступления напряжения он угасает. Далее всё происходит циклично. В таблице приведены основные параметры серийно выпускаемых МСД, взятые из Интернет – файлов Datasheet.
Таблица основных параметров серийно выпускаемых мигающих светодиодов.
В данной статье указаны сразу несколько методов создания мигающих светодиодов. Благодаря этому, можно легко починить игрушку ребёнка, освещение в доме и новогоднюю гирлянду. Углубив свои познания в технике, создание светодиодов можно применить в других механизмах, например в разработке светового сигнала при открытии или не полном закрытии дверцы холодильника, если в подъезде темно, то подобная мигающая конструкция поможет гостям найти звонок или выключатель.
Продвинутые техники могут создать сигнальный поворотник для велосипеда, это поможет пешеходам узнать, в каком направлении будет двигаться транспортное средство. В общем, мест для применения моргающих светодиодов огромное количество. Для их применения нужны элементарные познания, необходимые материалы и умелые руки!
Изготовление гирлянды из светодиодов
При последовательно подключенных светодиодах можно создать мерцающую гирлянду. На ее создание уйдет минимум времени, а с задачей сможет справиться практически каждый человек с начальными знаниями электрики. Самое главное в данном случае: четко следовать инструкции.
Для самостоятельной сборки светодиодной гирлянды своими руками вам нужно выполнить действия в следующем порядке:
- Определитесь с желаемым расстоянием между соседними источниками (диодами).
- Раскрутив провод, маркером любого цвета нанесите соответствующие отметки на те места, где предположительно будут установлены светодиоды. В идеале расстояние между ними должно составлять 200-250 мм.
- В тех точках, где были оставлены пометки, удалите с провода изоляцию, создав «голые островки» длиной по 20-30 мм. Действовать нужно аккуратно, чтобы не повредить сам кабель. Это упростит процесс будущего крепления диодов.
- На такие участки нужно нанести канифоль с припоем.
- К образовавшимся наплывам закрепите светодиоды, соединяя паяльником их ножки с проводом. Учтите, что данный вариант крепления будет менее надежным, поэтому придется воспользоваться усиливающими фиксаторами, которые также закроют оголенные части гирлянды.
- Узкий скотч нарежьте на разные кусочки длиной 30-40 мм, затем примените в качестве изоляции для диодов. В результате этих действий каждый светодиод должен быть расположен в «кармашке», крепко удерживающем его на кабеле. Обмотать нужно все источники света на проводе.
- Затем нужно обеспечить герметизацию верхней части «кармашка». Для этого сгодится силиконовый герметик, который не просто повышает прочность конструкции, но и совершенствует свечение.
- Остается подключить к схеме резистор и блок питания, а затем протестировать работу самодельного оборудования.
Подготовка к созданию светодиодной гирлянды на батарейках
Не менее красиво смотрится светодиодная гирлянда, подключаемая к батарейкам. Кроме того, такое изделие будет максимально безопасным для детей. Данная разновидность иллюминации используется в качестве наружного источника света. При перемещении в воздухе будет оставаться яркий разноцветный шлейф, который дизайнеры часто используют для создания в пространстве разнообразных узоров. Изделие должно быть защищено от ветра, осадков и низкой температуры.
Для производства гирлянды на батарейках вам будут нужны:
- светодиоды диаметром 10 мм разных цветов с рассеивающим эффектом;
- магниты диаметром 1,3 и толщиной не более 30 мм;
- изолента или узкий скотч;
- литиевая батарейка (например, CR2032 3V);
- эпоксидный клей.
Процесс изготовления гирлянды на литиевых батарейках
Для создания яркой мерцающей гирлянды потребуется выполнить качественную пайку. Спешить в процессе выполнения работы не стоит. Запаситесь терпением, будьте аккуратны и внимательны, следуйте шагам:
- Выполните тестирование светодиодов, чтобы увидеть уровень их свечения. По очереди подключите компоненты к литиевой батарейке (одну, более длинную ножку, соедините с «плюсом», другую короткую – с «минусом»).
- Зафиксируйте положение диодов, затем каждый элемент вместе с батарейкой оберните скотчем или изолентой в 2 слоя.
- С положительным контактом батарейки совместите магнит, зафиксировав его.
- Каждая часть конструкции должна быть установлена на тонкий провод. Проверьте работоспособность изделия!
Использование резисторов парами
В данном случае вы сможете снизить себестоимость изделия, сделав его более экономичным, но помните: гораздо лучше с точки зрения электрической безопасности и долговечности оборудования соединять каждый светодиод с собственным резистором. К тому же, последние компоненты дешевые.














































