ИП
Если лишнего ИБП под рукой нет, то для ИП ЗУ нужно искать трансформатор на железе, его собственная постоянная времени (электрическая инерция) больше таковой АКБ, что очень хорошо по безопасности пользования. «Лепить» самодельный ИБП ни в коем случае не надо, его постоянная времени по выходу на 2 порядка меньше, чем у АКБ. Самодельный ИБП для ЗУ без сложных встроенных схем защиты способен стать причиной разного рода нештатных ситуаций. Помните – кипение электролита это туман и брызги крепкой ядовитой кислоты! А если АКБ с герметичными банками, то возможен и ее взрыв!
ИП ЗУ состоит из понижающего трансформатора и выпрямителя. Сглаживающий фильтр для зарядки АКБ не нужен. Трансформатор ИП ЗУ рекомендуют искать силовой с накальными обмотками от старых ламповых телевизоров – ТС-130, ТС-180, ТС-220, ТС-270. По мощности они годятся с избытком, но, во-первых, от влаги никак не защищены, в гараже могут и не перезимовать. Во-вторых, специалисты по вторичным металлам прекрасно знают, сколько выручки дает ТС, и найти их становится все труднее.

Понижающие трансформаторы типов ТП и ТПП
Если нет желания и/или возможности рассчитать и намотать трансформатор самому, для ИП ЗУ лучше будет купить трансформатор ТП или ТПП, они дешевле, чем ИБП б/у. Мощность – от 50 Вт, ее указывают последние 2 цифры в обозначении типономинала, напр. ТПП 36-220-80. 3 цифры в середине – рабочее напряжение первичной обмотки, а первые 2 или 3 кодируют количество и напряжение вторичных обмоток, оно 6,3 или 12,6 В на обмотку. Предпочтение следует отдавать трансформаторам в паровлагозащищенном исполнении («зеленым», слева на рис.), они способны неограниченно долгое время работать в атмосфере с влажностью 100% и примесями химически агрессивных паров. Трансформатор с обмотками на каркасе из плавкого пластика (справа) – вариант на самый крайний случай. Такие не рассчитаны на эксплуатацию в условиях ЗУ: работу свыше 50% времени использования на полной мощности с систематическими перегрузками по току. Вдруг берете такой, его мощность нужна от 120 Вт.
Типовые схемы соединения обмоток ТП и ТПП на 12,6 В под выпрямление мостом или двухполупериодное со средней точкой даны на рис. слева и справа:

Схемы соединения обмоток типовых трансформаторов питания
У конкретного экземпляра они могут отличаться, т.к. производители вправе произвольно менять разводку выводов по ТУ заказчика. Остатки идут в продажу, а выпуск особо популярного типономинала может быть продолжен для рынка. Поэтому, приобретая ТП или ТПП, сверяйтесь со спецификацией к нему; если ее нет, придется вызванивать обмотки. Общие правила разводки выводов и соединения обмоток ТП/ТПП такие:
- Сетевые (первичные) обмотки выводятся на первые номера.
- Межобмоточные экраны выводятся на последние номера.
- Для соединения обмоток в параллель нечетные выводы соединяются с нечетными; четные – с четными.
- Для последовательного соединения обмоток нечетные выводы соединяются с четными.
Вариант подешевле – присмотреть на железном базаре старый накальный трансформатор ТН; система обозначений аналогична ТП/ТПП. «Кладоискатели» до ТНов не охочи: возни с разборкой много, медяшки мало. Типовая схема включения ТН для ЗУ дана на врезке в центре рис. Переключать, для повышения выходного напряжения, нижний по схеме диод с вывода 15 на 16 нельзя, нарушится симметрия обмоток!
Выпрямитель Шоттки
Выходные напряжения на схемах выше даны для входного (сетевого) 220 В. Если оно упадет, пойдет недозаряд. Вместе с тем, поскольку АКБ на заряд от внешнего ЗУ ставят холодной, остается некоторый запас на увеличение напряжения заряда; его возможно использовать полностью, если ЗУ с защитой. В таком случае выпрямитель нужно делать со средней точкой на сборке диодов Шоттки – выходное напряжение увеличится прим. на 0,6 В.
Современные диоды Шоттки с платиновым барьером для использования в ЗУ АКБ вполне пригодны, см. спецификацию на рис.:

Спецификация на сборку диодов Шоттки для выпрямителя зарядного устройства автоаккумулятора
Кроме того, на сборку из пары диодов Шоттки нужен радиатор от 50 кв. см, а каждому обычному, с p-n переходом, на ток до 10 А – от 100 кв. см. Брать сборки Шоттки нужно с максимальным обратным напряжением от 35 В и пиковым прямым током от 30 А, т.к. в схеме выпрямителя со средней точкой соотв. величины достигают 1,7 амплитудного значения напряжения вторичной обмотки и 2,4 выпрямленного тока (31 В и 24 А при 12,6 В и 10 А; начальный пиковый ток заряда полностью разряженной АКБ на 60 А/ч – 10 А).
Как сделать своими руками
Сделать зарядное устройство с диодным мостом самому по вышеприведенной схеме не составит особого труда. Достаточно руководствоваться следующими рекомендациями.
Подготовить необходимые комплектующие и инструменты
- Трансформатор. Если зарядник изготавливается для АКБ легкового автомобиля «Жигули» емкостью 60 А×ч, то автомобильные характеристики трансформатора должны иметь следующие параметры:
- мощность не менее 150 Вт, чтобы обеспечить зарядный ток величиной 6 А (оптимальная зарядка по времени с обеспечением стойкости пластин аккумулятора достигается на режиме 10 % от емкости АКБ);
- напряжение на вторичной обмотке должно быть выше 12 Вольт для нормального прохождения тока через разряженную батарею — в районе 14.4 Вольт.
Трансформатор с такими характеристиками можно найти в старых электроламповых телевизорах или потертых временем музыкальных центрах, вышедших из строя микроволновых печах и источниках бесперебойного питания. В конце концов в специализированных магазинах можно купить такое устройство за небольшие деньги.
Старые трансформаторы используют в обмотках алюминиевый провод в отличие от медного он сильнее нагревается. Поэтому возникает необходимость борьбы с перегревом таких трансформаторов. Кулер от неисправного источника питания компьютера поможет решить проблему:
- Выпрямитель. Для диодного моста следует использовать достаточно мощные диоды, работающие на токе около 10 А. Такими параметрами обладают электронные элементы типа Д246. Возможно найти и другие подобные варианты. Наличие меток с указанием полярности диодов облегчает сборку моста.
- При работе мощные диоды выделяют большое количество тепла. Монтировать диодный мостик рекомендуется на радиаторе охлаждения, например, имеющихся в старых запасных частях от системного блока компьютера. В случае невозможности найти промышленный радиатор охлаждения можно воспользоваться алюминиевым профилем, как показано на изображении:
- Для подключения зарядника к бытовой сети необходима сетевая вилка.
- Монтаж лучше производить на текстолитовой пластине, подходящей по габаритам.
- Необходим кусок нихромовой проволоки.
- Амперметр, вольтметр.
- Диэлектрическая бумага, изолента.
- Кроме слесарного, основным рабочим инструментом будет паяльник с материалами необходимыми в технологии пайки.
Порядок выполнения работ
- Так как трансформатор для самодельного зарядника обычно берется с другого электротехнического устройства, то весьма редко напряжение и сила тока на вторичной обмотке соответствуют требованиям. Следует в таком случае полностью удалить вторичную обмотку, оставив первичную. Выполнить расчеты из школьного курса физики для определения количества витков и диаметра проволоки, подходящими для необходимого напряжения и силы тока. Аккуратно уложить проволоку виток к витку не составит труда. Не стоит забывать делать изоляцию (диэлектрической бумагой, изолентой) между слоями. Концы проволоки вывести и закрепить на корпусе. Для уменьшения вибраций следует пропитать обмотку парафином.
- На текстолитовой пластине разместить радиатор охлаждения с установленными на нем четырьмя диодами Д246. Собрать диодный мостик с выводами к клеммам аккумулятора. Зачистить концы выводов.
- В разрыв между диодным мостом и аккумулятором подключается амперметр и устанавливается кусок нихромовой проволоки. Один конец ее жестко закрепляется, а второй остается подвижным, чтобы была возможность менять длину нихромовой проволоки и варьировать величиной сопротивления. Такой самодельный переменный резистор позволит производить регулирование тока подаваемого на аккумулятор.
- Все соединения необходимо заизолировать изолентой. Готовое устройство для обеспечения электробезопасности следует поместить в подходящий корпус.
- Амперметр будет отслеживать процесс зарядки. Когда показания силы тока на нем будут в районе 1 А, можно сделать вывод, что аккумулятор зарядился.
- Контролировать зарядку можно и с помощью вольтметра, однако при подключенном зарядном устройстве его показания будут немного выше.
Зарядка от USB-порта
Можно изготовить зарядное устройство для никель-кадмиевых батарей на основе обычного USB-порта. При этом, заряжаться они будут током емкостью примерно 100 мА. Схема, в таком случае, будет следующей:
На сегодняшний момент, существует достаточно много различных зарядных устройств, продающихся в магазинах, но их стоимость может быть достаточно высокой. Учитывая, что главный смысл различных самоделок — это именно экономия денежных средств, то самостоятельная сборка еще более целесообразна в данном случае.
Данную схему можно доработать, добавив дополнительную цепь для зарядки пары аккумуляторов AA. Вот, что в итоге получилось:
Чтобы было более наглядно, вот те комплектующие, которые использовались в процессе сборки:
Понятно, что без элементарного инструментария нам не обойтись, поэтому перед началом сборки необходимо удостовериться, что у вас в наличии есть все необходимое:
- паяльник;
- припой;
- флюс;
- тестер;
- пинцет;
- различные отвертки и нож.
Интересный материал про изготовление своими руками, рекомендуем к просмотру
Тестер необходим для того, чтобы проверить работоспособность наши радиодетали. Для этого нужно сравнить их сопротивление, после чего сверить с номинальным значением.
Для сборки нам также понадобится корпус и батарейный отсек. Последний можно взять из детского симулятора Тетрис, а корпус может быть изготовлен из обычного пластмассового футляра (6,5см/4,5см/2см).
Крепим отсек для батарей на корпусе, используя шурупы. В качестве основы для схемы прекрасно подойдет плата от приставки Денди, которую нужно выпилить. Удаляем все ненужные компоненты, оставляя только гнездо питания. Следующим шагом будет пайка всех деталей, основываясь на нашей схеме.
Шнур питания для устройства можно взять обычный шнур от компьютерной мыши, обладающий входом USB, а также часть питающего провода со штекером. При пайке нужно строго соблюдать полярность, т.е. припаивать плюс к плюсу и т.д. Подключаем шнур к USB, проверяя напряжение, которое подается на штекер. Тестер должен показывать 5В.
В завершении нужно установить зарядный ток. Для этого необходимо разорвать цепь, соединяющую VD1 и плюсовую полярность аккумулятора. Подключаем тестер таким образом, чтобы его плюс соединялся с диодом, а минус — с аккумулятором. Выставляем режим измерения тока (200 мА).
Включаем в есть, после чего должен загореться светодиод, конечно, если все сделано правильно. Затем устанавливаем необходимый ток зарядки (100 мА), путем изменения сопротивления на резисторе R1. Проводим данную процедуру и для второго аккумулятора AA.
Еще одно интересное видео на это тему
Самодельная зарядка для АКБ
Существует много схем автомобильных зарядных устройств. Для реализации большинства подойдут детали, трансформаторы, выпаянные из старой радиоаппаратуры, блоки питания компьютеров.

Простое устройство на 6 и 12 вольт
Устройство подойдет для зарядки аккумуляторов напряжением 6 и 12 В, емкостью 10-120 А∙ч. Наладка после сборки не требуется, прибор сразу готов к работе.
Основные детали:
- Понижающий трансформатор Т1: от старого лампового телевизора или самодельный. Требуется мощность 300 Вт, ток 10-15 А, на выходе не менее 15 В.
- Выпрямитель из 4 диодов VD2-VD5, которые выдерживают ток от 10 А, обратное напряжение не менее 40 В. Такие характеристики у полупроводников типа Д2124, Д242, Д305. Их устанавливают через изоляторы на радиатор площадью 300 см² и более.
- Конденсаторы С1-С4 бумажные, рассчитанные не меньше, чем на 300 В. Такие используются в бытовой технике, имеют форму кубика.
- Переключатели S2-S5 для регулировки тока.
- Вольтметр PU1 на 30 В, амперметр PA1 на 30 А.
Величина зарядного тока устанавливается с помощью переключателей S2-S5. Через них в первичную обмотку трансформатора подключают конденсаторы С1-С4, гасящие колебания напряжения. Различными комбинациями включения тумблеров регулируют зарядный ток от 1 до 15 А с шагом 1 А. Например, чтобы установить 5 А, задействуют второй и четвертый переключатели. Комбинация S2 и S5 дает 10 А.
Зарядка с плавной регулировкой тока
Схема немного сложнее, но все детали доступны. Прибором заряжают 12-вольтовые АКБ, емкость которых — до 120 А∙ч. Вид зарядного тока — импульсный, используется тиристор. Регулятором плавно изменяют величину зарядного тока, но одновременно предусмотрен ступенчатый переключатель. Контролируют режим при помощи стрелочного амперметра на 30 А.

Самодельный резистор R1 нужен для ограничения тока. Для его изготовления подойдет медный или нихромовый провод диаметром 0,8 мм. Нужна будет небольшая индикаторная лампа Е1, рассчитанная на 24-36 В.
Выходное напряжение на понижающем трансформаторе 16-18 В, ток — 15 А. Ищут прибор с такими характеристиками или делают своими руками из подходящего устройства мощностью 300 Вт. Оставляют только первичную обмотку, вторичную из 42 витков наматывают проводом с изоляцией, сечение 6 мм².
Для схемы нужен тиристор КУ202 с буквенным индексом В-Н. Для охлаждения используют радиатор, площадь рассеивания которого от 200 см². А также понадобится диод VD1 любого типа с характеристиками обратного напряжения 20 В, тока — 200 мА.
Настраивают устройство калибровкой амперметра, подключив в качестве контрольного заведомо исправный. Для нагрузки вместо АКБ подключают автомобильные лампочки, общая мощность которых составляет 250 Вт.
Зарядка из компьютерного блока питания
Из старого блока питания ПК с контроллером TL 494 получается зарядное устройство с хорошими характеристиками. У него регулируемое напряжение и возможность подстройки тока до 10 А.

В демонтированный из компьютера БП вносят согласно схеме некоторые изменения:
- На шинах питания откусывают все провода, оставив только желтые и черные.
- Проводники одного цвета соединяют между собой. Жгут из черных — это минусовый контакт ЗУ, из желтых — плюсовой.
- Печатные дорожки к ножкам 1, 14, 15, 16 микросхемы перерезают.
- Для регулировки напряжения устанавливают переменный резистор 10 кОм, зарядного тока — 4,4 кОм.
Собирают способом навесного монтажа, используют провода с минимальным сечением 4 мм². Устанавливают вольтметр, амперметр, подключают провода с зажимами.
Расположенный внизу схемы резистор на 0,1 Ом мощностью 10 Вт и больше делают из меди или нихрома: подбирают нужную длину провода, замеряя сопротивление. Подойдут также резисторы С5-16МВ или 2 подключенных параллельно 5WR2J. Остальные — любого типа.
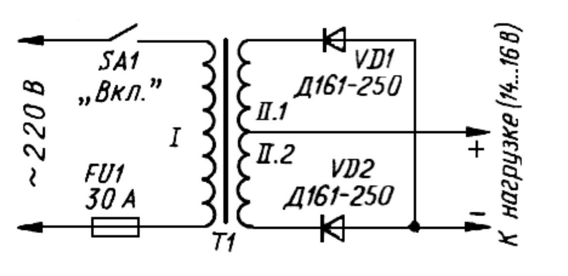
Описание и принцип работы пуско-зарядного устройства
Здесь особо сложного ничего нет. Сетевое U = 220 В подаётся через выключатель на первичную обмотку трансформатора, а на вторичной происходит уменьшение переменного напряжения. Потом оно сглаживается двухполупериодным или мостовым выпрямителем, собранным на мощных диодах. Далее пульсирующее напряжение может быть отфильтровано посредством электролитических конденсаторов. При необходимости около выхода осуществляется увеличение напряжения, что делается с помощью усилителей, в которых основными компонентами являются транзисторы, тиристоры.
Из недостатков описываемого пуско-зарядного устройства можно отметить разве что солидный вес, что обусловлено установкой мощного и, как следствие, габаритного трансформатора. Ниже – схема двухполупериодного пуско-зарядного устройства своими руками:

В этой схеме задействован лабораторный трансформатор ЛАТР. Вместо двух диодов можно использовать и диодный мост типа КЦ405. Схема пуско-зарядного устройства для автомобиля с усилителем:

Как сделать пуско-зарядное устройство своими руками, чтобы оно наверняка заработало? Нужно соблюдать параметры деталей. Мощность указанных на картинке тиристоров – не менее 80 А (если будет использоваться диодный мост, то от 160 А). Диоды на ток – 100–200 А. Транзистор – КТ361 либо КТ 3102 (можно любой другой с такими же параметрами). Мощность используемых резисторов – от 1 Вт.
Собранное своими руками зарядно-пусковое устройство подключается через зажимы-крокодилы к АКБ в соответствии с полярностью. При нормально заряженной батарее с ПЗУ энергия поступать не будет. Если же АКБ не функционирует, тиристорный переход откроется, и зарядный ток пойдёт на батарею и стартер.
Расчёт обмоток трансформатора
Сначала нужно подобрать магнитопровод, сечение которого должно быть не меньше 37 кв. см. Чтобы рассчитать количество витков в первичной обмотке, необходимо воспользоваться формулами: Т = 30/S, где S – площадь магнитопровода и N = 220*Т, то есть W1 = 220*30/37 = 178 витков. Для обмотки необходимо использовать изолированный провод сечением не менее 2 кв. мм. Формула для вторичной обмотки: W2 = 16*Т = 16*30/37 = 13 витков. Здесь понадобится шина из алюминия площадью 36 кв. мм.
Стоит заметить, что формулы не всегда могут выдавать точное число обмоток (особенно вторичной), поэтому можно применить метод подбора. Намотав первичную обмотку, накрутите несколько витков вторичной и измерьте получившееся напряжение, не обрезая шину. Таким образом нужно добиться на выходе значения 14–16 В.
Дело будет обстоять проще, если у вас имеется ЛАТР – лабораторный трансформатор. От него нужно взять сердечник. Количество витков первичной обмотки – 265–295. Используйте изолированный провод сечением 2 мм. Намотку производите в три слоя. Далее обязательно проверьте значение тока холостого хода (включите мультиметр в разрыв между сетью 220 В и одним из концов обмотки). Прибор должен показывать 210–390 мА. Если показания больше, число витков нужно увеличить, в противном случае, наоборот, уменьшить. Вторичная обмотка разделена на две секции, в каждой из которых 15–18 витков. Здесь понадобится провод сечением 10 кв. мм.
Расчёт выпрямителя
Далее рассмотрены параметры электронных компонентов (помимо указанных выше), применяемых в обеих схемах:
- Диоды. Максимальный пропускаемый ток не должен быть менее 100 А. Это могут быть В200, Д141, 2Д141, 2Д151 и иные аналогичные детали. Вместо КД105 не возбраняется применять КД209 или даже Д226. Стабилитрон – Д808, 2С182 и т. п.
- Тиристоры. I = 80 А и более: ТС185, Т15-80, Т15-100, Т161, Т125 и т. п. Если используется вариант выпрямления тока с диодным мостом, тиристоры будут мощнее вдвойне: Т15, Т160, Т250, Т16 и другие, аналогичные.
- Транзисторы. Здесь важен коэффициент усиления h = 21э. Это КТ361 либо КТ3107 проводимостью n-p-n. Вместо КТ816 подойдёт и КТ814.
- Резисторы. Желательно, чтобы их мощность была не менее 1 Вт.
- Выключатель. Должен держать ток от 6 А.
Подбор сечения проводов
Подбирая выходные провода, которые будут присоединяться к аккумулятору, нужно помнить, что их диаметр не может быть меньше такого же параметра вторичной обмотки. Лучше использовать многожильный медный кабель, используемый в сварочных аппаратах, где каждый проводок имеет сечение 2,5 кв. мм. Такую же площадь должен иметь провод, посредством которого самодельный аппарат будет подключаться к сети. Не забудьте приобрести мощные зажимы-крокодилы для подключения к клеммам АКБ. Здесь тоже рекомендуется использовать изделия, применяемы при сварке («масса»).
Виды зарядных устройств для автомобильных аккумуляторов
В процессе заряда батареи происходит восстановление израсходованной в емкости энергии. С этой целью на клеммы аккумуляторной емкости происходит подача напряжения, которая слегка выше, нежели основные рабочие показатели аккумуляторной батареи. В зависимости от вида зарядного устройства, подаваться может:
Постоянный ток. Средняя длительность такого заряда составляет около 10 часов и более, при этом на протяжении всего времени происходит подача фиксированного тока. Напряжение может изменяться в пределах от 13,8 до 14,4 В в самом начале зарядки, а в конце она может снизиться до отметки в 12,8 В. То есть это постепенный метод накопления емкости батареи, который в ходе эксплуатации держится дольше
Но среди минусов можно выделить необходимость в контроле над процессом, так как важно вовремя выключить ЗУ. В случае перезаряда возможно закипание электролита, что снизит функциональность батареи.
Постоянное напряжение
При таком типе заряда устройство все время подает напряжение в 14,4 В, при этом происходит изменение значений от больших в начале зарядки, до меньших – в конце. Поэтому перезаряд невозможен, разве что в случае если вы оставите ЗУ на несколько дней. Достоинством является меньшее время для заряда (7-8 часов), и возможность оставить ЗУ без присмотра. Но при частом использовании данного метода возможно более быстрое выхождение батареи из строя, в процессе эксплуатации она будет быстрее разряжаться.
Поэтому, если нет необходимости в быстром заряде батареи, лучше отдать предпочтение первому варианту – с постоянным током. А в случае, когда нужно быстро восстановить работоспособность АБ подойдет постоянное напряжение, но не для многоразового пользования.
Если же задаетесь вопросом, какое лучше зарядное устройство сделать своими руками, то здесь однозначно стоит выбрать вариант с подачей постоянного тока. По схеме этот прибор достаточно прост, и состоит из доступных элементов.
Схема самодельного зарядного устройства для аккумулятора на тринисторе
Если вы не боитесь держать в руках паяльник, можно собрать автомобильный аксессуар с плавной регулировкой тока заряда, но без недостатков, присущих резисторной классике.
В качестве регулятора применяется не рассеиватель тепла в виде мощного реостата, а электронный ключ на тиристоре. Вся силовая нагрузка проходит через этот полупроводник. Данная схема рассчитана на ток до 10 А, то есть позволяет без перегрузок заряжать АКБ до 90 Ач.
Регулируя резистором R5 степень открытия перехода на транзисторе VT1, вы обеспечиваете плавное и очень точное управление тринистором VS1.
Схема надежная, легко собирается и настраивается. Но есть одно условие, которое мешает занести подобный зарядник в перечень удачных конструкций. Мощность трансформатора должна обеспечивать троекратный запас по току заряда.
То есть, для верхнего предела в 10 А, трансформатор должен выдерживать длительную нагрузку 450-500 Вт. Практически реализованная схема будет громоздкой и тяжелой. Впрочем, если зарядное устройство стационарно устанавливается в помещении – это не проблема.
Простое автоматическое зарядное устройство
ПАЗУ состоит из трансформатора и диодного моста. Конечно, можно использовать неавтоматический прибор и не знать проблем, но это связано с потерей лишнего времени. Мы подробно разберём изготовление по отдельности неавтоматического агрегата и автомата к нему. Предлагаемый нами автомат подойдёт к любому отставшему от времени и морально устаревшему механизму. Из трёх представленных вам конструкций эти являются самыми простыми для понимания новичка.
Схема автоматического зарядного устройства для аккумуляторов

Начнём с неавтоматического приспособления как основы для всей структуры. Такое ЗУ – надёжный модуль, незаслуженно теряющий свою популярность, но ещё применяемый многими автолюбителями. После небольшой модернизации этот девайс займёт своё заслуженное место в XXI веке.
Схема автоматического зарядного устройства для автомобильного аккумулятора

Данный прибор не является ЗУ сам по себе. Он представляет собой автоматическую установку, подключаемую к любому заряднику старого образца и позволяющую использовать его в автоматическом режиме.
На чертеже изображён блок регулировки без самого зарядника. Каждая часть блока работает независимо друг от друга:
- первая LM317 – стабилизатор тока;
- резистор – 1,25 Ом, чем выше ток, тем мощнее резистор (1 А – 5 Вт);
- вторая LM317 – стабилизатор напряжения;
- на вход подключается нагрузочный резистор 1 кОм.
Список радиодеталей
В него входят:
- понижающее трансформаторное устройство (от 220 до 13,8 вольт);
- диодный мост;
- стрелочный или цифровой амперметр;
- три провода: два с зажимами для клемм и один с вилкой;
- плавкий предохранитель;
- железный или пластиковый корпус для всей конструкции.
Для сборки автоматического зарядного устройства для автомобильного аккумулятора нам понадобятся:
- первая LM317 (стабилизатор тока);
- резистор;
- вторая LM317;
- провод для сети.
Всё необходимое сегодня можно свободно приобрести в специализированных магазинах или заказать на интернет-площадках. Хотя многие мастера умудряются сэкономить и на этом, снимая комплектующие с отслужившей техники.
Сборка
Сборка включает в себя несколько этапов:
- Собираем механизм. Объединяем трансформатор с диодным мостом, к которому крепим два провода с «крокодилами». Для определения силы тока подключаем амперметр. Затем устанавливаем питание и предохранитель. Помещаем всю конструкцию в короб из пластика или металла.
- Объединяем стабилизатор тока с резистором и стабилизатор напряжения. Далее выставляется необходимое напряжение.
- Соединяем простое ЗУ и автомат. В результате получаем автоматическое зарядное устройство для автомобильного аккумулятора.
Получившийся гибрид будет саморегулируемым. Главное, проверьте, полны ли банки электролитом, и выкрутите пробки, если таковые предусмотрены производителем. В принципе, данный автомат можно использовать в комплексе с любым устройством, как самодельным, так и покупным, что является несомненным его плюсом. Да и всегда приятно собрать автоматическое ЗУ для автомобильного аккумулятора своими руками.
Рекомендуем статьи по теме
Как подключить выключатель: виды выключателей, порядок подключения, видео инструкция
Как экономить электроэнергию в квартире: приборы для экономии электричества, общие правила
Электропроводка в квартире своими руками — пошаговая инструкция
Как подключить дверной звонок: особенности установки различных видов звонков
Как правильно подключить узо в квартире: принцип работы, схемы подключения
Как обжать интернет кабель в домашних условиях
Немного теории
Процесс заряда аккумуляторов должен проходить по определенным правилам. Причем процесс заряда зависит от вида батареи. Нарушения этих правил приводит к уменьшению емкости и срока эксплуатации. Потому параметры зарядного устройства для автомобильного аккумулятора подбираются для каждого конкретного случая. Такую возможность предоставляет сложное ЗУ с регулируемыми параметрами или купленное специально под эту батарею. Есть и более практичный вариант — сделать зарядное устройство для автомобильного аккумулятора своими руками. Чтобы знать, какие параметры должны быть, немного теории.

Перед началом заряда надо измерить напряжение
Виды зарядных устройств для аккумуляторных батарей
Заряд аккумулятора — процесс восстановления израсходованной емкости. Для этого на клеммы аккумулятора подается напряжение, немного превышающее рабочие показатели АБ. Подаваться может:
- Постоянный ток. Время заряда — не менее 10 часов, в течении всего этого времени подается фиксированный ток, напряжение изменяется от 13,8-14,4 В в начале процесса до 12,8 В в самом конце. При таком виде заряд накапливается постепенно, держится дольше. Недостаток этого способа — необходимо контролировать процесс, вовремя отключить зарядное устройство, так как при перезаряде электролит может закипеть, что существенно снизит его рабочий ресурс.
- Постоянное напряжение. При заряде постоянным напряжением, ЗУ выдает все время напряжение 14,4 В, а ток изменяется от больших значений в первые часы заряда, до очень небольших — в последние. Потому перезаряда АБ не будет (разве что вы оставите его на несколько суток). Положительный момент этого способа — время заряда уменьшается (90-95% можно набрать за 7-8 часов) и заряжаемый аккумулятор можно оставить без присмотра. Но такой «экстренный» режим восстановления заряда плохо влияет на срок службы. При частом использовании постоянным напряжением АБ быстрее разряжается.

Графики изменения параметров ЗУ в разных режимах
В общем, если нет необходимости спешить, лучше использовать заряд постоянным током. Если надо за короткое время восстановить работоспособность аккумулятора — подавайте постоянное напряжение. Если говорить о том, какое лучше сделать зарядное устройство для автомобильного аккумулятора своими руками, ответ однозначен — подающее постоянный ток. Схемы будут простые, состоящие из доступных элементов.
Как определить нужные параметры при зарядке постоянным током
Опытным путем установлено, что заряжать автомобильные свинцовые кислотные аккумуляторы (их большинство) необходимо током, который не превышает 10% от емкости батарей. Если емкость заряжаемой АБ 55 А/ч, максимальный ток заряда будет 5,5 А; при емкости 70 А/ч — 7 А и т.д. При этом можно ставить чуть меньший ток. Заряд будет идти, но медленнее. Он будет накапливаться даже если ток заряда будет 0,1 А. Просто для восстановления емкости потребуется очень много времени.
Так как в расчетах принимают, что ток заряда составляет 10%, получаем минимальное время заряда — 10 часов. Но это — при полном разряде аккумулятора, а его допускать нельзя. Потому фактическое время заряда зависит от «глубины» разряда. Определить глубину разряда можно, замерив вольтаж на АБ до начала заряда:
- Полностью заряженная батарея (100%) имеет напряжение 12,7-12,8 В.
- Половинный разряд (около 50%) с напряжением 12 В. Вот при таком разряде или чуть ниже надо ставить АБ на зарядку.
-
Почти полный или полный разряд (10-0%) — 11,8-11,7 В. До таких значений лучше не опускаться — частый полный разряд сокращает срок службы.
Чтобы рассчитать примерное время заряда АБ, надо узнать разницу между максимальным зарядом батареи (12,8 В) и текущим ее вольтажом. Умножив цифру на 10 получим время в часах. Например, напряжение на аккумуляторе перед зарядом 11,9 В. Находим разницу: 12,8 В — 11,9 В = 0,8 В. Умножив эту цифру на 10, получаем что время заряда будет около 8 часов. Это при условии, что подавать будем ток, который составляет 10% от емкости батареи.















































