В зависимости от объемов и направления работы используют разные методы соединения металла. Компания Вектор Групп предлагает автоматизированные системы для различных типов сварки, а также инновационные решения для достижения лучших результатов.
Технические нюансы
До начала работы приёмник энергии нужно подключить к сети электропитания, чтобы зарядить его до нужного уровня. Сама импульсная сварка занимает совсем немного времени, так как используется энергия, имеющаяся в запасе в приемнике. Такую сварку вполне можно выполнить своими руками, она совсем не сверхсложная.
Швы формируются вследствие расплавления отдельных порций металла с последующим покрытием.
Важнейший момент – правильное выставление режима импульсной и дежурной дуги. Если режим верный, процесс пройдет быстро, правильно и, самое главное, безопасно, без всяких кратеров в ответственных стыковых участках.

Импульсная сварка на постоянном токе
Жесткость режима является технологической особенностью данного метода. Все дело в длительности импульса. Если его поменять, изменятся все параметры сварки.
Одно из важных преимуществ – возможность контролировать и минимизировать кристаллизацию металла. Можно изменять форму сварочной ванны. Дополнительно можно контролировать и снижать риск деформации сварочного шва.
Данный метод часто применяется для соединения металла с толщиной краев свыше 3-х мм.
Для чего нужен контроллер заряда аккумулятора
Основная функция зарядного контроллера для аккумулятора – регулировка восстановления энергетических потерь. Вначале отслеживается превращение электрической энергии в химическую, а затем она аккумулируется, чтобы использоваться в случае необходимости для определенных приборов и механизмов.
Сделать такой приборчик можно и своими руками, что с успехом делают домашние умельцы, подбирая границы в аппаратах до 15 Вольт.
Существуют такие виды зарядных контроллеров в зависимости от их применения:
- Для техники, применяемой в быту;
- Для мобильных устройств и гаджетов;
- Для восстанавливаемых энергетических источников.
Кроме этого, контроллеры могут применяться для различных солнечных батарей и ветродуев. Верхняя граница напряжения в таких устройствах обычно – 15 В, а нижняя – 12 В.

Применение контроллера заряда АКБ подойдет и для мобильных устройств. Разницы между прибором для смартфона, кнопочного телефона или планшета особо нет никакой.
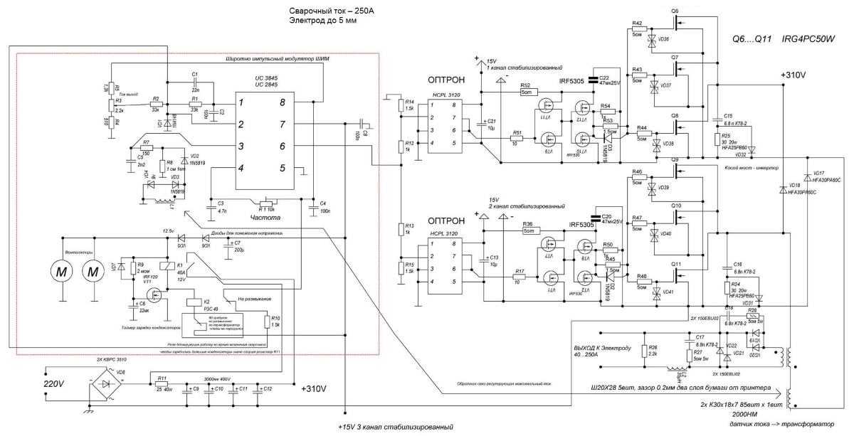
Элементы электрической схемы инверторных устройств
Устройство сварочного инвертора составляют следующие базовые элементы:
- выпрямитель переменного тока, поступающего из обычной электрической сети;
- инверторный блок, собранный на основе высокочастотных транзисторов (такой блок и является генератором высокочастотных импульсов);
- трансформатор, который понижает высокочастотное напряжение и увеличивает высокочастотный ток;
- выпрямитель переменного высокочастотного тока;
- рабочий шунт;
- электронный блок, отвечающий за управление инвертором.

Пример принципиальной схемы инвертора (нажмите для увеличения)
Выпрямительный и инверторный блоки оборудования в процессе своей работы сильно нагреваются, поэтому их устанавливают на радиаторы, активно отводящие тепло. Кроме того, для защиты выпрямительного блока от перегрева используется специальный термодатчик, отключающий его электропитание при достижении им температуры 90 градусов.
Инверторный блок, являющийся, по сути, генератором высокочастотных импульсов большой мощности, собирается на основе транзисторов, соединяемых по типу «косого моста». Высокочастотные электрические импульсы, формирующиеся в таком генераторе, поступают на трансформатор, необходимый для того, чтобы понизить значение их напряжения.
Наиболее распространенными трансформаторами, используемыми для оснащения сварочных инверторов, являются устройства со следующими характеристиками: первичная обмотка – 100 витков провода марки ПЭВ (толщина 0,3 мм); 1-я вторичная обмотка – 15 витков из медной проволоки диаметром 1 мм; 2-я и 3-я вторичные обмотки – 20 витков медного провода диаметром 0,35 мм. Все обмотки тщательно изолируются друг от друга, а места их выхода защищаются и запаиваются.

Внутреннее устройство сварочного инвертора
На выходной выпрямитель сварочного инвертора поступает ток, обладающий высокой частотой. С преобразованием такого тока в постоянный простые диоды не справятся. Именно поэтому основу выпрямителя составляют мощные диоды, обладающие большой скоростью открывания и закрывания. Чтобы предотвратить перегревание диодного блока, его размещают на специальном радиаторе.
Обязательным элементом любого сварочного инвертора является резистор высокой мощности, обеспечивающий устройству мягкий пуск. Необходимость использования такого резистора объясняется тем, что при включении питания на оборудование подается мощный электрический импульс, который может стать причиной выхода из строя диодов выпрямительного блока. Чтобы этого не произошло, ток подается через резистор на электролитические конденсаторы, которые начинают заряжаться. При достижении конденсаторами полного заряда и перехода устройства в штатный режим работы замыкаются контакты электромагнитного реле и ток начинает поступать на диоды выпрямителя, уже минуя резистор.

Выходные дроссели на плате сварочного инвертора
Работой всех элементов такого сварочного аппарата, отличающегося компактными габаритами, небольшим весом и высокой мощностью, управляет специальный ШИМ-контроллер. Электрические сигналы поступают на контроллер от операционного усилителя, питающегося выходным током самого инвертора. На основе характеристик этих сигналов котроллер формирует корректирующие выходные сигналы, которые могут подаваться на диоды выпрямителя и транзисторы инверторного блока – генератора высокочастотных электрических импульсов.
Кроме основных, современные сварочные инверторы обладают еще целым перечнем полезных дополнительных опций. К таким характеристикам, которые значительно облегчают работу с устройством и дают возможность получать качественные, надежные и красивые сварные соединения, следует отнести форсирование сварочной дуги (быстрый розжиг), антизалипание электрода, плавную регулировку сварочного тока, наличие системы защиты от возникающих перегрузок.

Монтажная плата с основными элементами инвертора
Технические параметры и принцип действия импульсных инверторов
Прогрессивная технология позволила разработать импульсный сварочный аппарат, который обладает рядом преимуществ перед устаревшими и тяжёлыми понижающими трансформаторами. К ним относятся следующие достоинства:
- малый потребляемый ток из электрических сетей общего пользования;
- высокая помехозащищённость;
- небольшой вес;
- простота настроек;
- высокое качество сварного шва;
- стабильные выходные параметры;
- высокая универсальность;
- большой коэффициент полезного действия.
Все эти условия позволили сварочным инверторам завоевать большую популярность. Кроме того, ими довольно просто работать, они не создают помех и скачков напряжения в электрических сетях. Относительно высокая стоимость полностью себя оправдывает качеством работ и широким спектром настроек. Современная полупроводниковая элементная база является гарантией стабильной и безупречной работы даже при нестабильном входном напряжении. Дополнительные функции форсажа дуги, быстрого подъёма стартового напряжения и антизалипания электродов делают работу весьма комфортной. Информативный дисплей даёт возможность контролировать режимы работы, а встроенная память позволяет запоминать режимы сварки.
Принцип действия сварочного инвертора заключается в преобразовании низкочастотного переменного напряжения в высокочастотное импульсное напряжение. Такой сварочный аппарат состоит из следующих основных узлов:
- сетевой выпрямитель с фильтром;
- инвертор, преобразующий постоянный ток в высокочастотный переменный;
- высокочастотный трансформатор;
- выходной выпрямитель;
- дроссель.
Важно помнить, что сварочный инвертор является источником повышенной опасности, поэтому обращаться с ним следует взвешенно и осторожно
При покупке следует обращать внимание на определённые свойства этой интеллектуальной техники, к важным техническим параметрам которой относятся:
- индикация сети и запуска системы охлаждения перед началом работы, иначе силовые полупроводниковые элементы выйдут из строя;
- диапазон температур, при которых прибор может работать, обычно от -10 оС до +40 оС;
- пределы входного, переменного напряжения — от 170 В до 260 В;
- паспортный сварочный ток на большинстве изделий — от 20 до 180 ампер;
- длительность работы при максимальном токе;
- показатели импульсного тока;
- плавная регулировка мощности сварки;
- наличие функции форсажа дуги, стабилизация дуговой сварки особенно важна на вертикальных швах;
- функция увеличения тока при начале работы, называемая горячим стартом;
- отключение при коротком замыкании, препятствующее залипанию электрода.
Как выбрать сварочный инвертор
Для бытовых инверторных агрегатов напряжение должно быть 220 В
Перед покупкой инвертора следует выяснить, какое значение будет иметь мощность оборудования – номинальный сварочный ток. Такие данные производитель всегда прописывает в паспорте модели.
Подобные параметры говорят о силе напряжения, при которой сварочный аппарат не будет перегреваться и работать на пределе возможностей. При этом учитываются периоды отдыха, работы, и соблюдение продолжительности включения.
Если прибор покупается не для регулярного использования, можно остановиться на агрегате с мощностью от 160 до 200 А. Такие модели имеют стандартный набор функций
Важно и сетевое напряжение, при которой будет работать это оборудование. Для бытовых инверторных агрегатов оно составляет 220 В
Однофазные сети делятся по типам на стабильную и нестабильную. Первая имеет следующие особенности. Напряжение скачет от 180 до 254 В.
В эту категорию входят промышленные и бытовые системы. Устройство для сварки будет работать при таких условиях, но с небольшими отклонениями. Нестабильная сеть появляется при использовании удлинителя. Ее можно встретить на садовых участках или гаражах.
Напряжение в этой ситуации отклоняется от нормы. Если агрегат покупается для использования в похожих условиях, то лучше выбрать модель с широким диапазоном рабочего напряжения.
Особенности схемных решений
Электронная схема инверторного аппарата содержит в своём составе несколько блоков, каждый из которых отвечает за определённый шаг в общем преобразовании входного напряжения. За счёт такого распределения функций удаётся сформировать токовые импульсы значительной величины, поддерживающие электрический разряд требуемого качества.
Преобразовательная цепочка импульсного аппарата начинается с низкочастотного выпрямителя, на который подаётся сетевое напряжение 220 Вольт (50 Герц). На его выходе образовавшиеся после выпрямления пульсации сглаживаются конденсаторным фильтром.
После фильтра постоянный ток поступает на непосредственно инвертор (блок высокочастотных транзисторных переключателей), коммутирующий выпрямленное входное напряжение с частотой порядка 55-75 килогерц. За счёт этого осуществляется обратное преобразование выпрямленного напряжения в переменный ток, но уже более высокой частоты.
На следующем этапе переменное напряжение подаётся на понижающий трансформатор, обеспечивающий возможность подключать к вторичной обмотке большую по величине токовую нагрузку.
На выходе трансформаторной схемы осуществляется повторное выпрямление напряжения с целью организации заданного режима сварного тока, поступающее на держатель с электродом.
Даже поверхностное знакомство со схемой инверторного устройства позволяет сделать вывод, что вся цепочка преобразований используется с одной целью – получить на выходе аппарата ток требуемой мощности и качества.
Особенности импульсной сварки
Суть импульсной сварочной технологии – соединение металлических поверхностей посредством коротких импульсов, за счет запаса энергии аккумулятора подключаемого к электрической цепи. Ее отличительной особенностью является возможность выполнения неразъемных соединений металлов, имеющих разнородный состав. Для выполнения сварки импульсным током необходимо специальное оборудование – импульсный сварочник и расходные материалы. Сварочный аппарат – это устройство, который обеспечивает дозирование энергии сварочных импульсов. В качестве расходных материалов используются плавящиеся и неплавящиеся электроды. В зависимости от типа электродов, сварка выполняется двумя способами:
- С использование неплавящихся электродов с помощью импульсной дуги;
- С использованием плавящихся электродов, с контролем проплавления и переноса металла электрода в тело шва и контролем разбрызгивания сварочной капли.
Импульсная сварка представляет собой цикличный контролируемый процесс переноса металла в среде защитного газа:
- Мощный импульс отделяет и переносит одну каплю металла сварочной проволоки на изделие;
- Сила тока падает до значения, позволяющего только поддерживать дугу, но недостаточную для отделения и переноса капли металла;
- В сварочной ванне идет остывание;
- Повторение цикла.
В принципе работы импульсного сварочного аппарата используется преобразование сетевого напряжения в постоянное, после чего происходит преобразование выпрямленного напряжения в высокочастотное. В импульсный сварочник входят:
- Выпрямитель низкочастотный;
- Инвертор;
- Трансформатор;
- Выпрямитель высокочастотный;
- Рабочий шунт;
- Блок управления (электронный).
Общая информация
Начнем с терминов, потому что с ними зачастую возникают трудности. Часто при прочтении статей на данную тему или при общении с другими людьми мы слышим слово «инвектор», но это ошибка в слове. Правильно говорить «инвертор».
Говоря об этом оборудование некоторые считают, что «импульсный инверторный аппарат» и «импульсный сварочный аппарат» это синонимы. Это утверждение ложное, т.к. импульсная сварка применяется в другом виде сварки.
Теперь разберемся с понятием. Сварочный инверторный аппарат один из видов оборудования для сварки. В нем, за счет инвертора, обеспечивается питание дуги.
Инверторные аппараты распространены и имеют спрос на рынке. Первый прототип инверторного аппарата появился в конце XX века. Вскоре инженеры существенно улучшили его устройство, он стал удобен для всех.
Преимущества
- Главным преимуществом, которым обладает такой аппарат – это автоматическое интеллектуальное управление;
- Здесь очень легко задавать режимы, которые будут самостоятельно поддерживаться по специальной схеме;
- Инверторно-импульсный сварочный аппарат Ресанта, а также модели от других производителей, могут работать в нескольких режимах, как в полуавтоматическом, так и в обыкновенном, что обеспечивает универсальное применение.
Недостатки
- Высокая стоимость оборудования, как для рядовых пользователей;
- Габариты многих моделей являются достаточно большими, так что они заметно отличаются от компактных инверторов;
- Перед применением требуется ознакомиться с особенностями работы техники, так как использование ее новичками является довольно затруднительным делом.
Особенности конструкции и принцип работы
Главной особенностью конструкции, которой обладает импульсный сварочный аппарат, является наличие высокочастотного трансформатора. Это устройство понижающего типа, как и в обыкновенных сварочных трансформаторах, только здесь имеется еще дополнительная вторичная обмотка, служащая для питания схемы управления.
Переменный электрический ток, который производится инвертором, поступает на первичную обмотку, которая находится на высокочастотном трансформаторе импульсного аппарата. Напряжение электричества составляет, к примеру, 310 В, а частота несколько десятков кГц. Благодаря тому, что вторичная обмотка имеет меньшее количество витков, напряжение понижается и доходит до уровня 60-70 В. Из-за этого возрастает сила тока, которая доходит до 110-130 А.
Автоматическая система регулирования, которая питается от вторичной обмотки, помогает поддерживать нужный режим сварки. Это сложное устройство, так что в каждой модели и у каждого производителя могут быть свои блоки управления. В любом случае, они обеспечивают высокий уровень качества.
Технические характеристики популярных моделей
Phoenix 301 Car Expert
| Максимальная величина тока сварки | 300 А |
| Технологии | MIG/MAG, ММА, ВИГ-Liftarc, rootArc |
| Блок системы управления | Progress |
| Тип охлаждения | газовое |
| Используемые режимы | двухтактный, четырехтактный, интервальная и точечная сварка |
| Возможность выбора полярности | присутствует |
| Устройство подачи присадочного материала | 4 роликовое |
| Дистанционный регулятор | присутствует |

Сварочный аппарат Phoenix 301 Car Expert
Phoenix 330 Puls
| Максимальная величина тока сварки | 330 А |
| Технологии | MIG/MAG, ММА, ВИГ-Liftarc, rootArc |
| Блок системы управления | Progress |
| Тип охлаждения | газовое |
| Используемые режимы | двухтактный, четырехтактный, интервальная и точечная сварка |
| Возможность выбора полярности | присутствует |
| Устройство подачи присадочного материала | 4 роликовое |
| Дистанционный регулятор | присутствует |

Сварочный аппарат Phoenix 330 Puls
Phoenix 351 Puls 2DV DW
| Максимальная величина тока сварки | 350 А |
| Технологии | MIG/MAG, ММА, ВИГ-Liftarc, rootArc |
| Блок системы управления | Progress – 256 режимов |
| Тип охлаждения | газовое (объем 12 литров) |
| Используемые режимы | двухтактный, четырехтактный, интервальная и точечная сварка |
| Возможность выбора полярности | присутствует |
| Устройство подачи присадочного материала | 4 роликовое |
| Дистанционный регулятор | присутствует |

Сварочный аппарат Phoenix 351 Puls 2DV DW
Особенности выбора
Разобравшись, чем отличается импульсный сварочный аппарат от обыкновенного, стоит обратить внимание на принцип выбора этих изделий
Как и при выборе стандартных инверторов, здесь очень важно подобрать максимальные рабочие параметры. Только здесь все определяется не по максимальному току, а по напряжению, с которым может работать аппарат
Только здесь все определяется не по максимальному току, а по напряжению, с которым может работать аппарат.
В данном случае максимальные характеристики являются лишь началом выбора. Намного более важным моментом является программная составляющая, так как именно она стала главным преимуществом техники такого типа. Тут необходимо учитывать, какие режимы поддерживает, так как это обеспечивает широту сферы использования. Блок управления определяет, насколько технически развитым будет инвертор и в каких режимах он сможет работать.
Также нужно обращать внимание на габариты. Некоторые модели весят около 30 кг и более, что затрудняет их использование во многих сферах
Лучше всего, если массивные аппараты будут иметь систему передвижения в виде приделанных к корпусу колес или прочих решений для транспортировки. Немаловажным пунктом является хорошая система охлаждения, так как при высокой мощности всегда остается риск перегрева и нужно постараться избежать этого.
Импульсный сварочный аппарат своими руками
В домашних условиях можно изготовить сварочный аппарат своими руками. Запчасти для этого устройства можно легко найти в продаже, однако при этом надо учитывать некоторые тонкости.
Особое внимание необходимо уделить транзисторам, так как они быстро выходят из строя. Поэтому на этих деталях лучше не экономить
Самодельный сварочный инвертор оснащается четырьмя транзисторами, которые присоединяются к изолированным радиаторам.
Для того чтобы правильно собрать импульсный сварочный аппарат, необходимо просчитать его мощность и силу тока. Примеры расчетов можно посмотреть в Интернете. Установленный фильтр поможет поддерживать напряжение 220 В. Для сборки своего аппарата понадобятся инструменты и специальные приборы, такие как осциллограф, паяльник, мультиметр, вольтметр и т.д. Во время сборки следует соблюдать технику безопасности.
Достоинства и недостатки
Способ применяется при монтаже ответственных соединений, удобен при монтаже трубопроводов – работать электродом или присадочной проволокой можно в любом положении. Регулировка шага импульсных точек делает этот способ универсальным. У импульсной сварки есть преимущества и ряд возможностей. Плюсы:
- За счет кратковременного импульса капля ровно ложится в зону соединения металлов. Импульсные аппараты позволяют значительно увеличить скорость провара. Появляется возможность соединять детали, для которой обычная электродуговая сварка неприменима, например, соединения тонких листов алюминия.
- Отличное качество шва – валик образуется равномерный, с ровными кромками, он не нуждается в зачистке, дополнительной обработке, проковке.
- Снижается риск прожогов, непроваров, брак бывает в исключительных случаях при нестабильном напряжении.
- Устраняется разбрызгивание металла в ванне расплава.
- Снижается расход электродов или проволоки при работе полуавтоматом до двух раз.
- Расширяются возможности соединения: импульсной сваркой соединяют разнородные металлы.
- Точный контроль момента расплава присадки, стабильность рабочих режимов.
- Во время запуска устраняется риск короткого замыкания.
Минусы:
- Слишком греется преобразователь – необходимо предусматривать надежную систему охлаждения.
- Нельзя использовать на больших площадях.
- Не разработаны модели для бытового применения, промышленные слишком дорогие.
- У ТIG-режима низкий КПД, необходимо регулировать режим подачи присадки.
Особенности импульсной сварки
Когда основной рабочий ток используется в фоновом режиме, а на его фоне импульсами увеличивается силовая нагрузка, капли расплава, образующиеся на электроде, падают упорядоченно. Главный закон технологии сварки: один импульс – одна – капля, из-за электродинамических сил сужается шейка капли, она отрывается от электрода. Регулируя величину пауз между каплями, можно контролировать:
- процесс образования ванны;
- размер наплавляемого валика;
- форму соединения.
Использование импульсов позволяет снизить рабочий ток до нижних пределов. Значительно экономится присадочный материал. Снижается риск непроваров. Направленный перенос расплава позволяет варить низкощелевые соединения любой толщины.
С переменным током
Полуавтоматический сварочный инвертор
Такой аппарат имеет простую конструкцию. По сути это понижающий силовой трансформатор с некоторым количеством выводов вторичной обмотки. Такие приборы делятся на:
- полуавтоматические устройства, работающие при помощи электродной проволоки в среде инертного и защитного газа;
- инверторы для аргоновой ручной электрической сварки с использованием неплавящихся вольфрамовых электродов;
- оборудование для проведения работ контактным способом.
Победа АС 250 (MMA) – функция термозащиты с индикацией перегрева

Этот аппарат инверторного типа выполняет ровный шов во время соединения элементов и стальных металлоконструкций. Подходит для использования в качестве помощи при строительстве на даче или в частной мастерской.
Агрегат подойдет для сваривания цветных, черных металлов и сталей. Небольшая ручка и легкий вес помогают легко переносить “Победу” по рабочей площадке. Модель оснащена эффективной системой охлаждения и функцией термозащиты с индикацией перегрева.
Этот аппарат имеет функции антиприлипания и горячего старта. У инвертора есть ручная дуговая сварка. Работает с мощностью 5 кВт, диаметр электродов от 1,6 до 5 мм. Есть одна фаза при питании. Напряжение холостого хода составляет 65 Вт.
Вес прибора составляет 4 кг. Благодаря своей легкости, инверторный аппарат легко переносить по рабочей площадке. В комплект входит ремень для переноски, держатель электрода, инструкция и клемма – земля. Надежность шва обеспечивается качественной дугой.
Плюсы:
- цена;
- качественная сборка;
- хороший шов.
Минусы:
короткие провода.
БИЗОН 205 ПН-3 (MMA) – не нагревается при работе

Этот крупный российский производитель выпускает оборудование и материалы для строительства и ремонта, а также электрический ручной инструмент.
Бренд производит инверторные аппараты с 2005 г. Защита от короткого замыкания и перегрева, возможность работы при низком напряжении, стабильность поддержки дуги и легкость поджига делают эти приборы очень востребованными.
Инвертор имеет одну фазу питания. Мощность работы составляет 5 кВт. Продолжительность включения при максимальном напряжении 30 %. Агрегат можно использовать при температуре от -10 до 40 °C. Подходит даже для сваривания конструкций в условиях севера. В комплект входит кабель с электро держателем, кабель-земля и зажимы.
Плюсы:
- не греется при работе;
- легкий;
- компактный;
- хорошее качество шва;
- цена.
Минусы:
нет защиты на плате в корпусе.
Aurora STICKMATE 205 (TIG, MMA) – компактный и легкий

Этот бренд из России, но его товары производятся в Китае. Каталог представлен полуавтоматами инверторами для промышленного и домашнего использования. Все они работают в сети с напряжением 220 В и 380 В.
Такие модели подойдут для приваривания швов медных, чугунных, и алюминиевых изделий. Производимые устройства работают от переменного тока в аргоновой среде.
Особенностью этого агрегата является ручная дуговая и аргонодуговая сварка. Максимальное вырабатываемое напряжение составляет 200 А.
Диаметр электродов от 1,2 до 1,6 мм. Присутствует функция горячего старта и антиприлипания. Напряжение холостого хода этого инвертора 58 В. Продолжительность включения при максимальном токе 40 %.
Присутствуют форсаж дуги и функция ВРД. Тип выходного напряжения переменный. Устройство работает при температуре от -25 до +50 °C. Подходит даже для очень жаркого климата. Вес сварочного аппарата 3 кг. В комплект входит один зажим на массу, два кабеля, и держатель электродов.
Плюсы:
- работает от -20 до +50 °C;
- небольшие и габариты;
- цена.
Минусы:
иногда перегревается после 6 часов работы.
ESAB LHN 200i Plus (TIG, MMA) – регуляция частоты сварочного тока

У прибора есть функция горячего старта и форсаж дуги. Напряжение холостого хода составляет 77 В. Продолжительность включения при максимальном токе 40 %.
Устройство обладает весом в почти в 6 кг. Производит на выбор ручную и аргоновую сварочную дугу. Диаметр электродов от одного до 4 мм. Работает при температуре от -20 до 45 °C.
А в аппарате продуманная система охлаждения, которая включает в себя два миниатюрных вентилятора. Инвертор можно использовать для изготовления швов любыми видами электродов. Технология горячий старт позволяет обеспечить стабильность и уверенное розжига дуги.
Частоту сварочного тока можно регулировать во время сваривания. С помощью этого прибора можно соединять элементы из меди, магния, углеродистой стали, нержавеющей стали, титана, легированной стали. Подойдет для сварки труб.
Плюсы:
- два типа сварки;
- цена.
Минусы :
большой вес.
Микроимпульсная сварка
Для работы с дентальными титановыми сплавами в зубном протезировании разработаны аппараты дуговой микросварки, позволяющими соединять тонколистовые элементы не хуже лазеров. Микроимпульсная сварка образует качественное стыковое соединение, не требующее дополнительной обработки поверхности.
Компактное устройство очень удобное, недорогое. Приобретается небольшими зубопротезными лабораториями и крупными ортопедическими центрами. Закрытый корпус, удобный игольчатый наконечник со светодиодной подсветкой – таким аппаратом работают зуботехники, не имеющие опыта сварщика.


















































