Схемы подключения
Стандартные схемы подключения не зависят от выбранного вами способа подсоединения техники к домашней сети и бывают трех видов: одно-, двух- или трехфазными. Если ваша плита рассчитана на 220В, то надо использовать первый вариант, а если на 380В, то применяются второй и третий варианты.
Чтобы узнать схему подключения для приобретенной плиты, надо с тыльной стороны открутить защитную крышку на клеммной коробке — на ней указаны все возможные варианты.
Одна фаза
К однофазной сети осуществляется подключение в городских квартирах многоэтажек, где вся проводка выполнена при помощи трехжильного провода. Чтобы без ошибок подсоединить новую бытовую технику, надо использовать специальные перемычки из меди сечением не менее 6 мм — они обычно присутствуют в распределительных коробках. Если по какой-то причине они отсутствуют, то их легко можно купить в магазине электротоваров.
Соединение выполняется по следующей схеме:
- соединяем шиной винты № 1, 2, 3 с символом L;
- вторая шина соединит винты № 4 и 5, помеченные буквой N;
- оставшийся свободным винт с буквами PE используется для подключения заземления.

Провода распределять надо таким образом:
- черный или коричневый провод — это фаза, подключаем к клеммам L 1, 2 и 3;
- синий или ноль — закрепляется на № 1 и 2;
- зеленый — заземление крепим к соответствующей клемме.
Установленный порядок подсоединения разработан инженерами-специалистами в области электрических приборов и обсуждению не подлежит.
Двухфазное подключение
Подобная схема чаще всего применяется в частных домах, но можно ее применить и в квартире, когда проводка состоит из провода с четырьмя жилами. В этом случае перемычку ставим между винтом №1 и L1, вторую — винты N4 и N5, а винт L2 и для заземления остается свободным (см. схема 2N).
Как правильно подсоединить провода, показано на фото:
- желтый провод подключается к перемычке клемм L1 и L2 — это A фаза;
- красную жилу — к клемме L3, фаза C;
- синяя обмотка — к перемычке нулевых клемм №4 и 5;
- зеленый провод — это стандартное заземление.

Пользователям необходимо запомнить, что вилка при таком подключении используется с четырьмя штырями.
Три фазы
Такой вид подключения используется только в частных строениях или домах очень старой постройки, в современных квартирах практически не используется. Внешняя сложность не должна пугать домашнего мастера — реализация этого подключения довольно легко выполнима при точном выполнении рекомендаций.
Устанавливаемый вариант использует кабель нестандартного сечения с количеством жил 4 или 5 шт., при этом применяется только одна шина для нулевых клемм № 1 и 2, жилы необходимо подключать в таком порядке:
- фаза A — провод желтого цвета подключается к контакту L1;
- B — контакт L2, жила с обмоткой зеленого цвета;
- C — L3, провод красного цвета;
- N — синий провод идет к шине нулевых контактов;
- заземляющий провод подводится к аналогичной клемме.

Перед тем, как включить печку, проверьте подключение всех конфорок электроплиты (схема их подключения есть в инструкции по эксплуатации). Такая щепетильность избавит вас от короткого замыкания, которое может произойти из-за того, что при перевозке ослабло подсоединение проводки в одной из клемм.

После установки плиты на место постоянной дислокации включаем ее — о правильной работе известит индикатор, который расположен на панели управления.
Вот и вся методика самостоятельного подключения электрической плиты, которое не слишком отличается от подсоединения любого электрического бытового прибора. Аналогичным образом подключается и индукционная варочная поверхность. Всем желающим стоит посмотреть это видео, прежде чем приступать к работе:
Схемы подключения популярных плит
Мечта 8
Это одна из самых продаваемых плит прошлых времён. Неудивительно, что на кухнях у многих людей можно увидеть именно её. Она состоит из таких ключевых узлов:
- ТЭН Е1+ Е2,
- ТЭН Е3-Е5,
- S1-S4,
- F,
- индикаторы.
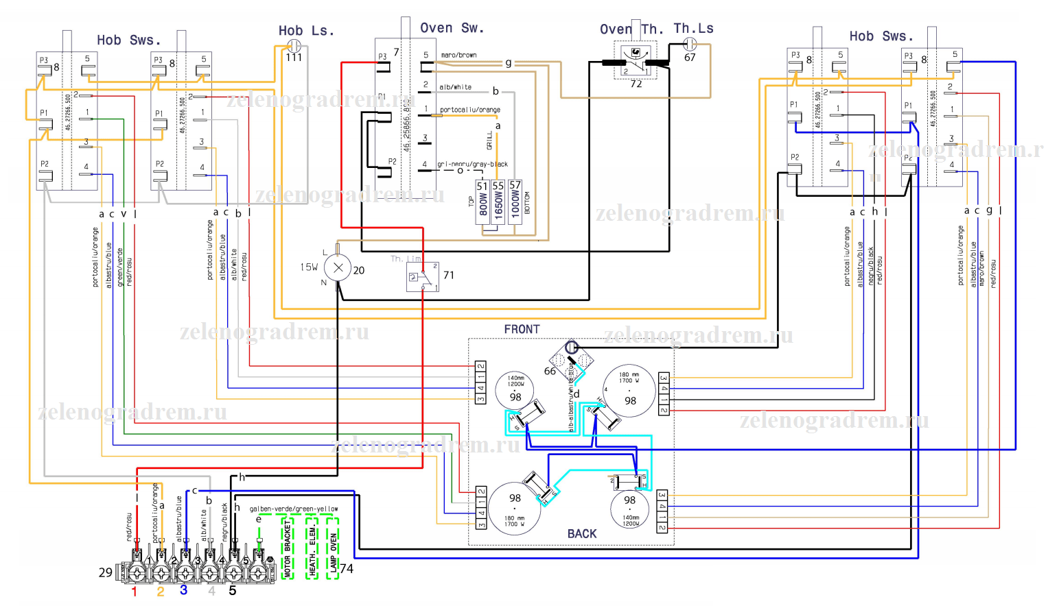
ТЭНы E1-2 располагаются соответственно в конфорке 1 и 2. Это можно легко увидеть на схеме в технической документации плиты. ТЭН Е3-Е5 — это духовой шкаф. S1-S4 представляют собой коммутационный узел, при помощи которого можно осуществлять управление электроплитой.
Индикаторы, имеющиеся в электроплите, согласно схеме бывают двух типов HL1 и HL. Они отвечают за работу ТЭНов. Также в наличии HL3. Но это просто подсветка жарового шкафа, чтобы всегда была возможность посмотреть, в каком состоянии блюдо.
Внимание! В большинстве конструкций используется тепловое реле Т-300. При этом мощность каждого ТЭНа — 1 кВт
За регулировку степени нагрева отвечает переключатель S1. Он имеет четыре позиции, с помощью которых можно обеспечивать разную интенсивность огня. В первом положении замыкаются Р1-2 и Р2-3.
Когда это происходит, то активируется ТЭН E3. При этом ток пройдёт следующий маршрут:
- всё начинается с контакта ХР,
- потом идёт реле F,
- Р1-2,
- Е4-5 + Е3,
- Р2-3.
Первый пункт назначения — это контакт вилки. Данный нагревательный элемент имеет последовательное подключение к четвёртому ТЭНу и к пятому. Мало того, он параллельно соединён со вторым и третьим. Во всём этом вы можете легко убедиться самостоятельно, посмотрев на схему внизу.
Когда происходит переключение в положение под номером два, то активируются Р1-1 и Р2-3. Естественно, цепь, через которую проходит ток, меняется. Всё начинается с контакта вилки, находящегося снизу, который подписывается, как ХР. Потом следуют такие промежуточные точки:
- F,
- Р1-1,
- Е3,
- Р2-3.
Заканчивается всё штекером XP, который сверху. При активации данной цепи запускается исключительно ТЭН E3. Увеличения мощности удаётся добиться за счёт уменьшения сопротивления. Главное достоинство такой схемы подключения конфорки электроплиты заключается в том, что оно является возможным, при неизменном напряжении в сети, которое составляет 220 В.
Для S1 есть позиция номер 3. В таком случае происходит замыкание Р1-1 и Р2-2. Из-за этого происходит подключение ТЭНов Е4+5. Если же говорить про S4, то этот переключатель отвечает за работу лампы. На стандартной схеме работы конфорок электроплиты она имеет обозначение HL3.
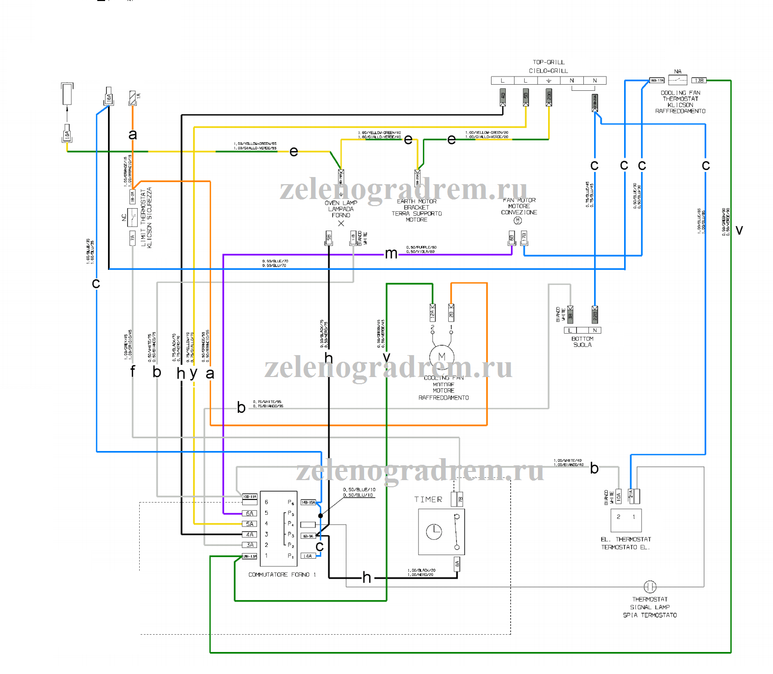
Электра 1002
Второй, самой часто используемой в домах и квартирах электроплитой является Электра 1002. Поэтому знать о её схеме подключения конфорок — просто необходимо. К счастью, она не представляет особой сложности и в ней может разобраться даже новичок.
Итак, в наличии у электроплиты есть четыре конфорки, естественно, схема подключения у каждой из них своя. Первые два нагревательных элемента имеют индексы H1и H2. Их главным отличием является трубчатая структура.
Третья конфорка в схеме подключения электроплиты имеет индекс Н3. Она делается из чугуна и является довольно большой — 200 мм. Н4 также делается из чугуна. Её размер 145 мм.
За регулировку температуры отвечают регуляторы Р1 и Р2. У них, нет как таковых ступеней мощности. Но этот недостаток с лихвой компенсируют семиступенчатые переключатели П3 и П4. В свою очередь, ПШ отвечает за духовой шкаф и имеет 3 позиции.
За блокировку отвечает переключатель П5. Сигнальные лампы конфорок в схеме электроплиты это Л1-4. Пятая Л позволяет подсветить духовой шкаф. Также в наличии Л6. Она включается, когда в шкафу достигается соответствующая температура.
За нагрев духового шкафа отвечают соответственно элементы H5-6. Семёрка — это гриль. Терморегулятор обозначается простой буквой T. Также в наличии клавишный включатель — это B. Седьмая Л освещает духовой шкаф.
Внимание! Моторедуктор обозначается как большая буква M
Схемы для других популярных моделей
Безусловной, электроплиты Электра 1002 и Мечта 8 были одним из самых популярных в своё время. Но сейчас люди предпочитают покупать себе продукцию совсем других брендов, среди самых известных можно вспомнить Gorenje и Нansa. Именно их плиты большинство устанавливает у себя на кухнях.
Также можно вспомнить бренд «Лысьва». Конечно, их плиты сейчас мало кто покупает, если есть возможность приобрести продукцию более респектабельного бренда, тем не менее круг потребителей у компании довольно большой. В общем, ниже вы найдёте схемы подключения конфорок электроплит от самых популярных брендов.
С помощью этой схемы подключения конфорок электроплиты вы легко выполните все работы самостоятельно. Но для их качественного выполнения не помешают хотя бы базовые знания работы электросетей и электрических приборов.
В чём удобство электрических плит
Без плиты нельзя представить себе ни одной кухни. Она является главным инструментом для приготовления пищи. Не имеет значения, завтрак это, обед или ужин. В домах, к которым проведён газ, как правило, используют газовые устройства. Но последнее время всё популярнее становятся именно электрические приборы. И это не удивительно, ведь на них столько всего можно вкусного приготовить, и газопровод для этого не нужен. Тем более сегодня довольно много новых многоэтажек вообще к нему не подключаются. И электроплита – это реально выход из положения.

К тому же они намного безопасней для здоровья. Ведь для них не надо использовать газ, они не сжигают кислород, и у вас не будет болеть голова, даже если вы включите все конфорки одновременно. И вытяжка для неё нужна не настолько мощная, как для газовой. А это значит, что шуметь и потреблять электроэнергии она будет меньше.
А если вы покупаете не только варочную поверхность, но и духовой шкаф, который работает на электричестве, то вообще здорово выигрываете. Поскольку они имеют невероятное количество разных функций, и ими намного удобней пользоваться. И, что главное, для хозяек, процесс их очистки проходит гораздо легче.
Большое преимущество таких устройств – это то, что с ними не надо постоянно держать на контроле температуру. Вы просто выставляете необходимый режим с помощью панели управления, и прибор его автоматически поддерживает всё время. Это позволяет вашему блюду равномернее прогреваться, быстрее и качественнее готовиться. А это точно порадует ваших домочадцев.

Ими очень удобно управлять, они прекрасно справляются со своими задачами и абсолютно безопасны. Но только если правильно их подключить. А установка этих устройств довольно-таки непростая. И именно её часто относят к минусам данных приборов.
Большинство магазинов вместе с продажей электроплиты предлагают услуги электрика, который и подключает устройство. Однако не все это предлагают. А самостоятельно вызывать электрика для того, чтобы он просто подключил прибор, может быть для некоторых семей довольно дорогим удовольствием.
Но услугами специалиста настоятельно рекомендуют пользоваться все профессионалы. Поскольку электроплита – это очень мощный потребитель электроэнергии, безопасность её подключения является главным требованием грамотного использования.
Однако если вы обладаете хотя бы базовыми знаниями в области электротехники, то вполне способны самостоятельно всё сделать, без посторонней помощи. Но для этого надо знать некоторые правила и соблюдать их.
Дальше мы расскажем, как правильно подключать электроплиты. Раскроем некоторые правила и нюансы этого процесса. Если вы внимательно всё прочитаете, то сможете произвести сами подключение Ханса, Горение, Занусси, Электролюкс, Бош, Беко и плиты любой другой фирмы.

Подключение электроплиты своими руками к сети 220 В

Чтобы подключить электроплиту к сети 220 В, вы должны иметь при себе трёхжильный кабель, трехконтактные розетка и вилка, которые имеют силу тока не меньше, чем 32 А. Чтобы не возникало лишних вопросов, хочу заметить, что в наше время производят электроплиты, которые ничем не отличаются по тому, как нужно их подключать. Поэтому, вопросы по типу, как подключить мою электроплиту от определённой фирмы, должны сразу отпасть. Единственное, чем они могут отличаться, это тем, какие у них крышки, прикрывающие клеммную коробку в корпусе. Так же она может иметь разнообразные способы крепления. Что находится внутри необходимого нам пространства абсолютно идентично.
Подключение кабеля к вашей электроплите
Схема подключения электроплиты достаточно проста. Во-первых, вам нужно подсоединить кабель для подключения электроплиты. Внизу задней панели имеется клеммная колодка. Вы ее сразу узнаете, потому что именно на нее выведены совершенно все проводники. рядом с ней, обычно, находятся небольшие схемки, в которых описано то, как подключаться в различных сетях.
Так как мы подробно описываем подключение электроплиты при сети в 220 В, то на схемах необходимо найти именно ее. Проверьте все ли контакты на вашей плите соединены примычками, если нет, то следуйте следующим указаниям. На вашей плите вы должны соединить примычкой первый, второй и третий контакты. Это и будет наша фаза, она имеет красный, коричневый проводник. Вторая примычка должна соединять четвертый и пятый контакты, образовывая нейтраль, имеющую голубой или же синий проводник. А шестой контакт — земля, он имеет зеленый или желтый проводник. Наиболее надежно будет, если, перед подключением ваших контактов, вы сожмете их контактными пластинами. Соблюдайте все цветовые маркировки, чтобы далее не совершить ошибки.
Как установить вашу вилку
Во втором шагу подключение электроплиты своими руками необходимо произвести установку самой вилки. Как уже пояснялось выше, нам нужна силовая вилка, а все силовые вилки имеют разборную конструкцию. Вы должны окрутить крепежные винты, их, обычно, два, и снять крышку от контактов. В этом шаге лучше всего сразу снять и фиксирующую планку, которая придерживает кабель. После снятия защитной изоляции, которая находится с края от гибкого кабеля, проводники должны расправиться. Конец кабеля, снятый от изоляции, необходимо провести к корпусу нашей вилки.
Далее взаимодействуют прижимные винты и жгутики, в которые скрутились многожильные проводники. А именно, жгутики должны скрутиться вокруг контактов, а вышеперечисленные прижимные винты должны затянуть их.
То, как вы подключите все проводники, — очень важно, потому что от этого зависит вся остальная работа. Не торопитесь и делайте все аккуратно и правильно
Во-первых, в верхний контакт нашей вилки должен проходить именно зеленый провод, тот же «земляной», следовательно при подключении нашей розетки землю нужно будет подать в тот же разъем. В нашей розетки остается нетронутым еще два контакта, а именно наша «Фаза» и наш «ноль». Их подключение не зависит от того, куда их подавать, но имеет очень важное значение то, что фаза должна подключаться к фазе, а наш ноль к нулю. Поэтому, стоит внимательно к этому отнестись.
Как же найти, где какой проводник
Чтобы подключить электроплиту в домашних условиях нужно иметь четкое представление о том, где именно находится наша «фаза», «земля» и «ноль». Без этих знаний подключить электроплиту будет невозможно. Найти наше землю будет очень легко. Обычно она располагается где-то наверху или внизу, но отдельно от всех остальных. Остальные два контакта надо находить с помощью индикатора напряжения. Как он работает? Вы должны установить индикатор туда, где находится ваша фаза, а реакцию смотрите по светодиоду на корпусе. В том случае, если наш светодиод загорается, значит напряжение поступает, следовательно это наша «фаза». А у нуля напряжение не проходит, поэтому светодиод не должен загореться.
Подключение электроплиты напрямую. Самостоятельное подключение электрической плиты
Перед тем как начать любые работы по подключению к сети электрического оборудования, нужно тщательно изучить технический паспорт изделия, который должен обязательно прилагаться, а также ознакомиться с такими нормативными документами как ПУЭ 7 издания и ПТЭЭП.
Пошаговая инструкция подключения электроплит electrolux ekc (электролюкс), zanussi (занусси), hansa (ханса), gorenje (горение), bosch (бош), ariston (аристон), beko (веко), hotpoint, indesit (индезит), greta, kaiser (кайзер), aeg, норд эп, самсунг к электросети:
Шаг 1 — Кабели питания, автоматический выключатель и УЗО
Подвод питания электроплиты должен осуществляться независимым кабелем, идущим напрямую в распределительный щит квартиры. Для прокладки кабеля от щита к розетке, можно использовать кабеля марок: ВВГ; ВВГ-нг; ПВС; ШВВП. А от розетки к плите, лучше подключить многожильными проводами, например ПВС или КГ, которые более устойчивые к излому при многократном изгибе во время эксплуатации.
Сечение кабеля зависит он напряжение сети, количества фаз и потребляемой мощности. Зная эти параметры, можно подобрать подходящий кабель из таблицы. Сечение проводников лучше брать с запасом на один порядок больше.

Таблица: подбор сечения кабеля
Подключение должно осуществляться от отдельного автоматического выключателя. Номинальный ток автомата должен быть выше на один номинал, чем ток потребления электроплиты.
Все характеристики электроплиты можно найти в технической документации которая прилагается при покупке, так же их указывают на корпусе. Время-токовая характеристика автоматического выключателя должна быть группы С.
Так же желательно установить и устройство защитного отключения (УЗО), которое обезопасит человека от поражения электрическим током, при случайном прикосновении к неисправному оборудованию. УЗО устанавливается рядом с автоматическим выключателем, и подключается после него. Его номинал должен быть на порядок меньше, чем автомат. Ток утечки на землю не более 30 мА. Все винтовые зажимы должны быть тщательно зажаты, так как через них будет проходить большой ток.
Шаг 2 — Установка розетки
Далеко не в каждой квартире, на кухне есть силовая розетка, предназначенная для подключения мощной техники, потребляющей более 3 кВт. Обычно это однофазная силовая розетка, которая рассчитана на номинальный ток 32 А или 40 А.
Предлагаем рассмотреть, как правильно выбрать и установить розетку для электрической плиты :
- Розетка должна быть выполнена из качественных материалов, и обеспечивать надежный электрический контакт.
- Количество контактов должно соответствовать количеству жил проводов. Запрещается соединять провода вместе, подключая их к одному контакту.
- Для подключения розетки используйте только медный кабель.
- Сечение кабеля должно соответствовать таблице приведенной выше.
- Розетка устанавливается на ровную, не горючую поверхность.
- Если у вас кирпичная стена, накладную розетку желательно установить на специальную подкладку, это не даст основанию розетки треснуть при монтаже.
- Не устанавливайте розетку слишком близко к горячим поверхностям, рукомойникам, железным трубам, оконным и дверным проемам.
- При замене старой розетке, убедитесь что изоляция проводов не повреждена и нет следов перегрева кабеля.
- Цвета проводов должны совпадать назначению проводов, как в розетке, так и в вилке.
- Все винтовые зажимы должны быть закреплены должным образом. Многожильные провода следует предварительно пропаять паяльником, в месте их крепления к контактам розетки.
- После установки розетки, убедитесь в правильности подключения проводов. С помощью мультиметра проверьте отсутствия короткого замыкания.
Электромонтажный комплект
Чтобы подключить оборудование к электросети потребуется подготовить:
- кабель для прокладки линии;
- автоматический выключатель;
- розетку;
- вилку;
- гибкий провод.
Все монтажное оборудование подбирается в зависимости от мощности ВП. Имея его в распоряжении можно приступать к непосредственному электромонтажу. Дополнительно могут потребовать обжимные гильзы, припой, изолента, термоусадочная трубка и прочие мелочи, используемые при работе с электропроводкой. Также в зависимости от выбранного способа подключения нужен подрозетник или распаечная коробка.
Требования к электропроводке и ее прокладке
Для включения встраиваемой электроплиты требуется использование кабеля идущего непосредственно от электрощита
То есть, важно, чтобы он был проложен напрямую без использования распаечных коробок с разветвлениями. Нужно, чтобы кабель питал только варочную плиту
Дело в том, что такое оборудование является очень мощным, поэтому если от провода будет работать и другая техника, то тот может перегреться, вызвав короткое замыкание.
Провод 5 жил для 3-х фазной сети
Если в доме или квартире имеется старая проводка, при этом мощная розетки с прямым кабелем от щита или счетчика не предусмотрена, то потребуется проложить новую отдельную линию. От желаемого места расположения розетки делается вертикальная штроба до потолка. Далее осуществляется горизонтальное штробление непосредственно до точки присоединение кабеля. Если в дальнейшем планируется использование натяжных потолков, то провод можно закреплять прямо на плите перекрытия, поскольку в дальнейшем он будет скрыт.
Кабель в штробе
Прокладка линии для электроплиты осуществляют кабелями 2 видов: ВВГнг-Ls или NYM. Их пропускная способность подбирается отталкиваясь от мощности встраиваемой техники.
Таблица 1. Соотношение сечения жил и мощности варочной поверхности.
| Мощность, кВт | Сечение жил, мм2 | |
|---|---|---|
| 1-фазная сеть | 3-фазная сеть | |
| 3-5 | 2,5 | 1,5 |
| 5-7,5 | 4 | 2,5 |
| 7,5-10 | 6 | 2,5 |
Данные типы кабеля применяются для прокладки линий непосредственно до розетки. Они состоят из моножилы, поэтому имеют слабую гибкость. По этой причине непосредственно от вилки до варочной панели применяются гибкие провода: КГ или ПВС. Зачастую они входят в стандартную комплектацию к электроплите, поэтому их отдельная покупка не требуется.
Гибкий удлинительный провод
Выбор розетки и требования к ее установке
Розетка для включения панели может располагаться в зависимости от особенностей столешницы, а также личных предпочтений
Важно сохранить удобство включения и отключения варочной поверхности. Стандартно ее располагают на высоте 90 см от пола
При желании скрыть коммуникации разрешается фиксировать розетку непосредственно внизу под дном нижних кухонных шкафов. При таком размещение доступ к ней осуществляется через пространство создаваемое высотой ножек тумбочек. Ее следует приподнять над полом на высоту хотя бы несколько сантиметров, чтобы в случае протечки вводы электрические контакты не намокли.
Розетка под тумбой
Включение варочной панели через розетку, а не напрямую к щитку, имеет свои преимущества. Хотя и придется делать более сложный монтаж, но в дальнейшем при влажной уборке плиты ее будет проще отключать. Если же подключаться без розетки и вилки, то потребуется ходить к электрощиту, что не так удобно.
Плиту на 2 конфорки можно запитать через обыкновенную розетку. Для более мощной техники требуются специальные включатели. Они могут быть изготовлены из керамики или пластика. Применяются розетки от 10А.
Выбор автоматического выключателя
Линия для подключения встраиваемой электроплиты должна быть проложена через автоматический выключатель. Это является обязательным требованием, поскольку плита способна создавать перегрузку сети. При критических нагрузках выключатель предотвратит короткое замыкание
Очень важно выбрать его правильно, в соответствии с мощностью плиты. Если сам кабель для панели может использоваться более мощный, то автоматический выключатель должен полностью ей соответствовать
Не стоит экономить на его покупке, поскольку дешевые устройства часто не срабатывают или отключаются даже при работе плиты в нормальном режиме с малой нагрузкой.
Цены на дифавтоматы
Дифавтомат
Стандартный автомат для щита
Таблица 2. Соответствие тока автомата мощности плиты.
| Ток автомата, А | Мощность цепи | |
|---|---|---|
| 220В | 360В | |
| 5 | 1.1 | 2.6 |
| 6 | 1.3 | 3.2 |
| 8 | 1.7 | 5.1 |
| 10 | 2.2 | 5.3 |
| 16 | 3.5 | 8.4 |
| 20 | 4.4 | 10.5 |
| 25 | 5.5 | 13.2 |
| 32 | 7 | 16.8 |
| 40 | 8.8 | 21.1 |
Ремонт стиральных машин «Hansa»
Из кухни в данном случае придется вынести часть мебели. Розетка электроплиты обязательно должна быть заземлена Завершающим этапом является крепление защитной крышки на задней панели электроплиты и включение плиты в сеть. Итак, если мультиметром в или проверки сопротивления прозвонить 2 и 4 контакт, то вы получите самое большое сопротивление, потому что в этой цепочке все три спирали будут соединены последовательно, а при последовательном соединении сопротивления суммируются. В газифицированных домах в основном применяются газовые плиты, но последнее время все больше людей отдает предпочтение электрическим.




Схемы
Вне зависимости от способа подключения через розетку или клемник плиту или варочную панель можно подключить к сети по трем схемам:
- однофазной;
- двухфазной;
- трехфазной.
Для приборов на 220В используется однофазная схема, на 380В двух или трехфазные варианты. Перед тем как подключить электроплиту или варочную панель, ее придется развернуть тыльной стороной и снять защитную крышку с клеммной коробки. Возможные схемы подключения обычно указаны на оборотной стороне устройства.
Одна фаза
Это самый распространенный вариант в квартире многоэтажки. Его можно использовать, когда стыковка выполняется трехжильным проводом. Оно легко выполняется своими руками. Чтобы правильно подключить устройство необходимо использовать перемычки. Они обычно идут в комплекте и зажаты болтами в клеммной коробке. Если их нет, можно приобрести медные перемычки с сечением 6-ть мм. Пять из шести винтов соединяются двумя шинами:
- одна шина соединяет винты обозначенные литерой «L» под номерами 1, 2, 3;
- вторая – используется для соединения номеров 4 и 5, обозначенных литерой «N»;
- последний остается свободным и будет использоваться для заземления.
При соединении провода распределяются следующим образом:
- фаза (черный или коричневый) на L1,2 или 3;
- ноль (синий) на N4 или 5;
- для заземления используется шестая клемма с обозначением PE.
Две фазы
Такая схема чаще применяется для частного дома, но ее можно использовать и в квартире. Стыковка выполняется четрехжильным проводом. В этом случае:
- одна перемычка ставится на L1 и L2;
- другая на N4 и N5;
- L3 и винт для заземления остаются свободными.
Чтобы подключить такую схему:
- желтая жила ставится на фазу A состоящую из клемм L1 и L2, соединенных перемычкой;
- жила в красной обмотке идет на расположенную рядом клемму L3;
- синего цвета ставится на нулевые N4 и N5, состыкованные перемычкой;
- желто-зеленая предназначена для заземления.
Три фазы
Этот вариант предназначен для частного дома, в квартире такая схема применяется редко. Несмотря на внешнюю сложность его так же легко реализовать своими руками. Выполняется кабелем из четырех или пяти жил. Здесь используется только одна шина для соединения расположенных рядом нулевых клемм N1 и N2. Жилы нужно подключить в следующем порядке:
- на фазу A, контакт L1 идет желтая;
- на фазу B, контакт L2 – зеленая;
- на фазу C, контакт L3 – красная;
- для расположенных рядом нулевых клемм предназначена синяя;
- для заземления светло зеленая или желто-зеленая.
При выполнении всех перечисленных работ своими руками необходимо потратить время на консультации со специалистами. Это убережет от непоправимых ошибок и позволит сделать все правильно.
















































