Паяльная станция своими руками
Подобрав необходимые составляющие, можно сделать устройство самостоятельно. На начальном этапе определяются со схемой управления и типом воздействия: контактный, бесконтактный или комбинированный.
Схема
При выборе схемного решения определяются, какой будет станция: аналоговой или цифровой. В первых схемах используется принцип «OFF/ON». При достижении заданной температуры после включения подача напряжения прекращается. После остывания рабочего элемента нагрев жала возобновляется. Решение осуществляется с помощью реле или электронного ключа.
В цифровом варианте управление осуществляет микроконтроллер, в программе которого реализован ПИД – регулятор (устройство с обратной связью в управляющей цепи). При таком же способе управления, как у аналогового варианта, здесь меняется подводимая мощность. Она всегда рядом с номинальным значением. Если температура жала чуть ниже выставленного значения, то мощность нагрева небольшая. Регулятор не торопится её повышать. Как только разность резко увеличивается, то ПИД повышает мощность нагрева.
Необходимые инструменты и материалы
Паяльная станция своими руками собирается по схеме, состоящей из двух блоков:
- платы усилителя мощности;
- блока питания устройства.
Для самодельных паяльных станций ещё понадобятся:
- корпус устройства – подойдёт от старой автомагнитолы;
- дисплей (вольтметр цифровой);
- паяльник;
- печатные платы.
За образец берут одну из рабочих моделей подходящей конструкции.
Усилители мощности
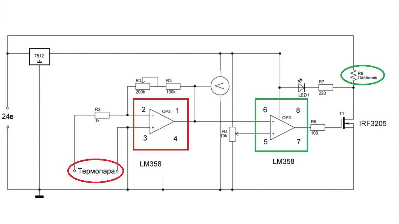
Они же – устройства управления станцией. Схему выполняют на микросхеме lm358. Это операционный сдвоенный усилитель. У него одно плечо работает как компаратор, а второе – как усилитель термопары.
Усилитель на микросхеме lm358
Микросхема собирается на печатной плате. Её можно изготовить самостоятельно из фольгированного текстолита.
Схема станции на базе lm358
Блоки питания
Питание станции осуществляется напряжением 24 В, на базе микросхемы IR2153 или другой с подходящими параметрами.
Блок питания, выполненный на IR2153
При желании, можно обойтись внешним источником питания 24 В, выдающего ток до 4 А.
Устройство, собранное на этом операционном усилителе, работает следующим образом. Сначала паяльник не нагрет. Инвертирующий вход компаратора не имеет напряжения, на выходе у него – питающий плюс, который открывает транзистор. Спираль нагревается и приводит к увеличению значения напряжения на термопаре. На выходе напряжение станет равно нулю тогда, когда напряжения на входах компаратора сравняются. Транзистор закроется, паяльник начнёт остывать. Датчик отметит снижение нагрева, и цикл снова повторится.
Для контроля температуры устанавливается электронный вольтметр. Он калибруется подстроечным сопротивлением при помощи термопары в мультиметре.
Arduino
Это программируемый контроллер на языковой версии С++, имеющий дополнительные методы обработки входящей и исходящей информации. К его разъёмам подключаются различные устройства. В нашем случае – датчик температуры. Ардуино считывает его показания и, обработав, управляет устройством. Микроконтроллер подключается к компьютеру. На ардуино устанавливается ПО, которое выполняет регулировку температуры и мощности.
Настройка
Собранная схема особой настройки не требует, главное – не перепутать полюса питания и правильно подключить термопару.
Для контроля температуры устанавливается электронный вольтметр. Он калибруется подстроечным сопротивлением при помощи термопары из комплекта тестового мультиметра. Если мультиметра нет, то выключается нагретый паяльник, остывает до комнатной температуры. Регулировкой резистора выставляют температуру комнаты, ориентируясь по термометру или данным сотового телефона. Дальше вновь нагревается паяльник и выключается ещё раз с проверкой выставленного значения.
Изготовление своими руками
Высокая стоимость ИК паяльной станции (60-150 тыс. руб.) стимулирует домашних мастеров к изготовлению такого оборудования самостоятельно. При наличии определённого опыта сделать своими руками самодельный инфракрасный паяльник вполне реально. Материальные затраты обычно не превышают 10 тыс. руб. Нужно подготовить материалы и компоненты, необходимые для сборки ИК станции.
Детали для самодельного прибора
Для сборки инфракрасной паяльной станции своими руками понадобится следующее:
- лист жести;
- гибкая спиральная металлическая трубка светильника;
- рычажный штатив от старой настольной лампы;
- галогеновые лампы;
- оцинкованная мелкая сетка;
- алюминиевый профиль в виде узких реек;
- 2 термопары;
- плата Ардуино Mega 2560 R3;
- плата SSR 25-DA2x Adafruit MAX31855K – 2 шт.;
- адаптер постоянного тока 5 вольт, 0,5 А;
- провода.
Сборка
Монтаж паяльной станции состоит из нескольких этапов:
- Термостол;
- Инфракрасный нагреватель;
- ПИД-регулятор на Ардуино.
Термостол
Делать термостол своими руками желательно в условиях оборудованной домашней мастерской. Конструкция представляет собой нижний нагреватель, состоящий из следующих компонентов:
- корпус, отражатель, лампы;
- система крепежа платы;
- гибкая трубка термопары;
- светильник.
Корпус
- Основу термостола изготавливают в виде рамы из Г-образного жестяного профиля. Можно полосы металла согнуть уголком. Ножницами делают вырезы и по ним сгибают металл, соединяя части саморезами.
- Проём закрывают металлической сеткой. Чтобы она не прогибалась, над сеткой протягивают металлические прутки в поперечном и продольном направлениях.
Установка металлической сетки
- Старый галогеновый светильник разбирают, освобождая отражатель от ламп. Его обрезают по внутреннему периметру корпуса.
- Лампы возвращают на место. Нагреватель вставляют в опорную раму снизу.
Монтаж отражателя
Система крепежа платы
Алюминиевую рейку разрезают на несколько отрезков. В них просверливают монтажные отверстия.
Два отрезка профиля закрепляют на широких бортах корпуса, в канавках которых будут передвигаться винтовые фиксаторы поперечных реек. Всё станет понятно из нижнего фото.
Крепёж платы
Гибкая трубка термопары
Спиральную металлическую трубку устанавливают в одном из углов рамы, протягивают провода термопары. Длина трубки должна обеспечивать доступ термопары ко всей рабочей зоне станции.
Светильник
На конце гибкой трубки закрепляют патрон с пятивольтовой лампочкой с отражателем. Основание металлического шланга крепят в углу рамы так же, как и в предыдущем случае.
Верхний нагреватель
Инфракрасный излучатель состоит из двух элементов, это:
- Керамическая пластина в корпусе.
- Держатель.
Крепление штатива к корпусу верхнего нагревателя
Керамическая пластина в корпусе
Дополнительная информация. Вмонтированный в верхнюю плоскость корпуса ИК пластины кулер от компьютера поможет предохранить радиодеталь от перегрева.
Держатель
Для держателя идеально подходит двухсекционный кронштейн настольного светильника. Основание кронштейна крепят к раме станции. Верхний поворотный шарнир соединяют с корпусом верхнего нагревателя.
ПИД-регулятор на Ардуино
Сделанная ИК станция своими руками обязательно комплектуется блоком управления. Для него нужно сделать отдельный корпус. Внутри помещают плату Ардуино и ПИД регулятор. Примерная схема компоновки деталей блока управления станцией видна на фото.
Блок управления ИК станции
Микропроцессорная платформа Arduino Mega 2560 R3 управляет режимами нагрева керамического ИК излучателя и платформы термостола. К плате Ардуино присоединены провода вентиляторов (верхний и нижний), ПИД регулятора, термопар и светильника.
Программирование паяльной станции осуществляется через интерфейс контроллера. Его экран отражает текущий процесс нагрева печатной платы с обеих сторон.
Самодельная ИПС
В роли тестера выступают термопары. Они, в конечном счёте, являются источниками информации о состоянии уровня нагрева тыльной стороны печатной платы и верхней поверхности микропроцессора.
Шаг 2 — Собираем воздушный паяльник
Иногда при пайке, возникает необходимость замены SMD элементов и паяльник с жалом слишком велик для этого. Специально для этих целей применяется воздушный тип устройства. Принцип его работы аналогичен домашнему фену — поток воздуха принудительно продувается через разогретый элемент и переносится к месту пайки, разогревая припой бесконтактно и равномерно.
Для изготовления воздушного паяльника (на фото ниже) можно воспользоваться данной рекомендацией. Его можно сделать из рабочего старого прибора, вставить вместо жала трубку от антенны, по размеру старого жала. Подготовив паяльник так, что бы он был герметичен.

Принудительная подача воздуха происходит с помощью аквариумного компрессора, через трубочки для капельниц.
Видео инструкция сборки термофена для паяльной станции:
Для регулировки температуры потока воздуха можно воспользоваться регулятором напряжения. Идеальный вариант — если отсутствует лишний, рабочий паяльник, можно взять нерабочий и перемотать под низкое напряжение 8-12 вольт. Этот способ предпочтителен, из соображений электробезопасности. Нихром для нагревателя в этом случае может быть кусок провода, спирали от электроплитки 0,8 мм, намотанный аккуратно, без нахлестов. Приблизительно 30 витков на месте старой. Важный момент — это требование к трансформатору, он должен быть мощным, не менее 150 ватт.

Более затратный метод регулирования температуры на горячем конце паяльника — это поддержание выставленных градусов на жале. Для этого дополнительно устанавливается термопара, в одной из наших статей мы рассказывали, как сделать терморегулятор своими руками.
Совместив наши самоделки можно сделать универсальную паяльную станцию своими руками. Самоделка в этом случае будет с регулятором напряжения, которым вы сможете регулировать вход на трансформаторе, тем самым изменяя мощность нагревателя.
В том случае, если необходимо выпаять большую микросхему и для этого необходимо ее хорошо и равномерно прогреть, воспользуйтесь самодельным термофеном с регулятором температуры. Другой вариант — сделать инфракрасную паяльную станцию из керамического патрона для лампы и спирали нихрома, подключенного к понижающему трансформатору. Для контроля температуры на поверхности деталей используется все тот же терморегулятор.

Как работать с инфракрасной паяльной станцией можно посмотреть на видео ниже, там же почерпнуть нюансы работы:
Особенности устройства
Станция имеет такие преимущества как:
- Меню настроек.
- Две кнопки «памяти», то есть два предустановленных температурных режима для паяльника и фена.
- Таймер перехода в спящий режим, установить таймер можно в настройках.
- Цифровая калибровка паяльника, также находится в настройках.
- Построена на бюджетных комплектующих.
- Печатная плата разработана мной под корпус от БП ПК, так что с корпусом тоже не возникнет проблем.
- Для питания станции можно применить ту же плату от блока ПК, немного переделав под нужные 20-24v(зависит от трансформатора), благо размеры корпуса позволяют это сделать. Можно немного укоротить радиаторы, так как для питания нам нужно всего лишь 24v и 2-3 ампера и сильного нагрева силовых транзисторов и диодной сборки не будет.
- В прошивке заложен «Пи» алгоритм регулирования нагрева фена, что даёт равномерный нагрев спирали фена и отсекает ИК излучение в моменты включения фена. В общем при умелом пользовании фена ни одна деталька не «прижарится» раньше времени.
Сборка пошагово на Arduino c ATmega
Паяльная станция на atmega8 не обязательно включает данную модель этого микроконтроллера, это могут быть его разные версии (ATmega328p, 168). Описываемая МК — это база для Arduino UNO — чрезвычайно популярного инструмента программирования электронной начинки паяльных станций, роботов, радиоуправляемых машинок, подобных самоделок, сигнализаций, световой индикации и пр.
Потребуется дисплей на протоколе (интерфейс) I²С и несколько шт. энкодеров:
Вкл./выкл. осуществляется энкодером, после выкл. в памяти МК хранится последнее значение t° паяльника и фена, оборотов кулера. После выкл. на дисплее первого отображается температура, вплоть до остывания до +50° С. Если деактивирован фен, то крыльчатка охлаждает его до +50° C в бесшумном режиме на оборотах в 10 %.
Следующий элемент — БП на 24 В и 2–3 А выходного тока и преобразователь. Их можно сделать самому, если есть опыт и желание паять микросхемы, подбирать элементы, но также можно купить недорого на том же Алиэкспресс. Это изделие именно для подобных сборок, без корпуса — сама основная функциональная начинка. Цена более чем приемлемая. То же относится и к преобразователю DC-DC на LM2596S — его подключаем к БП и настраиваем подстроечным резистором 5 В.
Паяльник и фен продаются как комплектующие
Важно покупать изделия именно на термопаре, а не на резисторе, иначе схему и прошивку придется дорабатывать. В нашем примере оснащение может комплектоваться паяльниками от модельной линейки установок 852D +, 853D, 878AD… и фенами — от 858, 878D, 858D…
Для подключения их к корпусу — разъемы GX16-5 и GX16-8. Приобретен также комплект из 5 жал.
Корпус из металла может создавать помехи, желательно использовать пластиковые коробы. Для данной части можно применять распаячную коробку средних размеров.
Схема и платы
В нашем примере схема и печатная плата контроллера ATMEGA 168, которую мы взяли из популярного примера в сети, доработана (представлена ниже). Отличия от оригинала: подключение дисплея, заменены переменные резисторы и кнопки вкл./выкл. на энкодеры, а также убран стабилизатор на 12 В (фен у нас на 24 В) и на 5 В (заменен на DC-DC преобразователь).
Плата создана стандартным способом — ЛУТом (сплав розе в лимонной кислоте). Симистор на компактном радиаторе. Силовые мосфеты без него, так как нагрев там слабый, переменные резисторы многооборотные. Микроконтроллер подключен классически.
Ниже оригинальная схема, там же список элементов, которые используем и в нашем примере, учитывая сделанные модификации:
Прошивку микроконтроллера делали через Arduino UNO:
Финишный этап: собираем все в единый модуль, настраиваем t° паяльника и фена, для определения значений можно использовать термопару мультиметра. Контрастность дисплея выставляем переменным резистором на переходнике его платы.
Шаг 2 — Собираем воздушный паяльник
Иногда при пайке, возникает необходимость замены SMD элементов и паяльник с жалом слишком велик и неудобен для этого. Для этих целей применяется специальный воздушный фен. Принцип его работы аналогичен домашнему фену — поток воздуха принудительно продувается через разогретый элемент и переносится к месту пайки, разогревая припой бесконтактно, равномерно, и не в одной точке, а в некоторой области.
Воздушный паяльник можно сделать из обычного, вставив вместо жала трубку от антенны, подходящую по размерам. Далее необходимо закрыть все отверстия, предусмотренные для охлаждения. Например, с помощью термостойкой бумаги и мотка медной проволоки, как показано на картинке.

Принудительная подача воздуха происходит аквариумным компрессором, с помощью трубочки для капельниц через часть, куда подключается сетевой шнур.
Для регулировки температуры потока воздуха можно воспользоваться диммером из прошлого способа. Дополнительно рекомендуется перемотать паяльник под более низкое напряжение порядка 8-15 вольт, это значительно повысит безопасность прибора из-за отсутствия опасных для жизни 220 вольт. В качестве нагревателя может служить нихромовая проволока диаметром 0,8 мм от спирали электроплитки. Ее необходимо аккуратно, без нахлестов и коротких замыканий намотать на оправу
Нужно обратить внимание, что также понадобится понижающий блок питания, мощность которого должна быть не менее 150 Ватт. В качестве него можно использовать подходящий сетевой трансформатор

Более затратный метод регулирования температуры на горячем конце паяльника — это поддержание выставленных градусов на нем. Для этого возле жала дополнительно устанавливается термопара, в одной из наших статей мы рассказывали, как сделать терморегулятор своими руками.
Совместив наши самоделки, можно сделать универсальную паяльную станцию, которая будет держать выставленную температуру, что очень удобно и соответствует функционалу недешевых покупных моделей.
Другой вариант — сделать бесконтактную инфракрасную паяльную станцию из керамического патрона для лампы и спирали из нихрома, подключенной к понижающему трансформатору и диммеру для удобной регулировки. Можно также применить и терморегулятор.

Как работать с инфракрасной паяльной станцией можно посмотреть в видео ниже, там же узнать и про нюансы работы с ним:
Термовоздушные станции
Чтобы заработала термовоздушная паяльная станция, катушка индуктивности потребуется с хорошей проводимостью. Параметр номинальной частоты обязан быть на уровне 44 Гц. Дополнительно следует подобрать качественный регулятор для изменения мощности электроинструмента. В качестве насадки обычно используются контакты. Для стабильности исходящей волны резисторы, как правило, устанавливаются ортогонального типа.
Параметр ширины пропускания у них в среднем достигает 55 мк. Чтобы хорошо работа паяльная станция, модулятор на нее подбирается, исходя из типа катушки индуктивности. Если планируется делать электроинструмент средней мощности, то модулятор, как правило, используется саморегулирующий. Обкладка для него применяется довольно редко. Однако для сохранения линейности многие специалисты советуют использовать специальные операционные блоки. Таким образом, разогрев контакта происходит довольно быстро. Температуру за счет данного элемента удастся повысить максимально до 200 градусов.
Благодаря этому работать со стальными поверхностями станет очень удобно. Разъем для заземления целесообразнее подбирать мультисистемный. В данном случае параметр отрицательного сопротивления не должен превышать 44 Ом. Использовать трехжильные кабеля для подачи электроэнергии специалисты не рекомендует. В этом плане лучше доверится четырехжильным типам.
Принцип работы ПС, общие характеристики оборудования
Если утрировать, то принцип работы ПС можно сравнить с обычным паяльником, подключённым через реостат. Однако современная паяльная станция – более сложное электронное устройство, имеющее множество дополнительных функций. К тому же ПС может быть и бесконтактной (воздушной).
Основными функциями современных паяльных станций являются:
- возможность регулировки нагрева жала. Чем точнее и плавней осуществляется регулировка, тем проще работать мастеру;
- обязательное наличие защиты от перегрева;
- температура жала контролируется автоматически, по мере остывания мощность увеличивается.
Каждая модель имеет свои дополнительные функции. При самостоятельном изготовлении можно остановиться на простейшем варианте. Особенно если опыта в создании подобных приборов нет. Но перечисленные параметры обязательны. При отсутствии даже одного из пунктов в характеристиках назвать собранное оборудование станцией будет нельзя.
Как сделать своими руками термовоздушную паяльную станцию
Купить паяльную станцию с феном не каждому по карману, хотя ИК-станции стоят ещё больших денег, поэтому самый простой путь – собрать её своими руками. Однако, следует помнить, что такие воздушные паяльные станции обладают определёнными недостатками:
- Потоком воздуха можно случайно сдуть маленькие детали.
- Поверхность прогревается неравномерно.
- Для разных случаев требуются дополнительные насадки.
Паяльный фен своими руками: универсальная схема
Термофен – специальное устройство, которое нагревает место пайки потоком горячего воздуха.
Проще всего собрать прибор с феном на вентиляторе, а в качестве нагревателя использовать спираль.
Универсальная паяльная станция с феном
Если покупать нагреватель механический, то он достаточно дорогой. И при резких перепадах температур может простой треснуть. Не все могут самостоятельно сконструировать компрессор. В качестве поддувала можно использовать обычный малогабаритный вентилятор. Подойдёт кулер от домашнего ПК. Для знакомства с устройством такого прибора изучим схему паяльной станции своими руками.
Схема паяльной станции с феном состоит из основного блока и манипулятора-термофена, в котором происходит нагревание воздуха
Вентилятор расположим около термофена. К нему аккуратно присоединяем трубку для подачи тёплого воздуха. На торце кулера вытачиваем отверстие под сопло. С противоположной стороны кулер необходимо закрыть, чтобы обеспечить необходимую тягу.
Для более точечного направления тёплого воздуха можно приобрести готовые насадки на сопло термофена
Теперь подошла очередь сборки нагревательного элемента. Для этого необходимо накрутить нихромовую проволоку спиралью на основание нагревателя. Причём витки обязательно не должны касаться друг друга. Витки наматываются с учётом того, что сопротивление должно быть 70-90 Ом. Основание выбирают с плохой теплопроводностью и хорошей стойкостью к большим температурам.
Приступаем к поиску деталей для сопла. Лучше всего для этого подойдёт труба из керамики или фарфора. Оставляем небольшой зазор между стенками сопла и спиралью. Сверху поверхность обматываем изоляционными материалами. Можно использовать асбестовый слой, стекловолокно и т.д. Это увеличит высокое КПД фена, а также позволит брать его руками, не получив ожог. Крепим нагревательный элемент так, чтобы воздух подавался в трубку, а нагреватель находился точно посередине внутри сопла.
Система управления паяльной станцией
Для сборки системы управления самодельной паяльной станции типа фен своими руками в ней необходимо разместить два реостата: один регулирует входящий поток, другой − мощность нагревательного элемента. А вот выключатель обычно делается один как для нагревателя, так и для нагнетателя.
Варианты подключения системы управления к термофену.
Здесь очень важно правильно подключить провода, чтобы они соотносились с реостатами. Затем присоединяем термофен так, чтобы провода соответствовали нужным реостатам и выключателю
Затем присоединяем термофен так, чтобы провода соответствовали нужным реостатам и выключателю.
Сборка и настройка работы паяльной станции
Мощность паяльной станции, как мы уже замечали выше, обычно находится в пределах от 24 до 40 Ватт. Однако если вы планируете паять шины питания и проводники, то мощность прибора должна быть увеличена от 40 до 80 Ватт.
А вот паяльные инструменты на 100 Ватт и больше, как правило, используют для крупногабаритных конструкций из цветмета, которые, в принципе, обладают значительной теплопроводностью
Подробнее о том, как паять феном от паяльной станции, смотрите в этом видео.
Watch this video on YouTube
Общие характеристики и принцип работы
В схему паяльной станции с феном входит блок и манипулятор-термофен, где нагревается воздух. Устройства используются для ремонта сотовых телефонов и бытовой техники. Способы формирования потока воздуха такие:
- Турбинные – воздух подается маленьким крыльчатым электромотором в термофене.
- Компрессорные – воздух подается компрессором, расположенным в главном блоке.
Главным образом компрессорные станции отличаются от турбинных тем, что последние могут сформировать больший воздушный поток, но недостаточно проталкивают воздух через узкие отверстия. Компрессорные же станции более эффективны, когда воздух должен пройти через узкие насадки, используемые для пайки в труднодоступных местах.
Принцип работы станции: поток воздуха проходит через спиралевидный или керамический нагреватель в трубке термического фена, нагревается до требуемой температуры и через специальные насадки выходит на обрабатываемую деталь. Термофен способен обеспечить температуру воздуха 100-800°C. В современных станциях температура, мощность и направление воздушного потока легко регулируются.
В сравнении с прочими станциями (в частности, инфракрасными), недостатки термовоздушных станций следующие:
- Поток воздуха может сдуть мелкие детали.
- Неравномерный прогрев поверхности.
- Требуются дополнительные насадки.
Преимуществом же является то, что турбовоздушные станции гораздо дешевле других.


















































Картинки о дебильному быстро перелистываются. Статья говнище!
Статья фуфло! Пустышка!