Схема автомобильного вольтметра

Схема проекта приведена выше. В микроконтроллере используется AN4 канал АЦП для измерения напряжения на клеммах аккумулятора. На резисторах R1 и R2, на входе АЦП, выполнен простой делитель напряжения. Максимальное измеряемое напряжения входного сигнала в точке AN4 — 4.096 вольта (ограничено использованием внутреннего источника опорного напряжения для аналого-цифрового преобразования). Следовательно, максимальное входное напряжение (VBattery) может быть получено из следующего уравнения:
4.096 В = R2 С*VBattery/(Р1 + Р2), тогда VBattery = 16.93 В.
Диапазон входного напряжения может быть увеличен путем простого опускания значения R2. Стабилитрон ставится параллельно с R2, чтобы предотвратить прохождение напряжение на АЦП микроконтроллера выше 5.1 В. В противном случае, любое случайное высокое входное напряжение может повредить микроконтроллерный порт.

Измеренное напряжение показано на 4-значном светодиодном дисплее с общим катодом. Семь сегментов (а-G) и десятичная точка (ДП) приводятся в движение через а portb из PIC16F1827. Микроконтроллер работает на частоте 500 кГц с использованием внутреннего источника синхронизации. На сборке ULN2003 обеспечивается нужный ток для каждого из общих катодов светодиодного модуля.

Прибор для измерения нескольких пределов
Кто не раз сталкивался с транзисторными конструкциями и схемами знает, что очень часто вольтметром приходится замерять цепи с напряжением от десятков долей одного вольта до сотен вольт. Простой приборчик, изготовленный своими руками, с одним резистором это не осилит, поэтому в схему придется подключить несколько элементов с разным сопротивлением. Чтобы вы поняли, о чем идет речь, предлагаем ознакомиться со схемой, расположенной снизу:

На ней показано, что в схеме установлено четыре резистора, каждый из которых отвечает за свой диапазон измерений:
- От 0 вольт до единицы.
- От 0 вольт до 10В.
- От 0 В до 100 вольт.
- От 0 до 1000 В.
Номинал каждого резистора поддается подсчету, который проводится на основе закона Ома. Здесь используется следующая формула:
R=(Uп/Iи)-Rп, где
- Rп – это сопротивление измерительного блока, возьмем, к примеру. 500 Ом;
- Uп – это максимальное напряжение измеряемого предела;
- Iи – это сила тока, при которой стрелка отклоняется до конца шкалы, в нашем случае – 0,0005 ампер.
Для несложного вольтметра из китайского амперметра можно выбрать следующие резисторы:
- для первого предела – 1,5 кОм;
- для второго – 19,5 кОм;
- для третьего – 199,5;
- для четвертого – 1999,5.
А вот относительная величина сопротивления этого прибора будет равна 2 кОм/В. Конечно, расчетные номиналы не совпадают со стандартными, поэтому резисторы придется подбирать близкими по значению. Далее проводится финишная подгонка, при которой производится градуировка самого прибора.
Особенности девайса

Как сделать электронный светодиодный вольтметр-термометр на микроконтроллере в машину из калькулятора своими руками? Как осуществляется подключение вольметра с амперметром в автомобиле в прикуриватель? Сначала рассмотрим основные особенности автомобильных вольтметров.
Основное назначение устройства заключается в замере параметра напряжения в автомобильной сети. Аналоговые и ламповые девайсы оборудуются шкалой со стрелочным указателем, но в машину лучше поставить цифровой гаджет. В таких приборах все параметры выводятся на дисплей. Стрелочные девайсы постепенно отходят на второй план, сегодня они являются морально устаревшими (видео опубликовано каналом Китай в SHOPe).
https://youtube.com/watch?v=nrwKLjDfqj8
Разновидности
Вольтметры могут быть или стандартными, или комбинированными:
- Ключевой особенностью стандартных вольтметров являются довольно небольшие габариты, это дает возможность поставить девайс абсолютно в любом месте салона в авто. На практике такие устройства чаще всего подключаются к прикуривателю. При таком подключении вольтметр сможет фиксировать напряжения в сети как при заведенном, так и на заглушенном силовом агрегате. В первом случае рабочий параметр должен составить 13.5-14.5 вольт, во втором около 12.5 В.
- Комбинированные устройства. Такие девайсы могут быть также оборудованы тахометрами, амперметрами и даже термометрами. Комбинированные вольтметры считаются более функциональными устройствами, поэтому они более востребованы на рынке.
Цифровые преобразователи вольтметров
На сегодняшний день существует множество различных типов преобразователей, которые устанавливаются в вольтметры. Наиболее распространенными считаются времяимпульсные модели. Дополнительно существуют кодоимпульсные преобразователи.
Отличительной их особенностью от прочих устройств является возможность заниматься поразрядным уравновешиванием. В это время частотно-импульсные модели такой привилегии лишены. Однако с их помощью можно проводить пространственное кодирование, а это в некоторых исследованиях может быть крайне важным. Особенно это касается замеров напряжения в закрытых цепях электричества.
Как правильно подключить вольтметр
Тот, кто не знает, но хочет проверить напряжение на каком-то участке электрической сети, должен задаться вопросом – как подключить вольтметр? Это на самом деле серьезный вопрос, в ответе которого лежит простое требование – подключение вольтметра необходимо проводить только параллельно нагрузке. Если будет произведено последовательное подключение, то сам прибор просто выйдет из строя, и вас может ударить током.

Все дело в том, что при таком соединении уменьшается сила тока, действующая на сам измерительный прибор. При этом сопротивлении его не меняется, то есть, остается большим. Кстати, никогда не путайте вольтметр с амперметром. Последний подключается к цепи последовательно, чтобы снизить показатель сопротивления до минимума.
И последний вопрос темы – как пользоваться вольтметром, изготовленным самостоятельно. Итак, в вашем приборе два щупа. Один подключается к нулевому контуру, второй к фазе. Так же можно проверить напряжение через розетку, предварительно определив, к какому гнезду запитан ноль, а к какому фаза. Или соединяете параллельно прибор к измеряемому участку. Стрелка измерительного блока покажет величину напряжения в сети. Вот так пользуются этим самодельным измерительным прибором.
Вольтметры двойного интегрирования
Цифровой вольтметр постоянного тока двойного интегрирования работает по принципу периодического повторения. При этом возврат исходного кода в цепи осуществляется автоматически. Работает данная система исключительно с постоянным током. При этом частота предварительно выпрямляется и подается на выходное устройство.
Погрешности дискретизации в вольтметрах не учитываются. Таким образом, могут возникнуть моменты несовпадений счетных импульсов. В результате на начало и конец интервала один параметр может сильно отличаться. Однако, как правило, погрешность не является критичной из-за работы преобразователя.
Особая проблема состоит именно в шумовой помехе. В результате она способна значительно искривить показатель напряжения. В конечном счете, это находит свое отображение в величине импульса, а именно его длительности. Таким образом, среди цифровых вольтметров данные типы не пользуются большой популярностью.
СХЕМА ВОЛЬТМЕТРА В АВТОМОБИЛЬ
Современный автомобиль должен иметь бортовой компьютер, где имеются функции мониторинга состояния аккумулятора 12 В. Однако при отсутствии этого модуля, его несложно собрать самому. Вот схема измерителя напряжения на клеммах аккумулятора автомобиля. Он действительно нужен, так как если система зарядки аккумулятора работает неправильно, батарея не получает должное напряжения заряда (около 13.8 В для 12 В батареи). Такая простая электронная система для контроля напряжения автомобильной аккумуляторной батареи и системы зарядки подключается к гнезду прикуривателя и отображает значение выходного напряжения на клеммах батареи на 4-х разрядном семисегментном светодиодном индикаторе.

Микроконтроллер PIC16F1827 является главным элементом в этом проекте, который использует встроенный модуль фиксированного опорного напряжения (FVR), позволяющий очень точно выполнить аналого-цифровое преобразование напряжения батареи. Когда двигатель выключен, напряжение измеряет фактическое выходное напряжение от батареи. Но если двигатель автомобиля работает, он на самом деле измеряет напряжение заряда всей батареи, поступающей из автомобиля по системе зарядки (генератор + выпрямитель). Функциональная блок-схема проекта приведена ниже.

Тут напряжение +5 В для питания микроконтроллера PIC16F1827 является производным от автомобильной аккумуляторной батареи +12 В с помощью любого стабилизатора (например LM7805). Напряжение на клеммах батареи измеряется с помощью АЦП PIC16F1827.

В FVR модуле, внутри МК, выбирается для получения стойкого положительного опорного напряжения значение 4.096 В — для точного аналого-цифрового преобразования. Перед подачей на АЦП, выходное напряжение аккумулятора понижено ниже опорного напряжения с помощью делителя напряжения. Измеренное мгновенное значение напряжения батареи отображается на 4-х разрядном LED дисплее.
Меры безопасности при эксплуатации
Используя любое электрическое или электронное устройство, не предусмотренное производителем автомобиля, следует помнить о мерах безопасности — как для автомобиля, так и для себя.
Во избежание неприятностей достаточно выполнять несколько несложных правил:
периодически во время использования гнезда прикуривателя дотрагиваться рукой до штекера, контролируя его температуру;
припарковав автомобиль на стоянку, вилку прибора из гнезда лучше вытащить, так как не на всех моделях происходит обесточивание при выключении зажигания;
при обнаружении неприятного запаха пластика или, что еще хуже, задымления, источником которого является вставленный в прикуриватель прибор, следует незамедлительно обесточить сеть и, соблюдая предосторожность, извлечь устройство.
Напряжение и сила тока в бортовой сети автомобиля не опасны для жизни человека, но для возникновения пожара от короткого замыкания их вполне хватит.
Простая схема вольтметра-амперметра с преобразователем
Цифровой вольтметр-амперметр с частотным преобразователем включает в обязательном порядке генератор, который следит за изменениями напряжения в электрической цепи. При этом измерение осуществляется поэтапно с интервалами. Генератор в электрической цепи используется линейного типа. Для сравнения полученных данных в устройстве имеется триггер
В свою очередь, для расчета частоты важно использовать счетчик, который принимает дискретный сигнал. Происходит это на выходе преобразователя вольтметра-амперметра
При этом учитывается величина предельного напряжения.
Непосредственно информация поступает на вход вольтметра-амперметра. На этом этапе осуществляется процесс сравнения, а когда возникает импульс, то система фиксирует нулевой уровень. Непосредственно сигнал в вольтметре-амперметре попадает на триггер, и в результате на выходе получается положительное напряжение. Возвращается импульс в исходное положение только после проведения устройством сравнения. При этом учитываются любые изменения предельной частоты, которые сформировались в данном промежутке времени
Также принимается во внимание коэффициент преобразования. Рассчитывается он исходя из показателя силы сигнала
Дополнительно в формуле имеется счетный импульс, который появляется на выходе генератора. В результате напряжение может отображаться только при наличии определенных колебаний, которые возникают в электрической цепи. В конечном счете, сигнал должен дойти до выхода триггера и там считаться. При этом количество импульсов фиксируется в вольтметре-амперметре. Как результат, срабатывает индикатор, который оповещает о наличии напряжения.
Как сделать вольтметр в авто самостоятельно
Несмотря на относительно невысокую стоимость предлагаемых измерительных устройств для автомобилей, многие автолюбители по привычке все делать самостоятельно желают соорудить девайс своими руками.
Что понадобится
Для сборки цифрового вольтметра понадобятся некоторые радиодетали и инструменты.
Приступая к сборке самодельного прибора, следует подготовить:
- паяльную станцию для пайки микросхем, паяльник, флюс и припой;
- схему устройства;
- набор радиодеталей в соответствии со схемой;
- подходящий дисплей;
- провод;
- заготовку для печатной платы с препаратом травления и защиты рисунка.
Нужно действительно быть специалистом в области радиоэлектроники для сборки самоделки, в противном случае, рекомендуется купить готовый прибор в магазине.
При желании изготовить вольтметр в свой автомобиль самостоятельно, можно рассмотреть процесс с применением микросхемы PIC16F676. Делитель напряжения построен на резисторах R1 и R2, а R3 предназначен для регулировки точности показаний. Для защиты системы и сглаживания входных импульсов используется конденсатор C1. Уровень входного напряжения ограничивает стабилитрон VD1. Инвертирующий блок смонтирован на резисторах R11—R13 и транзисторе VT1. Показания выводятся на индикатор (дисплей) BA56-12EWA.
Сборка осуществляется на подготовленную печатную плату по схеме.
На видео представлен процесс изготовления прибора на базе микросхемы PIC16F676.
Характеристика автомобильного вольтметра
Как сделать вольтметр? Как правильно должен подключаться сделанный электронный вольтметр в прикуриватель, какая схема подключения? Для начала давайте ознакомимся с основными характеристиками устройства.
Описание устройства
Как мы уже сказали, цифровой вольтметр предназначен для измерения напряжения. Аналоговое устройство представляет собой девайс, оснащенный стрелочным указателем, а также шкалой. На сегодняшний день такие устройства используются очень редко, в последнее время все большую популярность набирают цифровые девайсы.
Виды
Комбинированный прибор с термометром
Что касается непосредственно видов, то в продаже можно найти либо простые устройства, либо комбинированные.
-
Простой. Такой девайс характеризуется сравнительно небольшими размерами, в результате чего его монтаж допускается фактически в любом место транспортного средства. Поэтому обычно подключение вольтметра такого типа производится в прикуриватель. Таким образом, девайс позволяет производить мониторинг состояния уровня напряжения аккумуляторной батарее как при заглушенном, так и при заведенном двигателе. Если вы решили установить вольтметр своими руками, то вам будет полезно знать, что при заглушенном моторе напряжение должно составлять 12.5 вольт, в то время как на заведенном — 13.5-14.5 вольт.
В том случае, если данный параметр будет более высоким или низким, потребуется произвести диагностику бортовой сети машины. Вольтметр в авто будет незаменимым, будь то стрелочный вариант или цифровой автомобильный, станет незаменимым атрибутом для тех, кто любит отдыхать на природе. С его помощью вы всегда будете знать, какое напряжение в сети вашего транспортного средства и как не допустить его снижения ниже нормы. Ни для кого не секрет, что ориентироваться на штатные сигнализаторы о разряде АКБ — это не совсем правильно, поскольку такие устройства обычно предупреждают водителя тогда, когда предпринимать какие-то действия уже поздно. Схема вольтметра может быть подключена к специальному выносному дисплею, который можно установить в любом месте автомобиле, например, прямо в центральную консоль. - Комбинированный. Что касается комбинированных приборов, то они могут быть дополнительно оснащены термометрами, тахометрами, амперметрами и т.д. Благодаря термометру водитель всегда сможет знать, какая температура в салоне авто или на улице, в моторном отсеке транспортного средства. С помощью тахометра у автолюбителя всегда будет возможность мониторинга количества оборотов мотора. Как правило, если вы покупаете комбинированный гаджет с тахометром, в комплекте должны идти все необходимые датчики, которые позволяют производить замер данного показателя от 50 градусов мороза до 120 градусов тепла. В целом процедура монтажа прибора такого типа в свою автомобиль — не особо сложная процедура, с которой вполне можно справиться своими силами.
Загрузка …
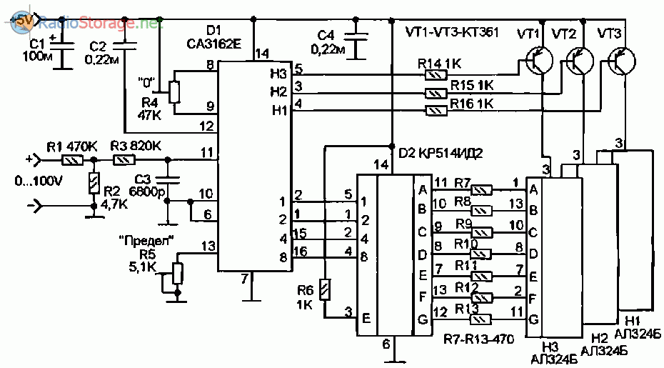
Принципиальная схема вольтметра
Теперь ближе к схеме. На рисунке 1 показана схема вольтметра, измеряющего напряжение от 0 до 100V (0…99,9V). Измеряемое напряжение поступает на выводы 11-10 (вход) микросхемы D1 через делитель на резисторах R1-R3.
Конденсатор C3 исключает влияние помех на результат измерения. Резистором R4 устанавливают показания прибора на ноль, при отсутствии входного напряжения А резистором R5 выставляют предел измерения так чтобы результат измерения соответствовал реальному, то есть, можно сказать, им калибруют прибор.

Рис. 1. Принципиальная схема цифрового вольтметра до 100В на микросхемах СА3162, КР514ИД2.
Теперь о выходах микросхемы. Логическая часть СА3162Е построена по логике ТТЛ, а выходы еще и с открытыми коллекторами. На выходах «1-2-4-8» формируется двоичнодесятичный код, который периодически сменяется, обеспечивая последовательную передачу данных о трех разрядах результата измерения.
Если используется дешифратор ТТЛ, как, например, КР514ИД2, то его входы непосредственно подключаются к данным входам D1. Если же будет применен дешифратор логики КМОП или МОП, то его входы будет необходимо подтянуть к плюсу при помощи резисторов. Это нужно будет сделать, например, если вместо КР514ИД2 будет использован дешифратор К176ИД2 или CD4056.
Выходы дешифратора D2 через токоограничивающие резисторы R7-R13 подключены к сегментным выводам светодиодных индикаторов Н1-НЗ. Одноименные сегментные выводы всех трех индикаторов соединены вместе. Для опроса индикаторов используются транзисторные ключи VT1-VT3, на базы которых подаются команды с выходов Н1-НЗ микросхемы D1.
Эти выводы тоже сделаны по схеме с открытым коллектором. Активный ноль, поэтому используются транзисторы структуры р-п-р.
Как соорудить самодельный вольтметр для машины?
Как своими руками соорудить девайс на светодиодах? Подробное руководство по разработке и подключению этого устройства представлено ниже, для начала рекомендуем узнать описание схемы.

Для изготовления девайса в соответствии со схемой вы должны как минимум обладать навыками и опытом в сооружении подобных устройств. В противном случае добиться желаемого результата будет непросто. Как вариант, всегда можно приобрести готовый вольтметр в магазине с электроникой для машин. Вы можете ознакомиться с примером разработки девайса на pic16f676 со схемой, в которой предел измерения составляет 50 вольт, этого параметра будет достаточно.
На двух резисторных элементах с маркировкой R1 и R2 устанавливается делитель напряжения, а предназначение резистора R3 заключается в калибровке устройства. Конденсаторный элемент С1 применяется для того, чтобы защитить устройство от импульсных помех, с помощью этого конденсатора также сглаживается входной сигнал. В схеме на pic имеется также устройство VD1, представляющее собой стабилитрон, который используется для того, чтобы ограничить параметр входного напряжения, в частности, речь идет о входе контроллера. Этот элемент очень важен, поскольку без него вход МК может попросту перегореть при скачках напряжения в бортовой сети.
Инвертирующее устройство вольтмера собирается на резисторных элементах R11, R12 и R13, также для нормальной работы инвертора потребуется транзистор VT1. Инвертор используется для зажигания точки на индикаторе устройства. К выходу МК нужно подсоединить индикатор с анодом, при этом желательно, чтобы последний имел низкое потребление тока (автор видео канал By гараж #229).
Особенности подключения
Прежде чем заняться подключением устройства на контроллере к бортовой сети автомобиля, нужно понять, где будет располагаться место монтажа девайса в салоне. Выберите любое удобное место, чтобы при необходимости вы всегда могли взглянуть на дисплей вольтметра и определить напряжение в сети.
Ниже рассмотрим пример монтажа в торпеду автомобиля ВАЗ 2113 с подсоединением, сам процесс монтажа выглядит следующим образом:
- Итак, сначала вам нужно снять пластмассовую накладку, установленную с правой стороны от контрольного щитка, в частности, она находится над автомагнитолой. Накладка фиксируется при помощи пластмассовых креплений, так что при снятии следует быть максимально аккуратным. Если вы повредите крепления, то придется ставить новые.
- Затем, с помощью электрического лобзика нужно будет проделать отверстие на заглушке. Размеры отверстия должны соответствовать габаритам дисплея прибора. Будьте осторожны, поскольку надо, чтобы девайс оптимально подошел под сделанное отверстие.
- Монтаж прибора производится на задней стороне пластмассовой накладки, сначала устройство необходимо закрепить в посадочном месте, используя канцелярские резинки. Так надо сделать только вначале, поскольку разумеется, все время так ездить вы не сможете. Когда вольтметр будет зафиксирован, на тыльной стороне все образовавшееся пространство нужно будет залить при помощи сантехнического герметика. Вам надо добиться того, чтобы плата была надежно зафиксирована в месте посадки. После того, как герметик высохнет и вольтметр будет держаться, резинки можно убрать.
- Для подключения девайса к электрической сети транспортного средства можно воспользоваться выходом от компьютерного блока питания. Подойдет этот разъем или нет, зависит от вашего девайса, поэтому если штекер не подходит, то придется паять устройство. После того, как подключение будет завершено, пластиковую заглушку на место. Вокруг экрана устройства можно поставить рамку, с помощью которой улучшится вид дисплея. Вам необходимо добиться, чтобы вольтметр не отвлекал вас при движении, так что если яркость дисплея слишком высокая, ее нужно будет снизить. Как вариант, можно затемнить дисплей обычным женским лаком или установить на экран кусок тонировочной пленки.
- Питание вольметра можно взять от аккумуляторной батареи или замка зажигания. В случае с АКБ он будет работать всегда, а во втором только после включения зажигания. Следует отметить, что второй вариант является более оптимальным, поскольку вы сможете следить за показателями напряжения, при этом не разряжая аккумулятор.
Конструкции и детали стрелочных вольтметров
Вольтметр был смонтирован в пластмассовом корпусе от фотореле «ФР-75А» ТУ 32-1501-75. Вид на компоновку деталей показан на рис.6. Размеры коробки около 122x88x48 мм. Вид устройства в сборе фото в начале статьи. Микроамперметр М4200 без встроенных резисторов, при их наличии, резисторы нужно удалить из корпуса микроамперметра.
Микроамперметр можно заменить М42300 или другим аналогичным, например, М4260. М2003-М1. Чтобы не переделывать шкалу, токоограничительные резисторы можно пересчитать под другие значения диапазонов, например: 0.5, 5.0, 50, 500 Вольт.
Переключатель SA1 – счетверенный П2К с зависимой фиксацией с двумя группами контактов, соединенными параллельно. Перед монтажом переключатель следует разобрать, контакты очистить от окислов, пластиковые корпусы кнопок изнутри вычистить и промыть этиловым спиртом. При сборке переключателя трущиеся пластмассовые и металлические части можно смазать густой силиконовой смазкой для оргтехники.
Терморезистор RT1 установлен на текстолитовых стойках, применен сопротивлением около 300 Ом от электронного балласта компактной электролюминесцентной ламы «Camelion LH26- AS-M Е27 Т3», обозначен как MZ5. Подойдет любой аналогичный сопротивлением 270… 330 Ом при комнатной температуре. Чем мощнее лампа, тем меньшего сопротивления терморезистор в ней может быть установлен. При формовке его жестких выводов не повредите корпус терморезистора.
Резистор R1 проволочный мощностью 5…7 Вт. В процессе работы и перегрузки прибора этот резистор не нагревается, применение обычных металлопленочных и углеродных резисторов на его месте нежелательно из-за разбрызгивания, выгорания токопроводящего слоя в момент перегрузки, из-за чего изменяется сопротивление резисторов, с последующим их обрывом. Остальные резисторы любого типа общего применения, R3 – R5 припаяны к соответствующим контактам SA1.
Вместо диодов 1N4007S можно установить любые из серий 1N4001 – 1 N4007, UF4001 – UF4007, КД209, КД243, КД247. Диоды припаяны к лепестковым контактам микроамперметра. Лампа тлеющего разряда HL1 малогабаритная импортная оранжевого свечения, была выбрана из нескольких десятков, самой яркой оказалась миниатюрная лампочка от подсветки клавиш импортных роторных выключателей. Неплохой результат был и у тиратронов МТХ-90, но их размеры намного больше и меньше угол обзора.
Лампа приклеена к внутренней стороне прозрачной крышки корпуса цианакриловым клеем. Сенсор Е1 сделан из металлического корпуса импортного германиевого транзистора типа SFT352, учитывайте, что ни один из его выводов не соединен с корпусом транзистора. Можно использовать имеющие немного другие размеры корпуса отечественные транзисторы МП39, ГТ402 и аналогичные.
На разноцветные щупы XI, Х2 надеты термоусадочные трубки разных цветов, что облегчает их идентификацию, когда на рабочем столе используется несколько измерительных приборов. Перед настройкой вольтметра установите стрелку прибора регулировочным винтом на нулевое деление шкалы. Настройку начинают с подбора резистора R1.
Если не удастся подобрать одиночный проволочный резистор необходимого сопротивления, можно установить два последовательно включенных проволочных резистора: первый мощностью 5 Вт сопротивлением 47 или 51 Ом, второй мощностью 2…3 Вт сопротивлением 3…12 Ом, также можно применить самодельный.
После поочередно подбирают сопротивление резисторов R3 – R5. При отсутствии мощных резисторов подходящего сопротивления, можно установить на их место резисторы чуть большего сопротивления, а параллельно с каждым из этих резисторов включить по 2 шт. последовательно включенных резисторов мощностью 0.25 Вт сопротивлением сотни кОм – единицы МОм.
После необходимых проверок изготовленного прибора не испытывайте из любопытства защиту на RT1 ненужными перегрузками. Если понадобится этим вольтметром найти фазный провод сетевой проводки, желательно переключить SA1 в положение «750 В», что повысит безопасность его использования.
Какие типы бывают
Аппараты такого рода относятся к приборам, выполняющим непосредственный отсчёт при определении значения напряжения. Основным требованием к таким устройствам считают высокое внутреннее сопротивление. При параллельном подключении к участку, на котором нужно протестировать величину напряжения, он не должен оказывать на него никакого влияния.
Если провести классификацию приборов, измеряющих напряжение, то можно выделить следующие пункты:
- особенность (принцип) работы;
- цель применения;
- структуру и методы использования.
Приборы делят на два вида: электромеханические и электронные. Первые представляют собой конструкцию, в которую входят электромеханический механизм и отображающее результат устройство. Вторые делятся на приборы аналоговые и цифровые.
Внимание! Название «электромеханический» означает, что все эти конструкции: электромагнитные, магнитоэлектрические и другие, производят отклонение электроизмерительной системы под воздействием электричества. Электромеханический вольтметр электромагнитной системы
Электромеханический вольтметр электромагнитной системы
Аналоговые устройства в дополнение к набору шунтов включают в свой состав усилитель. Это узел, позволяющий увеличить нижний интервал измерений и повысить Rвх, а также проводить измерение постоянного и переменного напряжения.
Цифровой вольтметр отображает на дисплей данные в цифровом формате. Схема допускает преобразование напряжения в электрический код при помощи аналого-цифрового устройства.
Тестеры по цели применения позволяют выполнять следующие опции:
- измерение разности потенциалов постоянного тока;
- определение величины напряжения переменного тока;
- замеры импульсных напряжений;
- фазочувствительные измерительные аппараты;
- универсальные устройства;
- приборы избирательного (селективного) действия.
Структура, строение и способы использования позволяют применять вольтметры для стационарного размещения, щитового расположения и для измерений в полевых условиях (переносные).
Разновидности МИ по назначению
В соответствии с целевым предназначением, МИ подразделяют на следующие типы:
- Грунтовые модели, предназначенные для изысканий под землей в верхних слоях почвы. Приборы этой категории наиболее распространены среди поисков металлов и кладоискателей, способных собрать металлоискатель своими руками в домашних условиях. Простейшая самоделка обладает низкой точностью и не всегда различает металлы разного вида. Профессиональные приборы могут выявить небольшие золотые крупинки, проигнорировав прочие металлы.
- Глубинные модели, рассчитанные на обнаружение целей на глубине до 6 метров. Однако «увидеть» они могут только крупные предметы площадью свыше 400 кв. см. Глубинные приборы востребованы инженерными службами в качестве трассоискателей, геологами – как специализированные георадары для поисков самородного золота и т.п.
- Подводные устройства металлопоиска, работающие под водой. К ним предъявляются повышенные требования к герметичности поисковой системы. Условия работы подводного МИ в морской и пресной воде значительно различаются. У подводных детекторов используется только звуковая индикация.
Обратите внимание! Подводные МИ можно применять на поверхности в режиме обычного грунтового металлоискателя. Поисковикам необходимо только подогнать длину штанги и положение упора, чтобы было удобнее пользоваться прибором
- Специальные металлодетекторы:
- охранные устройства для обнаружения металлоизделий в багаже, в одежде либо на теле человека при досмотре;
- промышленные металлодетекторы в составе конвейерных линий, сигнализирующие о наличии металлов в продукции;
- армейские приборы, обобщенно называемые миноискателями;
- детекторы, настроенные исключительно на золотые предметы.
На рис. ниже показан ручной досмотровый металлодетектор.
Досмотровый металлодетектор
Погрешности измерений
Погрешность измерений вольтметра напрямую связана с При этом следует учитывать напряжение наводки на выходе. Чаще всего помехи общего вида изменяют параметры сопротивления. В результате данный показатель может значительно уменьшиться. На сегодняшний день имеется три проверенных способа борьбы с разного рода помехами в вольтметрах. Первый прием заключается в применении проводов экранированного типа
При этом вход электрической цепи очень важно изолировать от оборудования
Второй способ заключается в наличие интегрирующего элемента. В результате период помехи можно значительно уменьшить. Наконец, последним приемом принято считать установку специальных фильтров на вольтметры. Основной их задачей является повышение сопротивления в электрической цепи. В результате амплитуда помехи на выходе после блока значительно уменьшается. Также следует отметить, что многие системы преобразователей способны значительно увеличить скорость измерений. Однако при повышении производительности снижается точность регистрации данных. В итоге такие преобразователи могут быть причиной больших помех в электрической цепи.


















































