Стабилизатор напряжения с применением транзистора
Преобразователи напряжения импульсные
Если дополнить конструкцию со стабилитроном эмиттерным повторителем, получится параметрический стабилизатор на транзисторе и стабилитроне с лучшими параметрами в отношении тока нагрузки.
В данной схеме напряжение на нагрузке определяется разностью между падением на стабилитроне и переходе база-эмиттер. Стабилизация происходит потому, что разность потенциалов перехода база-эмиттер слабо зависит от тока эмиттера.
Включение усилительного элемента позволяет увеличить ток нагрузки в Вst раз, где Вst – статический коэффициент передачи. Используя составной элемент (схема Дарлингтона), можно еще больше увеличить допустимый ток нагрузки до нескольких ампер.
Схема Дарлингтона
Схема параметрического стабилизатора напряжения на транзисторе обладает недостатками. Некоторая нестабильность напряжения на переходе база-эмиттер ухудшает коэффициент стабилизации конструкции в целом. Снижение мощности нагрузки ниже определенного минимума вызывает повышение выходного напряжения (для кремниевых компонентов на 0.6 Вольт, поскольку ток базы становится равным нулю).
Прослушивание.
Если вы обычно слушаете усилители со стабилизаторами на LM317 и им подобным, то прослушивание усилителя со стабилизатором без обратной связи поначалу может вызвать у вас шок!
Первое, что вас удивит — кажущаяся потеря динамики. Я считаю, что LM317 добавляет «лишней скорости звуку», искажая тем самым истинное звучание фонограммы. Закрытое прослушивание показало, что стабилизаторы без ОС удаляют из звука весь мусор, который привносит LM317.
Потратьте немного времени на привыкание к новому звуку. На это уйдет не больше часа. Но я уверен, что вы будете восхищенны конечным результатом.
Для меня это было сравнимо с тем, когда я первый раз попробовал сырую рыбу.
Просто забудьте про ваши предрассудки!
Теперь немного сравнительных тестов. Я сравнивал стабилизатор на LM317, на лампах и стабилизатор без обратной связи.
1. LM317 как стабилизатор цепей накала и LM317 с двухзвенным фильтром помех. Последний вариант дает более детальный звук.
2. LM371 как стабилизатор цепей накала против безоосного стабилизатора. Второй вариант дает большую динамику и повышает детальность в верхнем диапазоне, что приводит к расширению стереобазы.
3. Выпрямитель на кенотроне и стабилизатор на лампах против безоосного стабилизатора анодного напряжения. Второй вариант даёт в звучании большую динамику и детальность. Ламповый стабилизатор дал более «жирный» звук.
Для получения максимального эффекта необходимо использовать для питания каждой лампы отдельный стабилизатор. Это несколько удорожает, усложняет и утяжеляет конструкцию. Но, поверьте мне, оно того стоит!
Кроме этого я провел много сравнительных прослушиваний для конденсаторов. В результате я остановился на пленочных конденсаторах фирмы WIMA. Я услышал четкие различия в звучании между плёночными и электролитическими конденсаторами. Пленочные гораздо предпочтительнее.
В своей системе я могу на слух отличить какие используются конденсаторы — пленочные или электролитические даже в цепях накала ламп.
Если вы хотите получить достойный результат, будьте готовы использовать качественные материалы!
Статья подготовлена по материалам журнала AudoiXpress.
Удачного творчества!
Замечание от главного редактора «РАДИОГАЗЕТЫ»: мнение редакции может частично или полностью не совпадать с мнением авторов статей.
Так как приходят вопросы по реализации описанных схем на доступных элементах, для примера привожу схему собранную и опробованную в работе.
Здесь интегральный источник тока J310 заменён на более доступную микросхему LM317L, включенную по схеме стабилизатора тока. Можно использовать и источники тока на полевых транзисторах.
Резистор R3 задаёт выходное напряжение (подбирается). Качество стабилизации этой схемы сильно зависит от параметров транзистора Т1. Сюда надо выбрать транзистор с максимальной крутизной и минимальным сопротивлением открытого канала. Отлично показал себя CEP50N06. Из более доступных стоит попробовать IRFZ44.
Важно иметь в виду, что управляющее напряжение на транзисторе порядка 3,5-4В и для нормальной работы источника тока необходимо напряжение около 3,5В. Поэтому разница между входным и выходным напряжениями такого стабилизатора должна быть не менее 8В! Это несколько снижает КПД этой схемы и при больших токах нагрузки требует использования радиаторов приличных размеров
Настоящего аудиофила такие трудности не остановят
Что это такое
В литературе дается следующее определение:
Стабилитрон или диод Зенера это прибор, предназначенный для стабилизации напряжения в электрических цепях. Работает при обратном смещении в режиме пробоя. До наступления пробоя имеет высокое сопротивление перехода. Протекающие при этом токи незначительны. Широко используются в электронике и в электротехнике.
Если говорить простыми словами, то стабилитрон предназначен для стабилизации напряжения в электронных схемах. В цепь он включается в обратном направлении. При достижении напряжения, превышающего напряжение стабилизации, происходит обратимый электрический пробой pn-перехода. Как только оно понизится до номинала, пробой прекращается, и стабилитрон закрывается.
На нижеприведенном рисунке представлена графическая схема для чайников, позволяющая понять принцип действия диода Зенера.
Основными преимуществами является невысокая стоимость и небольшие габариты. Промышленность выпускает устройства с напряжением стабилизации о 1,8 — 400 В в металлических, керамических или корпусах из стекла. Это зависит от мощности, на которую рассчитан стабилитрон и других характеристик.
Для стабилизации высоковольтного напряжения от 0,4 до нескольких десятков кВ, применяются стабилитроны тлеющего разряда. Они имеют стеклянный корпус и до появления полупроводниковых приборов применялись в параметрических стабилизаторах.
Аналогичными свойствами обладают приборы, меняющие свое сопротивление в зависимости от приложенного напряжения – это варисторы. Между стабилитроном и варистором разница заключается в том, что последний обладает двунаправленными симметричными характеристиками. А это значит, что в отличие от диодов, он не имеет полярности. Кратко варистор предназначен для обеспечения защиты от перенапряжения электронных схем.
Для предохранения аппаратуры от скачков напряжения применяют супрессоры. Между стабилитроном и супрессором отличия заключаются в том, что первый постепенно изменяет свое внутреннее сопротивление в зависимости от приложенного напряжения. Второй при достижении определенного порога напряжения открывается сразу. Т.е. его внутреннее сопротивление стремится к нулю. Основное назначение супрессоров — защита аппаратуры от скачков питания.
На рисунке ниже представлено условно графическое обозначение (УГО по ГОСТ) полупроводника и его вольт-амперная характеристика.
На рисунке цифрами указан участок 1-2. Он является рабочим и предназначен для стабилизации напряжения в цепях. Если прибор включить в прямом направлении, то он будет работать как обычный диод.
Рекомендуем посмотреть следующий видеоролик, чтобы подробнее изучить принцип действия стабилитрона, обозначение элементов и область их применения.
Waden › Блог › LED. LM317 в стабилизаторе тока светодиодов. Или как надежно запитать светодиоды чтобы стабильно работали, не моргали и не сгорали.
Если мы устанавливаем светодиоды в цепочки (последовательное соединение) или подключаем параллельно добиться одинаковой светимости можно только если протекающий ток будет через них одинаков.
Еще хочу заострить внимание на том что светодиоды очень боятся обратного напряжения, оно очень низкое 5 — 6 вольт, импульсы обратного тока (а автомашинах) способны значительно сократить срок службы. Значить как сделать самый простой стабилизатор тока?
Значить как сделать самый простой стабилизатор тока?
Для этого берем LM317 если нужно стабилизировать ток в пределах до 1 ампера или LM317L если необходима стабилизация тока до 0,1 А. Даташит можно скачать здесь!
Так выглядят стабилизаторы LM317 с рабочим током до 1,5 А.
А так LM317L с рабочим током до 100 мА.
Для тех кто не знает Vin — это сюда подается напряжение, Vout — отсюда получаем…, а Adjust вход регулировки. В двух словах LM317 это стабилизатор с регулируемым выходным напряжением. Минимальное выходное напряжение 1,25 вольта (это если Adjust «посадить» прямо на землю) и до входного напряжения минус наши 1,25 вольта. Т.К. максимальное входное напряжение составляет 37 вольт, то можно делать стабилизаторы тока до 37 вольт соответственно.
Для того чтобы LM317 превратить в стабилизатор тока нужен всего 1 резистор!
Схема включения выглядит следующим образом:
С формулы внизу рисунка очень просто рассчитать величину резистора для необходимого тока. Т.е сопротивление резистора равно — 1,25 разделить на требуемый ток. Для стабилизаторов до 0,1 ампера мощность резистора 0,25 W вполне годиться. На токи от 350 мА до 1 А рекомендуется 2 вата. Для тех кто не хочет считать привожу таблицу резисторов на токи для широко распространенных светодиодов.
Ток (уточненный ток для резистора стандартного ряда) Сопротивление резистора Примечание20 мА 62 Ом стандартный светодиод30 мА (29) 43 Ом «суперфлюкс» и ему подобные40 мА (38) 33 Ом «суперфлюкс» и ему подобные80 мА (78) 16 Ом четырехкристальные350 мА (321) 3,9 Ом одноватные750 мА (694) 1,8 Ом трехватные1000 мА (962) 1,3 Ом 5 W
А теперь пример с учетом всего выше сказанного. Сделаем стабилизатор тока для белых светодиодов с рабочим током 20 мА, условия эксплуатации автомобиль (сейчас так моден световой тюннинг…).
Для белых светодиодов рабочее напряжение в среднем равно 3,2 вольта. В автомашине (легковой) бортовое напряжение колеблется (в опять же среднем) от 11,6 вольт в режиме работы от аккумулятора и до 14,2 вольта при работающем двигателе. Для российских машин учтем выбросы в «обратке» (и в прямом направлении до 100 ! вольт).
Включить последовательно можно только 3 светодиода — 3,2*3 = 9,6 вольта, плюс 1,25 падение на стабилизаторе = 10,85. Плюс диод от обратного напряжения 0,6 вольта = 11,45 вольта.
Полученное значение 11,45 вольта ниже самого низкого напряжения в автомобиле — это хорошо! Это значит на выходе будет всегда наши 20 мА независимо от напряжения в бортовой сети автомобиля. Для защиты от выбросов положительной полярности поставим после диода супрессор на 24 вольта.
P.S. Подбирайте количество светодиодов так чтобы на стабилизаторе оставалось как можно меньше напряжения (но не меньше 1,3 вольта), это надо для уменьшения рассеиваемой мощности на самом стабилизаторе
Это особенно важно для больших токов. И не забудьте, что на токи от 350 мА и выше LMка потребует радиатор
наша схема:
В принципе супрессор для дешевых светодиодов можно и не ставить, но диод для в автомобиле обязателен! Рекомендую его ставить даже если вы просто подключаете светодиоды с гасящим резистором.
Как рассчитывать сопротивление резистора для светодиодов я думаю описывать излишне, но если надо пишите на форуме.
Еще забыл: — по схеме, если непонятно! На К1 подаем плюс «+», а на К2 минус (на шасси автомашины садим).»
P.S.: Я просто выложил статью, автор не известен, увы, подсказать по каждому конкретному случаю не могу!
P.P.S: Подписываемся на мой «спорткар»: www.drive2.ru/r/hyundai/875516/
Виды стабилизаторов
В простейшем варианте применяют ограничитель сил тока из резистора, установленного последовательно в цепь со светодиодом. Стандартные приборы подключают к источникам 5V (12V). Увеличивая напряжение, можно улучшить точность, однако при этом снизится КПД.
Максимальные значения электрических параметров источника должны быть на 10% больше рабочих значений светодиода. Падение напряжения указано в сопроводительной документации. Для расчета резистора (R) применяют следующую формулу:
(Uп – Uc)/ Iпот,
где:
- Uп – напряжение источника питания;
- Uc – падение на светодиоде;
- Iпот – ток потребления.
Пример:
- Uп = 5 V;
- Uc = 2,5 V;
- Iпот = 0,25 А;
- R = (5-2,5)/0,3 ≈ 8,33 Ом;
- ближайший номинал – 8,45 Ом;
- мощность резистора = 0,3*0,3*8,45 ≈ 0,75 Вт.
К сведению. Последняя строка расчета наглядно демонстрирует энергетические потери. Нагревающийся резистор будет повышать температуру окружающей среды.
Усовершенствованные схемы собирают из следующих компонентов:
- трансформатором изменяют нужным образом амплитуду сигнала;
- для выпрямления применяют обычный мостик из диодов;
- конденсаторами сглаживают пульсации;
- резисторами ограничивают выходные токи.
Транзисторный стабилизатор напряжения и тока отличается экономичностью. Электрическое сопротивление во входной цепи устанавливают в качестве датчика. Этот компонент дополняет стабилитрон. Изменение напряжения на эмиттере позволяет регулировать выходные параметры автоматически без контроля и вмешательства со стороны пользователя.
Аналогичные функции вместо стабилитрона способен выполнить эмиттерный переход биполярного транзистора при соответствующем включении в электрическую схему.
Полевой транзистор применяют для подключения цепочек из нескольких светодиодов, других мощных нагрузок
Вместо набора из нескольких радиодеталей удобнее пользоваться специализированными микросхемами. Такие изделия обеспечивают высокую точность поддержания рабочих параметров выходного сигнала. Как в примере со стабилитроном, в определенной цепи устанавливают резистор для оперативного детектирования изменения силы тока.
Отдельно следует отметить импульсные схемы стабилизаторов. Такие изделия создают на основе быстродействующих электронных ключей. Главной особенностью является возможность оперировать с относительно высокими значениями выходных напряжений.
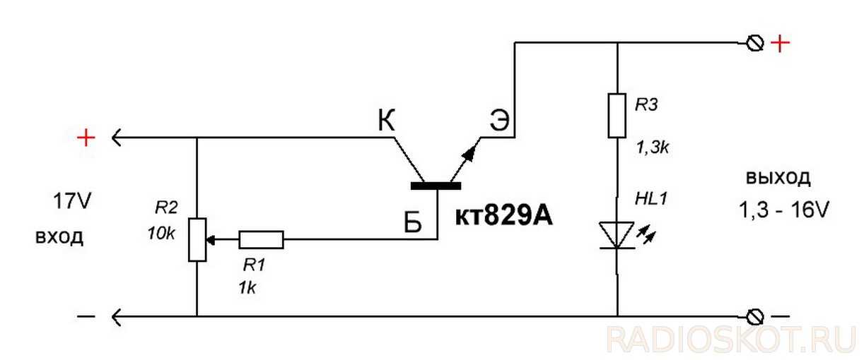
Схема номер 1

Имелся стабилизированный импульсный блок питания, дающий на выходе напряжение 17 вольт и ток 500 миллиампер. Требовалось периодическое изменение напряжения в пределе 11 – 13 вольт. И общеизвестная схема регулятора напряжения на одном транзисторе с этим прекрасно справлялась. От себя добавил к ней только светодиод индикации да ограничительный резистор. К слову, светодиод здесь это не только «светлячок» сигнализирующий о наличии выходного напряжения. При правильно подобранном номинале ограничительного резистора, даже небольшое изменение выходного напряжения отражается на яркости свечения светодиода, что даёт дополнительную информацию о его повышении или понижении. Напряжение на выходе можно было изменять от 1,3 до 16 вольт.

КТ829 — мощный низкочастотный кремниевый составной транзистор, был установлен на мощный металлический радиатор и казалось, что при необходимости он вполне может выдержать и большую нагрузку, но случилось короткое замыкание в схеме потребителя и он сгорел. Транзистор отличается высоким коэффициентом усиления и применяется в усилителях низкой частоты – видно действительно его место там а не в регуляторах напряжения.

Слева снятые электронные компоненты, справа приготовленные им на замену. Разница по количеству в два наименования, а по качеству схем, бывшей и той, что решено было собрать, она несопоставима. Напрашивается вопрос – «Стоит ли собирать схему с ограниченными возможностями, когда существует более продвинутый вариант «за те же деньги», в прямом и переносном смысле этого изречения?»
↑ Анализ работы параметрического стабилизатора [1 – 5]
Исходные данные анализа следующие: Uн, Iн, ΔIн, ΔUвх, R.Также для анализа необходимы параметры стабилитрона: Uст= Uн, rд, Iст max и Iст min.Анализ сводится к вычислению рабочего тока стабилитрона Iст р=(Uвх-Uст)/R-Iн; коэффициента передачи Nст= Uвх/Uст; мощности Po балластного резистора, коэффициента стабилизации Kст, КПД и коэффициента фильтрации Kф.Важной является проверка режима работы стабилитрона в схеме стабилизатора, которая выполняется по формулам, аналогичным приведенным в первом варианте расчета
↑ Пример анализа №1
Проанализируем номиналы балластных резисторов R3 и R4 компенсационных стабилизаторов напряжения усилителя «Ланзар» в зависимости от используемого напряжения питания.Заявлен диапазон питающих напряжений усилителя от Uп=±30 В до ±65 В, в то время как на принципиальной схеме указаны сопротивления балластных резисторов R=R3=R4=2,2 кОм (1 Вт) .В другой публикации рекомендуется выбирать величину сопротивления балластных резисторов в зависимости от напряжения питания усилителя по формуле R=(Uп-15)/I, где I=8…10 мА. В таблице 1 выполнен расчет по указанной формуле для диапазона питающих напряжений усилителя с шагом в 5 В.

Исходные данные для анализа: стабилизированное напряжение на нагрузке Uн=15 В, ток в нагрузке Iн=(15-0,5)/R5=14,5/6,8=2,13 мА, ΔIн=0,213 мА, изменение входного напряжения ΔUвх=10%.Выберем стабилитрон 1N4744A, имеющий следующие параметры: Uст= Uн=15 В; rд=14 Ом; Iст max=61 мА; Iст min=5 мА.Анализ работы параметрических стабилизаторов в усилителе «Ланзар» показал, что минимальный ток стабилизатора Iст р min выбран на пределе с запасом всего 3…14% вместо требуемых 20% (рис. 5).

Рис. 5. Режимы работы стабилизаторов в усилителе «Ланзар» в зависимости от выбранного напряжения питания
Используя средство анализа данных электронной таблицы Microsoft Excel «Подбор параметра», уточним сопротивления балластных резисторов. Для этого перейдем в ячейку с формулой для Iст р min (ячейка C26) и в меню выберем Данные -> «Анализ «что-если»->Подбор параметра.Установим в ячейке C26 значение 6,0 (запас 20% от Iст min), изменяя значение ячейки, в которой занесено сопротивление балластного резистора ($C$15).Получим R=1,438 кОм. Занесем в эту ячейку ближайшее значение сопротивления из стандартного ряда R=1,3 кОм.Проведя в таблице указанную операцию для всех значений питающих напряжений, получим следующий результат (рис. 6).

Рис. 6. Уточнение режимов работы параметрических стабилизаторов усилителя «Ланзар»
Итоги анализа сведены также в таблицу 2.

Мощность резисторов для напряжений питания усилителя от ±30 В до ±40 В – 0,5 Вт, для остальных напряжений – 1 Вт.
Параметрический стабилизатор – основные параметры

В маломощных схемах на нагрузку до 20 миллиампер применяется устройство с малым коэффициентом действия, и называется параметрическим стабилизатором. В устройстве таких приборов имеются транзисторы, стабилитроны и стабисторы.
Они применяются в основном в компенсационных устройствах стабилизации в качестве опорных источников питания. Параметрические стабилизаторы в зависимости от технических данных могут быть 1-каскадными, мостовыми и многокаскадными.
Стабилитрон в устройстве прибора подобен подключенному диоду. Но обратный пробой напряжения больше подходит для стабилитрона и является базой его нормальной работы. Эта характеристика нашла популярность для разных схем, где необходимо создавать ограничение сигнала входа по напряжению.
Такие стабилизаторы являются быстродействующими приборами, и защищают участки с повышенной чувствительностью от импульсных помех. Применение таких элементов в новых схемах является показателем их повышенного качества, которое обеспечивает постоянное функционирование в разных режимах.
Схема стабилизатора
Базой этого прибора является схема подключения стабилитрона, применяющаяся и в других видах приборов вместо источника питания.
Схема включает в себя делитель напряжения из балластного сопротивления и стабилитрона, к которому параллельно подключена нагрузка. Устройство выравнивает напряжение на выходе при переменном питании и нагрузочном токе.
Действие схемы происходит следующим образом. Напряжение, повышающееся на входе прибора, вызывает повышение тока, который проходит через сопротивление R1 и стабилитрон VD.
На стабилитроне напряжение остается постоянным из-за его вольтамперной характеристики. Поэтому не меняется и напряжение на нагрузке. В итоге все преобразованное напряжение будет приходить на сопротивление R1.
Такой принцип действия схемы позволяет сделать расчет всех параметров.
Принцип действия стабилитрона
Если стабилитрон сравнивать с диодом, то при подключении диода в прямом направлении по нему может проходить обратный ток, который имеет незначительную величину в несколько микроампер.
При повышении обратного напряжения до некоторой величины возникнет пробой электрический, а если ток очень велик, то произойдет и тепловой пробой, поэтому диод выйдет из строя.
Конечно, диод может работать при электрическом пробое при снижении тока, проходящего через диод.
Стабилитрон спроектирован так, что его характеристика на участке пробоя имеет повышенную линейность, а разность потенциалов пробоя достаточно стабильна. Стабилизация напряжения с помощью стабилитрона выполняется при его функционировании на обратной ветви свойства тока и напряжения, а на прямой ветке графика стабилитрон работает как обычный диод. На схеме стабилитрон обозначается:
Параметры стабилитрона
Его главные параметры можно увидеть по характеристике напряжения и тока.
- Напряжение стабилизации является напряжением на стабилитроне при прохождении тока стабилизации. Сегодня производятся стабилитроны с таким параметром, равным 0,7-200 вольт.
- Наибольший допустимый ток стабилизации. Он ограничен величиной наибольшей допустимой мощности рассеивания, которая зависит от температуры внешней среды.
- Наименьший ток стабилизации, рассчитывается наименьшей величиной тока, протекающего через стабилитрон, при этом сохраняется действие стабилизатора.
- Дифференциальное сопротивление – это величина, равная отношению приращения напряжения к малому приращению тока.
Стабилитрон, подключенный в схеме как простой диод в прямом направлении, характеризуется величинами постоянного напряжения и наибольшим допустимым прямым током.
Расчет параметрического стабилизатора
Добротность функционирования прибора вычисляется по коэффициенту стабилизации, который вычисляется по формуле: Кст U = (ΔUвх / Uвх) / (ΔU вых / Uвых).
Далее расчет стабилизатора с применением стабилитрона производится в сочетании с балластным резистором в соответствии с типом применяемого стабилитрона. Для расчета используются рассмотренные ранее параметры стабилитрона.
Определим порядок расчета на примере. Возьмем исходные данные:
- U вых=9 В;
- I н =10мА;
- ΔI н = ±2мА;
- ΔU вх = ± 10% Uвх
По справочнику подбираем стабилитрон Д 814Б, свойства которого:
- U ст = 9 В;
- I ст. макс = 36 мА;
- I ст. мин = 3 мА;
- R д = 10 Ом.
Далее вычисляется входное напряжение: Uвх = nст *Uвых, где nст – коэффициент передачи. Функционирование стабилизатора станет эффективнее, если этот коэффициент будет в пределах 1,4-2. Если nст =1,6, то U вх= 1,6 * 9 = 14,4 В.

На следующем шаге производится расчет балластного резистора. Используется формула: R о = (U вх – U вых) / (I ст + I н). Величина тока I ст выбирается: I ст ≥ I н. При изменении U вх на величину Δ Uвх и Iн на ΔIн, не может быть больше тока стабилитрона величин I ст. макс и I ст. мин. Поэтому, I ст берется в качестве среднего допустимой величины в этом интервале и равно 0,015 ампер.
Значит, балластный резистор равен: R о = (14,4 – 9)/(0,015+0,01 )= 16 Ом. Ближнее стандартное значение составляет 220 Ом. Для выбора типа сопротивления, выполняется расчет рассеиваемой мощности на корпусе. Применяя формулу Р = I*2 R о, определяем величину Р = (25*10-3) * 2 * 220 = 0,138 ватт. Другими словами, стандартная мощность сопротивления равна 0,25 ватт.
Поэтому лучше подойдет сопротивление МЛТ — 0,25 — 220 Ом. После осуществления расчетов необходимо проверить правильность выбора режима действия стабилитрона в схеме параметрического прибора. В первую очередь определяется его наименьший ток: Iст. Мин = (U вх – ΔU вх – U вых) / Rо – (I н + ΔI н), с практическими параметрами определяется величина I ст.мин = (14,4–1,44–9) * 103 / 220–(10+2) = 6 миллиампер.
Такая же процедура производится для вычисления наибольшего тока: I ст. макс=(Uвх+ΔUвх–Uвых)/Rо–(Iн–ΔIн). По исходным параметрам, наибольший ток составит: Iст.макс=(14,4 + 1,44 – 9) * 103 / 220–(10 – 2)=23 миллиампер. Если в результате вычисленные значения наименьшего и наибольшего тока превосходят допустимые границы, то необходимо заменить I ст или резистор R о. Иногда требуется замена стабилитрона.
Параметрический стабилизатор напряжения
Watch this video on YouTube
















































