Особенности
Компания Quick Electronic была создана в Китае в 1993 году и занимается производством оборудования, комплектующих и расходных материалов для пайки. Благодаря своему стремительному развитию в 2017 году фирма попала в список 100 лучших китайских предприятий в отрасли производства интеллектуальной электроники. Паяльная станция Quick отличается от большинства аналогов:
- невысокой ценой;
- доступным ремонтом – официальные дилеры и сертифицированные сервис-центры компании открыты во всех регионах России;
- широким выбором аксессуаров и расходных материалов;
- высокой, относительно большинства аналогичных по мощности моделей, скоростью прогревания жала до рабочей температуры;
- удобным и интуитивно-понятным управлением;
- безопасностью для электронных компонентов – высокая точность поддержания режима и соответствие принятым в индустрии стандартам ESD-защиты позволяют в большинстве случаев уберечь паяемые этими станциями детали от выхода из строя из-за перегрева или электростатического разряда;
- хорошим качеством – продукция компании удовлетворяет требованиям стандартов ISO9001 и CE и имеет все необходимые сертификаты для продажи на территории РФ.


Выбор паяльной станции
На сегодняшний день существует широкий ассортимент данных устройств в России. В связи с эти выбор паяльной станции – это трудная задача не только для начинающих радиолюбителей, но и для опытных мастеров.
Современная техника постоянно совершенствуется и развивается. Особенно наглядно это происходит с ее размерами, которые постоянно уменьшаются, а вместе с этим увеличивается трудоемкость ее ремонта.

Схема паяльной станции на основе ATmega8.
Итак, паяльные устройства можно разделить на следующие разновидности:
- контактные;
- термовоздушные;
- комбинированные термовоздушные;
- демонтажные;
- инфракрасные.
Общих правил при выборе станции не существует. Все зависит от задач, которые ей предстоит решать. И в каждом конкретном случае будет свой рейтинг лучших устройств.
Назначение
Конечно выбор напрямую зависит от применения устройства. Как уже было отмечено выше, в профессиональных мастерских отдают предпочтение инфракрасной паяльной станции, а вот для дома можно рассмотреть более простые варианты.
В то же время оправданной будет покупка устройства с большой мощностью, поскольку основным критерием в работе является температура жала и ее стабилизация.
Если необходимо работать с мелкими деталями, тогда стоит рассмотреть оборудования с паяльным феном.
Ремонтопригодность
Нередко происходит, когда при частом использовании с жала стирается защитное покрытие.
При пайке пользуются флюсом и оловом, которым необходимо залудить жало. Сделать это, если покрытие выгорело, невозможно. В связи с этим необходимо заранее рассматривать возможность покупки новых жал, а также их качество.

Электрическая схема станции для пайки.
Однако все равно лучше, в первую очередь, при выборе обращать внимание на то, для чего нужна паяльная станция. В выборе оборудования для электролаборатории, где пайка будет осуществляться постоянно, целесообразно рассмотреть более дорогие и надежные варианты
Температура
Существует широкий ассортимент оборудования по технической части паяльного устройства, что существенно усложняет вопрос: как выбрать паяльную станцию. В первую очередь целесообразно определиться с техническими особенностями прибора.
Любители заниматься ремонтом в домашних условиях могут использовать и обычные паяльники. Однако они могут перегревать микросхемы, что приведет не к их починке, а наоборот. В связи с этим температура является важным критерием.
При работе с массивными приборами и электрооборудованием мощность очень важна.
Тем не менее иногда ее избыток может приводить к:
- перегреву деталей;
- деградации покрытия жала;
- выходу из строя нагревательного элемента;
- перегреву дорожек;
- снижению качества пайки.
Процесс пайки
Цифровую термовоздушную станцию уже можно с успехом применять для монтажа элементов в bga -корпусах. Особенностью таких корпусов является наличие шариков припоя на ножках корпуса.
Отсюда и название — ball grid array, в переводе с английского языка, это массив шариков. Монтаж происходит весьма просто:
- bga-корпус устанавливают на отведенное ему на плате место, при этом ножки выводов должны располагаться на подготовленных местах токопроводящих дорожек, называемых еще монтажными «пятачками»;
- далее происходит пайка методом равномерного нагрева всех контактов до заданной температуры, как правило, 340-350 ℃;
- расплавленный припой растекается по монтажным «пятачкам», обеспечивая после затвердевания надежный контакт.
Выводы корпуса необходимо вставить в отверстия трафарета, закрепить клейкой лентой, нанести шпателем на ножки специальную паяльную пасту и нагреть ее, используя фен термовоздушной паяльной станции.
После того, как паста расплавиться, дать ей остыть и затвердеть, а затем вынуть из трафарета, разогрев кончики выводов воздухом с температурой 150 ℃.
Способ №1. Контактная паяльная станция
Для такой паяльной станции вам понадобиться относительно классический паяльник мощностью хотя бы 80 – 100Вт, регулятор мощности (в данном примере мы будем использовать диммер), диодный мост, соединительные провода. Такая паяльная станция будет работать без обратной связи по температуре жала паяльника, поэтому результативность воздействия на припой придется определять опытным путем.
Рис. 1: схема изготовления простейшей станции
Так как в домашней сети напряжение может быть значительно ниже 220В, в схеме паяльной станции будет использоваться диодный мост.
Процесс изготовления состоит из следующих этапов:
- Соберите из четырех диодов мост или возьмите готовую сборку с параметрами работы с 220 В на 300 В;
- Отрежьте питающий шнур на расстоянии 10 – 15 см от ручки, запас нужен для подключения к паяльной станции;
- Зачистите выводы проводов как возле паяльника, так и на шнуре, его также будем использовать для подключения;
- Подключите одну из жил шнура питания к диодному мосту через диммер, а вторую напрямую;
- Подсоедините выводы диодного моста к жилам паяльника, лучше использовать клеммное соединение, болтовое или пайку;
- Места электрических соединений заизолируйте для предотвращения поражения электрическим током при работе паяльной станцией;
- Установите мост и светорегулятор на диэлектрическое основание.
Простейшая паяльная станция готова к использованию, достаточно включить ее в розетку и повернуть ручку в нужное положение. Принцип работы с ней схож с прибором для выжигания по дереву. Работая с крупными элементами, регулятор мощности устанавливается в максимальное положение. С мелкими, выводится в половинное значение, следует отметить, что конструкция регулятора температуры на основе диммера изменяет напряжение питания от 220 до 0В, а вам ограничивать его меньше половины смысла не имеет.
Нюансы выбора

Если предполагается работа с SMD-компонентами и микросхемами планарного исполнения, следует присмотреться к компактным моделям паяльных станций, объединяющих паяльник и термофен.
При сборке паяльной станции контактного типа из отдельных покупных блоков важно правильно выбрать тип нагревателя паяльной ручки. Недорогие нагреватели делятся на два класса: керамические и нихромовые
Нихромовые дешевле, в качестве термодатчика используется терморезистор.

Керамические нагреваются буквально за секунды. В качестве датчика в них применяется термопара. Это обеспечивает мощный нагрев, быструю и точную регулировку температуры. Но такие нагреватели дороже нихромовых, и схемы регулировки для них сложнее и дороже. Кроме того, керамические нагреватели очень хрупки и требуют аккуратного обращения.
При необходимости работы с микросхемами BGA и ремонта смартфонов или компьютерных плат совершенно необходимо иметь в комплекте паяльной станции хотя бы отдельный инфракрасный модуль нижнего подогрева.


Компрессор для паяльной станции своими руками

В связи с совершенствованием технологий сборки различного рода изделий, набираемых из мелких металлических деталей (электронных микросхем), их ручная пайка вызывает всё больше затруднений.
Самодельный паяльный фен позволит оператору без особых осложнений справиться с трудностями, возникающими в указанных ситуациях и исключить возникающие при этом риски.
Так, с помощью собранной своими руками паяльной станции любой желающий может заниматься монтажом и демонтажём деталей без угрозы повреждения хрупких электронных элементов, находящихся поблизости от места пайки. Один из возможных вариантов решения поставленной задачи позволяет изготовить термофен из паяльника, имеющегося в хозяйственном наборе любого домашнего мастера.
Паяльный фен: конструкционные особенности, рекомендации по созданию своими руками
Паяльный фен визуально напоминает обычный бытовой прибор. Разница заключается в производимой температуре. Так, благодаря максимальной мощности с помощью устройства можно выполнять пайку различных деталей. При этом удастся собрать конструкцию, используя старый паяльник или бытовой фен.
Что нужно знать о такой технике?
Паяльный фен представляет собой современный электрический прибор, позволяющий за короткий промежуток времени разогревать металлические отводы. Благодаря качественной сборке и простоте функционирования устройство подойдет для профессиональных и даже начинающих сварщиков.
Паяльный фен практически никогда не используется отдельно, поскольку в процессе выполнения работ важно точное направление. Поэтому опытные мастера чаще применяют целые паяльные станции
Речь идет о полупрофессиональном нагревательном приборе, представленном паяльником и сварочным нагревателем. Подобное оборудование подойдет для работы с компонентами электросетей и схем.
Также благодаря устройству удастся выполнять термообработку мелких деталей.
ТЕХНИЧЕСКИЕ ХАРАКТЕРИСТИКИ YIHUA 968DB+
| Характеристики термовоздушной паяльной станции | |
| Номинальное напряжение | Переменный ток 220 В ± 10% 50 Гц |
| Мощность | 720 Вт |
| Мощность при постоянной температуре в 300 ℃ | 250 Вт ± 10% |
| Рабочие условия | 0~40°С относительная влажность <80% |
| Условия хранения | -20~80°С относительная влажность <80% |
| Параметры термофена | |
| Рабочее напряжение | Переменный ток 220 В ± 10% 50 Гц |
| Выходная мощность | 550 Вт |
| Температурный диапазон | 100°С ~ 480°С |
| Подача воздуха | Диафрагменный насос (компрессор) |
| Воздушный поток | 28 л/мин (макс) |
| Температурная стабильность | ± 1°С (постоянная) |
| Дисплей | Светодиодный дисплей |
| Изменение температуры | ПИД-регулятор |
| Время цикла | Быстрый режим 20 мс |
| Нагревательный элемент | Керамический нагревательный элемент |
| Параметры паяльника | |
| Рабочее напряжение | Переменный ток 26 В ±10% 50 Гц |
| Выходная мощность | 75 Вт |
| Температурный диапазон | 200°С~480°С |
| Температурная стабильность | ±1°С (постоянная) |
| Дисплей | Светодиодный дисплей |
| Изменение температуры | ПИД-регулятор |
| Время цикла | Высокоскоростной режим 100 мс |
| Нагревательный элемент | Высокомощный нагревательный элемент |
| Функция защиты от пыли | есть |
| Сопротивление между заземлителем и наконечником | < 2 Ом |
| Потенциал между заземлителем и наконечником | < 2 мВ |
| Общие характеристики | |
| Диаметр насадок для термофена | 3 мм, 5 мм, 8 мм, 10 мм |
| Габариты | 255 х 188 х 125 мм |
| Вес | 4830 г |
| Комплектация | Термовоздушная паяльная станция YIHUA 968DB+ — 1 шт |
|
основной модуль паяльной станции — 1 шт инструкция по эксплуатации — 1 шт держатель для термофена — 1 шт термофен — 1 шт паяльник 908A с дымоуловителем — 1 шт держатель для паяльника — 1 шт губка для очистки жала — 1 шт насадка для термофена — 4 шт держатель для припоя — 1 шт пинцет — 1 шт |
|
| Совместимость | Набор паяльных жал 7 шт Паяльное жало 900M-T-K Паяльное жало 900M-T-IПаяльное жало 900M-T-BПаяльное жало 900M-T-4CПаяльное жало 900M-T-3CПаяльное жало 900M-T-2CПаяльное жало 900M-T-1CПаяльное жало 900M-T-SK |
Данный лот представляет паяльную станцию YIHUA-968DB+, которая оснащена специальным индикатором воздушного потока в диафрагменном насосе. Системный компьютер производства компании Samsung и пропорционально-интегро-дифференцирующий регулятор или другими словами ПИД-регулятор позволяют отслеживать и корректировать температуру оборудования. Также нельзя не упомянуть об уникальной функции поглощения вредоносных испарений, которая обеспечит более безопасную и качественную работу. Весь поглощенный дым паяльной станции фильтруется, что устраняет его возможность вредоносного воздействия на человеческий организм. Используется оборудование для работы с самыми различными электронными, пластмассовыми компонентами, а также для сжатия при помощи высоких температур или просто подогрева. При необходимости профессиональное оборудование можно использовать для горячей сушки или удаления лаковых слоев, а также клея или краски.
Статьи и видеообзоры:
Обзор паяльных станций или как выбрать паяльную станцию
Паяльный фен

Паяльный фен способен нагнетать воздух от 100 до 450°C с максимальным уровнем потока воздуха 120 литров в минуту.
Механизм отключения фена типовой – при установке фена в подставку срабатывает геркон, отключается нагрев, уровень потока воздуха становится максимальным, для скорейшего остывания фена.

В комплекте паяльной станции предусмотрены 4 насадки для фена: три с цилиндрической формой сопла (от наименьшего к наибольшему диаметру) и одна насадка с квадратной формой, подходящей для монтажа и демонтажа элементов с большой площадью. Сами насадки надежно крепятся на фене при помощи винта и гайки, что с другой стороны не предусматривает «горячей» замены на ходу.
Рекомендации по изготовлению
Без переделки устройство фена для просушивания волос не принесет успехов при эксплуатации, поэтому рекомендуется использовать только мотор с вентилятором и спираль, которая будет наматываться с учетом требований к самодельному приспособлению. Сильный нагрев совместно со снижением вращения вентилятора и уменьшением диаметра сопла приводит к перегоранию спирали и расплавлению пластикового корпуса, а также, при плохой изоляции может произойти короткое замыкание.
Установив дополнительную кнопку включения для вентилятора, можно ускорить процесс остывания паяльника. Если выключить нагревательный элемент, а кулер оставить включенным, то нагревающаяся часть устройства будет продуваться воздухом, тем самым охлаждая всю систему. Для удобства в работе с устройством рекомендуется изготовить подставку с металлическим основанием, а также с использованием магнитов. Благодаря использованию неодимового магнита, термофен будет надежно удерживаться в нужном положении.
Принцип работы и характеристики
По общему виду на картинке несложно понять основные принципы функционирования техники данной категории. Для нагрева рабочей зоны в данном случае применяют бесконтактный метод. В этой модели температуру воздуха поднимают нагревательным элементом. Он установлен в отдельном корпусе вместе с другими функциональными компонентами:
- компрессором;
- регуляторами мощности, скорости потока;
- индикацией температуры;
- защитными устройствами.
Нагретый воздух по гибкому шлангу подают на паяльник. Для регулировки ширины выходной струи применяют специализированные насадки.
Главным преимуществом такого конструкторского решения является свободный доступ раскаленного воздуха в труднодоступные места на печатных платах. С помощью этого аппарата можно обеспечить равномерный нагрев большого количества ножек микросхем для быстрого демонтажа. Дополнительным преимуществом является достаточно точный контроль температурных режимов, что предотвращает повреждение электронных компонентов.
Вместо отдельного компрессора также используют конструкцию с встроенным в рукоятку вентилятором. Его устанавливают в комбинации с нагревательной спиралью. Изделие по принципу действия напоминает обычный фен. В данном случае используются более точные настройки, по сравнению с бытовыми и строительными модификациями.
Типичные параметры типового воздушного паяльника:
- потребляемая мощность – от 300 до 500 Вт;
- температурный диапазон – от 100 до 500°C;
- погрешность при поддержании заданной температуры – от 1 до 20°C;
- скорость нагрева рабочей зоны – от 2 до 15 секунд;
- шум – от 45 до 55 дБ.
Принцип управления нагревом
Современный воздушный паяльник оснащают микропроцессорным управлением. Температурные датчики устанавливают в протоке, около выходного отверстия. Однако эти компоненты находятся на определенном расстоянии от зоны нагрева, поэтому следует учитывать косвенность метода измерений. Для коррекции в некоторых моделях предусмотрены специальные регулировки.
К сведению. Реальные условия (низкая температура, сильный сквозняк) способны оказать значительное влияние на температурный режим.
Система регулировки
Для установки оптимального режима работы изменяют скорость потока и мощность потребления. В некоторых моделях регулятор нагрева сопряжен с индикатором температуры. Пользователю нужно только выставить необходимое значение. Заданный уровень поддерживается электроникой. Он сохраняется в памяти устройства, поэтому выставляется автоматически при последующем включении в сеть.
Система безопасности
Чтобы исключить лишние действия, продлить срок службы и повысить уровень безопасности, применяют достаточно простое инженерное решение. В рукоятку фена встраивают геркон, в подставку – магнит. При размещении на этой опоре разрывается токопроводящая цепь, отключаются нагнетание воздуха и нагрев.
Для автоматизации выключения применяют геркон
Современные модели оснащают плавным выключателем питающего напряжения. Это продлевает срок службы нагревательного элемента. Как правило, в систему управления добавляют автоматическое отключение при повышении температуры выше максимального расчетного уровня.
Замена деталей
Некоторые замены активных и не очень активных компонентов:
- ОУ — Lm358, Lm2904, Ha17358.
- Полевые транзисторы — Irfz44, Irfz46, Irfz48, Irf3205, Irf3713 и подобные, подходящие по напряжению и току.
- Биполярный транзистор Т1 — С9014, С5551, BC546 и подобные.
- Оптопара MOC3021 — MOC3023, MOC3052 без перехода через ноль (без zero kross по даташиту).
- Оптопара PC817 — PC818, PC123
- Стабилитрон ZD1 — любой на напряжение стабилизации от 4,3 — 5,1V.
- Энкодер с кнопкой, я применял от автомагнитолы.
- Конденсатор в снаббере симистора обязательно на 400v и 100n!
- LCD WH1602 — смотреть внимательно расположение контактов при соединении с основной платой, от разных производителей может отличаться.
- Для питания лучшим вариантом будет стабилизированный бп на 24V 2-4A, с одного большого восточного магазина или переделанный БП АТХ. Хотя я применял 24V 1,2A от принтера, немного греется при пользовании паяльника, но мне хватает. На худой конец трансформатор с диодным мостом, но не советую.
Принципиальная схема
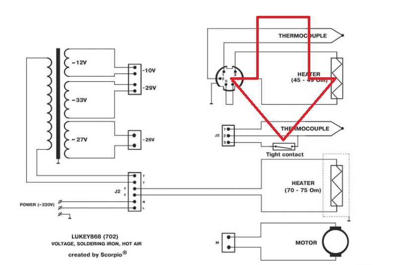
Изначально, в авторском варианте, схема была выполнена полностью на SMD компонентах (в том числе и atmega8) и на двухсторонней плате. Повторить её для меня, и думаю большинства радиолюбителей, не представляется возможным. Поэтому перевел схему и разработал плату на DIP компонентах. Конструкция выполнена на двух печатных платах: высоковольтная часть сделана на отдельной платке во избежание наводок и помех. Паяльник применён с термопарой, на 24v 50w от станции «Baku».
Фен применен от этой же фирмы, c термопарой в качестве датчика температуры. Имеет нихромовый нагреватель с сопротивлением около 70 ом и «турбинку» на 24v. На экране отображается температура: заданная и фактическая для фена и паяльника, сила воздушного потока фена(отображается в виде горизонтальной шкалы в нижней строчке экранчика).


Для увеличения, уменьшения температуры и потока воздуха турбинки: переносится курсор кратковременным нажатием на энкодер, и поворачивая влево или вправо устанавливается нужное значение. Удерживая первую или вторую кнопку памяти можно запомнить удобную для вас температуру и при следующем использовании, нажав на память, сразу пойдет нагрев до установленных в памяти значений. Запуск фена осуществляется нажатием на кнопку «Fen ON», которая находится на лицевой панели, но можно вывести её на ручку фена, использовав проводки идущие на геркон, так как в данной станции он не используется. Для перехода фена в спящий режим: также нужно нажать на кнопку «Fen ON», при этом нагрев фена прекратится, а турбинка фена будет остужать его до заданной температуры(от 5 до 200 градусов), которую можно выставить в настройках.






































