Технология установки распределительной коробки
Итак, поговорим непосредственно о процессе установки и подключения коммутационной коробки распределения. Если говорить о монтаже самого короба, – тут нет ничего сложного или проблемного. Встраиваемые варианты коробов вмуровывают в стены, а накладные крепят к стенам дюбелями или саморезами. Монтаж встроенной коробки более сложный и трудоемкий, в данном случае подразумевается создание специальной посадочной ниши. В одной из стен, ближе к потолку, необходимо сделать нишу соответствующего размера, именно там короб будет установлен и закреплен при помощи алебастрового или цементного раствора.
Однако данные процедуры относятся уже к завершающему этапу работ. В первую очередь следует заняться созданием «сети» из штроб – каналов, по которым к распределительном коробу будут подведены кабели. Необходимое количество опусков к коробкам выключателей и розеткам должны иметь строго вертикальное положение. Для того чтобы осуществить горизонтальную прокладку кабелей рекомендуется воспользоваться зазорами между плитами перекрытия и стенами.
После окончания подготовки штроб и установки подрозетников переходим непосредственно к устройству электропроводки, – важной частью данного процесса будет монтаж и подключение распределительного короба. Нередко процесс соединения проводов внутри распределительного короба вызывает определенные затруднения
Для того их избежать рекомендуем тем или иным образом помечать каждый из концов кабеля. К примеру, подводим провод, который подает питание от электрощита, – помечаем соответствующим словом, подводим кабель от блока розеток – то же самое и т.д. Каждая отдельная электроцепь, которую мы подключаем к распределительному коробу, должна быть подписана соответствующим образом, в этом случае путаница впоследствии нам не грозит
Нередко процесс соединения проводов внутри распределительного короба вызывает определенные затруднения. Для того их избежать рекомендуем тем или иным образом помечать каждый из концов кабеля. К примеру, подводим провод, который подает питание от электрощита, – помечаем соответствующим словом, подводим кабель от блока розеток – то же самое и т.д. Каждая отдельная электроцепь, которую мы подключаем к распределительному коробу, должна быть подписана соответствующим образом, в этом случае путаница впоследствии нам не грозит.
Сечение кабелей
Теперь на пару минут отвлечемся от распределительного короба и скажем пару слов о сечениях кабелей, которые применяются при разводке дома или квартиры. Известно, что подача напряжения в помещения от электрощита, как правило, осуществляется при помощи трех или двухжильного кабеля с сечением не меньше 4-х квадратных миллиметров. Такое сечение позволяет кабелю без проблем выдержать любых мощных энергопотребителей. Для подключения розеток применяются кабели имеющие сечение 2,5 квадратных миллиметра, а для системы освещения достаточно сечения в полтора квадрата.
Почему монтаж распределительной коробки лучше доверить специалисту?
- Самостоятельно проводить монтаж распределительной коробки бывает невозможно в силу отсутствия у владельцев помещений должных навыков, необходимого опыта и профессионального инструмента и оборудования.
- Работа профессионалов экономит время и освобождает хозяев от необходимости дополнительного контроля электромонтажных работ на каждом отдельном этапе.
- Наши электромонтажники работают в строгом соответствии с ПУЭ последней редакции и проектом. К вашим услугам – грамотные инженеры-проектировщики и электрики. Вы можете быть уверены в качестве монтажа распределительной коробки.
Ремонт двухкомнатной квартиры на ул. Плеханова
Ремонт 2-комнатной квартиры на Олимпийском проспекте
Ремонт 2-комнатной квартиры на 2-м Хорошевском проезде
Ремонт 1-комнатной квартиры на пр.Новомытищинский
Ремонт 2-комнатной квартиры на ул.Педагогическая
Испытание соединений проводов в распределительных коробках
После выполнения всех соединений, оголенные участки проводников изолируют при помощи термоусадочных трубок, и укладывают провода в распределительных коробках. Сами коробки оставляют открытыми до проведения испытаний смонтированной электропроводки. Вначале на подключенные линии подается напряжение включением соответствующих автоматических выключателей.
Если после включения нигде ничего не заискрило и автомат не выбило от короткого замыкания при ошибочном подсоединении проводов или некачественной изоляции соединений, проводят испытания электропроводки током нагрузки (прогрузка), которые производится при помощи подключения различных электроприборов на смонтированные линии. Рекомендуется нагрузить каждую линию максимально допустимым током.
Прогрузка должна продолжаться некоторое время (желательно несколько часов). За данный период возможные дефекты электромонтажа успеют себя проявить. Следует произвести визуальный осмотр соединений в распределительных коробках – признаки большой температуры будут видны по оплавлению изоляции или клеммников
Также важно отсутствие характерного запаха перегретой или горелой изоляции
После снятия напряжения следует на ощупь проверить все соединения – они не должны быть горячими. Если при прогрузке электрокабелей максимальным расчетным током в течение нескольких часов не выявлено никаких замечаний по поводу работы соединений, то электромонтаж считается нормальным, распределительные коробки можно закрывать и вводить проводку в эксплуатацию.
Принцип работы счетчика
Однофазные и трехфазные счетчики устроены по одному принципу. Разница только в том, что в сети 380 вольт учет ведется отдельно по каждой из фаз, а затем суммируется. Давайте разберемся, как работает счетчик для одной фазы, после чего понять устройство з-х фазного несложно. Ниже изображена блок-схема современного прибора с прямым подключением.
Клеммы для подключения проводов обычно располагаются в указанном на рисунке порядке, но лучше проверить по паспорту конкретного счетчика
Электронные модели
Электронные счетчики электроэнергии могут работать как в сетях переменного, так и в сетях постоянного тока
Постоянное напряжения обычно используется на предприятиях, так что для квартир и частных домов оно не слишком важно. Если сравнивать с электромеханическими моделями, по размерам электронные намного меньше, так как в них мало крупногабаритных элементов
Кроме того, они надежнее, так как нет подвижных деталей. Есть у электронных еще один плюс — они учитывают как активную, так и реактивную нагрузку (сумма индуктивной и емкостной составляющей).
Трансформатор напряжения подключен между фазой и нулем, трансформатор тока — в разрыв фазного проводника. Данные с трансформаторов передаются на преобразователь, где трансформируются в частотные сигналы и поступают в микроконтроллер. В нем расшифровываются показания и записываются в ОЗУ (оперативное запоминающее устройство). Параллельно микропроцессор руководит электронным реле и дисплеем.
Блок-схема электронного счетчика электроэнергии
Данные в ОЗУ сохраняются продолжительный период времени, записи делаются по типу дневника. В нем фиксируется расход электроэнергии по датам и времени, что позволяет провести анализ расхода. В некоторых модификациях, электронные трехфазные счетчики могут передавать информацию о расходе по специальному каналу. Этот канал может быть подключен к домашнему компьютеру, системе умный дом. При определенных настройках может автоматически передавать данные в абонентскую службу для проведения расчетов.
Еще одна функция электронных приборов учета — многотарифный учет. При наличии нескольких тарифных сеток, зависящих от времени, величина потребленной в разное время энергии, записывается в разные ячейки. При снятии показаний, данные списываются, умножаются на свой тариф. Использование многотарифного учета позволяет экономить на счетах за электричество.
Электромеханические или индукционные
Учет энергии в индукционных счетчиках построен на отслеживании параметров переменного магнитного поля, поэтому работать такие устройства могут только с переменным током.
Устройство индукционного электромеханического счетчика
Основной элемент индукционного 3-х фазного счетчика — специально сконструированный магнитопровод с прорезью. В прорезь вставляется край диска, закрепленного на оси. Через одну из катушек магнитопровода проходит ток, вторая подключена параллельно. К плоскости диска при помощи шестеренок подключен механический счетчик, отсчитывающий повороты диска.
Ток, проходя по магнитопроводу, создает магнитное поле, а оно вихревые потоки в алюминиевом диске. Взаимодействие магнитного поля и вихревых потоков создает крутящий момент, который заставляет диск крутиться вокруг своей оси. Чем больше сила тока, тем более мощное генерируется поле, тем быстрее вращается диск, тем быстрее сменяются показания на счетчике.
Как произвести сборку и установку распределительного короба
О том, насколько важным элементом для системы электрического питания является распределительная коробка, – может сказать любой, даже не самый опытный электрик. Данная, казалось бы, не самая сложная конструкция, обеспечивает:
- равномерно распределяемую нагрузку от элементов, потребляющих энергию;
- возможность в любой момент добавить в общую систему питания новую ветку электроцепи, не прибегая к кардинальным изменениям в действующей проводке;
- удобство при пользовании и ремонте электрокоммуникаций.
В принципе, электрораспределительные коробки – это корпуса из пластика и металла, внутри которых можно состыковать воедино ряд необходимых частей электрической сети. Сегодня мы поговорим о коммутационном варианте распределительной коробки, которая бывает, в свою очередь, накладной или встраиваемой в стены. И та и другая разновидность, как правило, снабжаются необходимым количеством специальных клемм, при помощи которых провода можно соединять надежно и быстро.
Коммутационная разновидность распределительных коробок – оптимальное решение в случае, если есть необходимость соединения проводов с жилами из различных материалов. Типичный пример – медные и алюминиевые кабели, которые имеют свойство окисляться при взаимодействии друг с другом. В результате через какое-то время контакт исчезает совсем и некоторые «потребители» попросту прекращают работу.
Что касается формы коробок распределения тока – здесь нет особенного разнообразия, только квадратный и круглый варианты с разнообразными габаритами.
Каким должен быть провод

Требования, которые выдвигаются к кабельной продукции любого вида, определяются из условий, в которых они используются и прокладываются. В электрическом щите из-за ограниченного пространства при его сборке возникает необходимость компактной прокладки проводов. Поэтому при сборке провод для электрощита изгибается в соответствии со схемой для соединения функциональных элементов. Из этого выходит условие того, что провод должен нормально выдерживать сгибания, поэтому алюминиевые жилы плохо подходят для этой цели — они ломаются после нескольких сгибаний. Поэтому следует отдавать предпочтения медным жилам.
Провода различают по классу гибкости, который зависит от конструкции жил — монолитные (однопроволочные) и многопроволочные. Монолитные жилы, хотя и сложно гнуть, но можно непосредственно подключать к клеммам и винтовым зажимам. К тому же гибкость после монтажа в электрощите не нужна.

С гибкой многопроволочной жилой удобнее работать при сборке, но есть существенная проблема — ее нельзя использовать для подключения к клеммам и винтовым зажимам, которые используют во всех автоматах и прочем оборудовании. Чтобы подключить гибкий провод к такой клемме нужно либо залудить конец, либо обжать его наконечником типа НШВИ или НШВИ2 и подобными. Если пренебрегать этим, контакт получится ненадёжным и недолговечным.
С учетом всего сказанного выше можно сделать вывод, что для монтажа в электрощите подходят отечественные провода:
ПВ-1 (ПуВ) – однопроволочная медная жила, одинарная ПВХ изоляция, класс гибкости 1.
ПВ-3 (ПуГВ) – многопроволочная медная жила, ПВХ изоляция, 2 класс гибкости — 0,5 до 1,5 мм2; класс гибкости 4 – от 2,5 до 4 мм2; класс гибкости 3 – сечения превышающие 4 мм2.
ПВ-4 – многопроволочная медная жила, ПВХ изоляция, более гибкий, чем предыдущий, в зависимости от сечения ПВ-4 имеет 4 или 5 класс гибкости.

Сечение подбирается в соответствии с токами, которые будут протекать через проводни
Также стоит помнить, что есть стандартные цвета для проводов по назначению:
- фаза – серый или черный;
- ноль – синий;
- земля – желто-зеленый.
При этом нужно проводить такой монтаж, чтобы не было провисаний провода (особенно это касается многопроволочных жил) и лишних перегибов (это касается монолитных жил).

Для этого следует заблаговременно определить необходимую длину провода, после чего отрезать на 2-3 см больше, чтобы обеспечить нормальный ввод конца в клемму автомата.
Соединения в распределительном щите с вводным автоматом группы потребителей делают с помощью перемычек между соседними автоматами, для этого можно использовать и гибкий и жёсткий провод с однопроволочной жилой, но последний удобнее, поскольку не нужно использовать наконечники НШВИ. Лучше вообще избегать перемычек, если это возможно и пользоваться соединительной шиной. Она жесткая, контакт будет хорошим, и монтаж будет наглядным и эстетичным.
Монтаж устройства

Схема монтажа ИКК
Приспособления востребованы при прокладке новых электрических линий и при необходимости их модернизации. При монтаже обязательно выполняются требования ПУЭ, касающиеся правил эксплуатации испытательных коробок. Согласно нормативам, для размещения ИКК потребуется подготовить специально оборудованное место, защищенное от проникновения посторонних лиц и доступное для обслуживающего персонала.
На клеммах коробки допускается объединять только провода из однородных металлов, имеющих электрохимическую совместимость.
Усилие затяжки контактных винтовых соединений не должно быть более 2,5 Nm, что гарантирует сохранность клемм. Кроме того, они не должны иметь повреждений и следов явных дефектов. Фиксация корпуса ИКК в месте установки выполняется только механическим способом – его прикручиванием или закреплением с помощью специальных защелок. Коробка обычно монтируется в электрическом шкафу сразу же после электросчетчика.
Подключение счетчика электроэнергии в низковольтную сеть большой мощности
В одной из предыдущих статей мы уже рассматривали измерительные трансформаторы тока, их сферы применения, технические характеристики и особенности режима работы.
Как отмечалось ранее, для подключения счетчика в сеть большой мощности (с большими токами) необходимо применять специальные устройства — измерительные трансформаторы тока. Речь идет о низковольтных сетях до 0,66 кВ, где уровень номинального тока 100 А и выше. Счетчики прямого включения не предназначены для использования в таких мощных сетях, поэтому и требуется снизить уровень рабочего тока до величины, удобной для измерения приборами учета — 5 А.

Способ подключения в сеть счетчика, при котором токовые обмотки счетчика подключаются к измерительным выводам трансформатора тока называют полукосвенным. При этом способе подключения счетчика используется рабочее напряжение сети (обмотки напряжения подключаются к электросчетчику напрямую).
Существует также и косвенный способ подключения счетчика, однако он применяется для учета электроэнергии в установках с напряжением более 1 кВ. При косвенном подключении счетчика кроме трансформаторов тока применяются трансформаторы напряжения, снижающие высокое значение напряжение до 100 В.
Класс точности и его значение для учета электроэнергии
Правила Устройства Электроустановок (сокращенно ПУЭ) устанавливают классы точности для трансформаторов тока различных категорий применений. Так, для коммерческого учета должны устанавливаться трансформаторы тока с классом точности не более 0,5, а для технического учета необходим класс точности не выше 1,0.
Также встречаются трансформаторы тока с практически одинаковыми классами точности 0,5 и 0,5S. В чем заключается между ними разница? Погрешность обмотки ТТ с классом точности 0,5 не нормируется ниже 5%. Это значит, что при нагрузке в главной цепи ниже 5% электрическая энергия не будет учитываться. Класс точности 0,5S говорит о том, что трансформатор тока будет передавать сигнал на счетчик при уровне нагрузки не ниже 1%.
Схемы подключения счетчика через трансформаторы тока
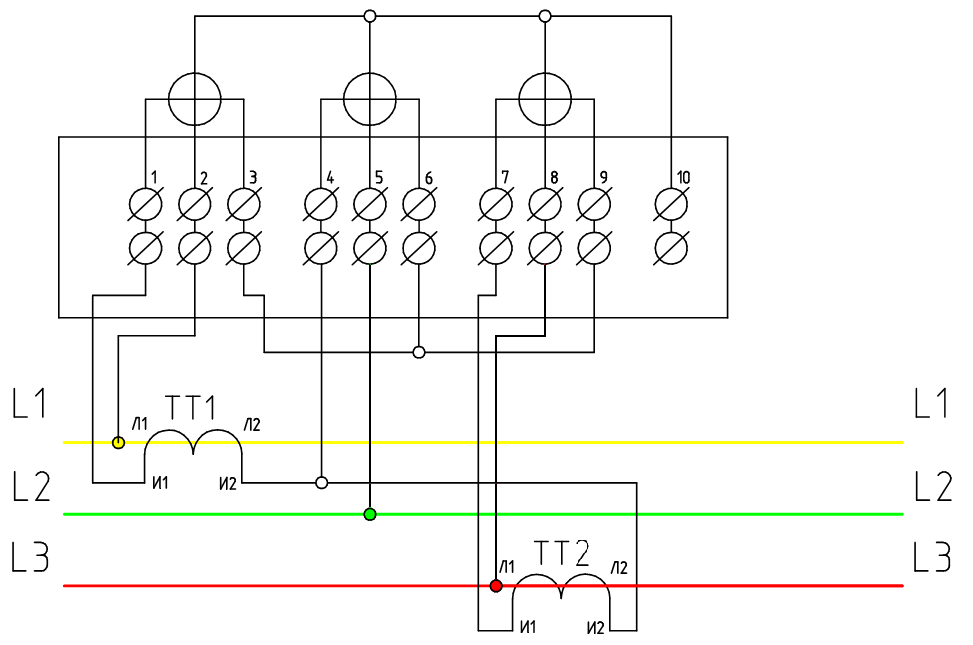
Подключить трехфазный счетчик электроэнергии в мощную низковольтную сеть с глухозаземленной нейтралью можно по приведенным ниже схемам.

Цепи тока и напряжения в этой схеме, которую еще называют «десятипроводной» (по количеству используемых проводов), разделены. Подобное разделение цепей напряжения и тока позволяет повысить электробезопасность и легко проверять правильность подключения.
Следующая схема, в которой все выводы И2 измерительных трансформаторов тока соединяются в общую точку и присоединяются к нулевому проводнику, называется «звезда» (т. к. трансформаторы тока соединены по одноименной схеме). Она экономична с точки зрения использования проводов, однако усложняет проверку схемы включения счетчика представителями энергоснабжающих организаций.

«Семипроводная» схема на сегодняшний день является устаревшей, но так или иначе до сих пор встречается. Эта схема, будучи самой экономичной, опасна для обслуживающего персонала и потому должна быть модернизирована до десятипроводной.

Подключения счетчика электроэнергии через переходную испытательную коробку (КИП)

Как указано в ПУЭ (п 1.5.23.), подключать трехфазные счетчики электроэнергии следует через испытательные коробки, упомянутые выше. Они (коробки испытательные переходные) позволяют производить замену счетчика, не отключая нагрузку, так как все необходимые переключения можно произвести в КИП.

Также встречаются низковольтные сети с изолированной нейтралью (система IT). Если быть более точным, то в сети с такой системой заземления нейтральный проводник может быть как полностью изолирован, так и заземлен при помощи специальных приборов, обладающих большим электрическим сопротивлением.
Такая система (IT) применяется на объектах, к которым предъявляются высокие требования по надежности и безопасности электроснабжения. Например, изолированная система IT применяется для электрических установок угольных шахт, для мобильных дизельных и бензиновых электростанций, а также для аварийного освещения и электроснабжения больниц. Подключить счетчик электроэнергии к трансформаторам тока в сеть с изолированной нейтралью можно по следующей схеме.

Измерительные трансформаторы тока — это устройства, преобразующие большие значения тока главных цепей до величины 5 А, удобной для измерения счетчиками электроэнергии. Именно это и определяет их основное назначение: питание цепей учета электроэнергии (коммерческий и технический) в мощных установках, там где счетчики прямого включения просто не могут применяться.
Нюансы использования
Хотя такого вида изделие не требует дополнительного обслуживания, но всё же через время после ввода в эксплуатацию рекомендуется проводить подтягивание контактов, особенно в случае винтовых зажимов. Связанно это с тем, что во время работы провод нагревается и немного деформируется, а это приводит к ослабеванию контакта. К зажимным коробкам такого требования нет. При этом использовать её будет удобнее, так как при отключении измерительного прибора никакого дополнительного инструмента не понадобится.
Но также стоит отметить, что установку, демонтаж, вскрытие и пломбирование коробки должны проводить специалисты, имеющие сертификат, выданный Энергонадзором, и получившие нужную группу допуска.
Подводя итоги
Основные технические моменты, которые следует запомнить из данной статьи:
- Питающий провод подключается к неподвижному контакту автоматического выключателя. Практически на каждом автомате такой контакт расположен сверху.
- Через однополюсный автомат проходит только фаза, через двухполюсный — фаза и ноль, через трёхфазный — 3 рабочих фазы. В последнем случае также необходимо воспользоваться фазоуказателем, чтобы определить правильное чередование фаз.
- Через УЗО и дифференциальный автомат должны проходить фаза и ноль.
- Для подключения проводов к автоматическому выключателю следует пользоваться специальными обжимными наконечниками и пресс-клещами. Особенно при монтаже многопроволочного кабеля.
- Перед подключением кабеля необходимо очистить жилу от изоляции достаточной длины. Иначе изоляция станет первой причиной плохого контакта.
- Основной автоматический выключатель монтируется до электросчётчика для того, чтобы обеспечить возможность быстрой замены прибора учёта электроэнергии в случае его выхода из строя.
Перед любым электромонтажом следует сверится с нормативной или технической документацией. Только тогда все работы с электрическими приборами и расходными материалами будут считаться правильными, а самое главное — законными.
- https://ProFazu.ru/provodka/montazh/sborka-elektroshhita.html
- https://electrikmaster.ru/kak-soedinit-avtomaty/
- https://ProFazu.ru/elektrooborudovanie/zaschita/kak-podklyuchit-avtomat.html
- http://balashiha.d-mastera.ru/montazh-elektroshhitka-v-kvartire/
- https://HouseChief.ru/provod-dlya-sborki-ehlektroshchita.html
- https://VGrafike.ru/vybor-provoda-dlja-razvodki-v-shhitke/
- https://StrojDvor.ru/elektrosnabzhenie/kak-podobrat-sechenie-provoda-dlya-soedineniya-avtomatov-v-shhitke/
















































