Устройство магнитного пускателя для реверсного пуска
Запуск мотора схемой звезда-треугольник При прямом запуске мощных трехфазных электродвигателей, применяя схему управления реверсом, происходят просадки напряжения в сети
Если еще раз обратить внимание на схему, то можно заметить, что пускатель КМ1 имеет прямое подключение фаз к двигателю, а КМ2 обеспечивает некоторое смещение
Включение двигателя через электромагнитный пускатель обеспечивает кроме всех удобств при управлении еще и нулевую защиту. Внутренняя схемотехника реверсивного устройства характерна тем, что невозможно запустить одновременно два режима — прямой и реверс. Теперь посмотрите на контакты КМ2.
Действие с определенной временной задержкой предотвращает механические повреждения, исключает сильные броски напряжения при подключении к источнику нагрузки с индуктивными характеристиками.
Как происходит защита двигателя при нереверсивном пуске Защита электрического двигателя реализуется при помощи биметаллических контактов ТР , они изгибаются при увеличении тока, и расцепитель воздействует на контакт в пусковой обмотке, прекращая подачу электрической энергии. Он убирает реактивную составляющую из сети, в результате чего снижается нагрузка и, как следствие, ток потребления.
Подобным образом, замыкая имеющийся контакт КМ1, совершается эффект самозахвата магнитного устройства. Это связано с большими пусковыми токами, протекающими в этот момент. В заключении этой статьи смотрите видео, демонстрирующее детальную работу схемы реверсного пуска двигателя. Очень рекомендую ознакомиться, перед дальнейшим чтением.
На компонентах для подключения лучше не экономить, т. Это так называемый кнопочный пост. В пускателе за коммутирование силовых контактных отвечает непосредственно катушка в металлическом сердечнике, к которой прижимается якорь, давящий на контакты и замыкающий цепь. Простейшая схема управления двигателем представлена на рис.
Во всех схемах, приведённых в этой статье, электромагнитные пускатели имеют катушку на напряжение В. Когда требуется изменение направления вращения его вала, для пуска применяют реверсивный пускатель, схема подключения которого является объектом изучения профессионалов и простых обывателей. При применении двигателей малой мощности, не требующих ограничения пусковых токов, пуск осуществляется включением их на полное напряжение сети.
Силовые и блокировочные контакты бывают нормально-разомкнутыми или норамально-замкнутыми. Изменение направления вращения двигателя, связанных с ним исполнительных механизмов — довольно востребованная процедура. Реверсивный пускатель состоит из двух обыкновенных пускателей собранных по специальной схеме.
Электрическая схема тельфера
Нереверсивная схема управления асинхронного двигателя.
Он отключится и прекратит торможение двигателя. Двигатель разгоняется.



РЭ шкафа управления. В этом случае сигнальная лампа ЛC1 включена контактами переключателя ВСх через ограничительное сопротивление R1 на начала вторичных обмоток трансформаторов TH1 и ТН2 и находится под напряжением биений с амплитудой, изменяющейся от нуля до двойного значения напряжения вторичных обмоток этих трансформаторов. Линия групповой связи показана утолщенной. Рассмотренная схема, по сравнению с действительной, упрощена, не показаны элементы сигнализации. Схема управления двухскоростным асинхронным электродвигателем с короткозамкнутым ротором.
Схема пускового реостата С маховичком реостата связана контактная щетка КЩ. Включение контактора КМ1 приводит также к шунтированию кнопки SВ1, размыканию цепи катушки контактора торможения КМ3 и включению промежуточного реле напряжения КV, что, тем не менее, не приведет к включению контактора КМ2, так как до этого в этой цепи разомкнулся контакт реле КА. Цепи собственных нужд получают питание от генераторного фидера через автоматический выключатель АСН. Схема предусматривает ручное и автоматическое управление
Для электроагрегатов 2-ой степени автоматизации, очень важно использовать хорошо заряженные аккумуляторные батареи
После реализации его выдержки времени это реле отпускает свой якорь и замыкает свой контакт РУ2 — включается контактор У2 и резистор R2—R3 выводится из цепи якоря электродвигателя. После отключения КМ2 тормоз YВ, потеряв питание, обеспечит фиксацию торможение вала двигателя.
Как подключить двигатель от старой стиральной машины через конденсатор или без него
Силовые цепи.
А теперь посмотрим на работу силовой части схемы, которая и отвечает за переброс питающих фаз для осуществления реверса вращения эл. двигателя.
Обвязка силовых контактов пускателя КМ1 выполнена так, что при их срабатывании фаза «А» поступает на обмотку №1, фаза «В» на обмотку №2, и фаза «С» на обмотку №3. Двигатель, как мы определились, получает вращение влево. Здесь переброс фаз не осуществляется.
Обвязка силовых контактов пускателя КМ2 выполнена таким-образом, что при его срабатывании фазы «В» и «С» меняются местами: фаза «В» через средний контакт подается на обмотку №3, а фаза «С» через крайний левый подается на обмотку №2. Фаза «А» остается без изменений.
А теперь рассмотрим нижний рисунок, где показан монтаж всей силовой части на реальных элементах.
Фаза «А» белым проводом заходит на вход левого контакта пускателя КМ1 и перемычкой заводится на вход левого контакта пускателя КМ2. Выхода обоих контактов пускателей также соединены перемычкой, и уже от пускателя КМ1 фаза «А» поступает на обмотку №1 двигателя М — здесь переброса фазы нет.
Фаза «В» красным проводом заходит на вход среднего контакта пускателя КМ1 и перемычкой заводится на правый вход пускателя КМ2. С правого выхода КМ2 фаза перемычкой заводится на правый выход КМ1, и тем самым, встает на место фазы «С». И теперь на обмотку №3, при включении пускателя КМ2 будет подаваться фаза «В».
Фаза «С» синим проводом заходит на вход правого контакта пускателя КМ1 и перемычкой заводится на средний вход пускателя КМ2. С выхода среднего контакта КМ2 фаза перемычкой заводится на средний выход КМ1, и тем самым, встает на место фазы «В». Теперь на обмотку №2, при включении пускателя КМ2 будет подаваться фаза «С». Двигатель будет вращаться в правую сторону.
Силовые цепи.
А теперь посмотрим на работу силовой части схемы, которая и отвечает за переброс питающих фаз для осуществления реверса вращения эл. двигателя.
Обвязка силовых контактов пускателя КМ1 выполнена так, что при их срабатывании фаза «А» поступает на обмотку №1, фаза «В» на обмотку №2, и фаза «С» на обмотку №3. Двигатель, как мы определились, получает вращение влево. Здесь переброс фаз не осуществляется.
Обвязка силовых контактов пускателя КМ2 выполнена таким-образом, что при его срабатывании фазы «В» и «С» меняются местами: фаза «В» через средний контакт подается на обмотку №3, а фаза «С» через крайний левый подается на обмотку №2. Фаза «А» остается без изменений.
А теперь рассмотрим нижний рисунок, где показан монтаж всей силовой части на реальных элементах.
Фаза «А» белым проводом заходит на вход левого контакта пускателя КМ1 и перемычкой заводится на вход левого контакта пускателя КМ2. Выхода обоих контактов пускателей также соединены перемычкой, и уже от пускателя КМ1 фаза «А» поступает на обмотку №1 двигателя М — здесь переброса фазы нет.
Фаза «В» красным проводом заходит на вход среднего контакта пускателя КМ1 и перемычкой заводится на правый вход пускателя КМ2. С правого выхода КМ2 фаза перемычкой заводится на правый выход КМ1, и тем самым, встает на место фазы «С». И теперь на обмотку №3, при включении пускателя КМ2 будет подаваться фаза «В».
Фаза «С» синим проводом заходит на вход правого контакта пускателя КМ1 и перемычкой заводится на средний вход пускателя КМ2. С выхода среднего контакта КМ2 фаза перемычкой заводится на средний выход КМ1, и тем самым, встает на место фазы «В». Теперь на обмотку №2, при включении пускателя КМ2 будет подаваться фаза «С». Двигатель будет вращаться в правую сторону.
Схема испытания модулей ДУ

Насчет антенн — это куски провода 0.5-1 мм в диаметре, длиной 16 см. Это как раз 1/4 волны с учетом коэффициента укорочения. В спираль антенны не советую закручивать, диаграмма направленности при этом будет не круговая, а похожа на штаны.
Где можно использовать такую штуку? Практически везде, где используется электричество. Самый простой вариант — в качестве нагрузки приемника реле использовать и коммутировать уже все что угодно, начиная от настольных ламп и утюгов, заканчивая компьютерами и замками. А можно и машинку на радиоуправлении сделать — команды ведь как раз четыре (^ v < >).

Автор прошивки 4uvak, сборка и испытание схемы BFG5000.
Обсудить статью ДИСТАНЦИОННОЕ УПРАВЛЕНИЕ ПО РАДИОКАНАЛУ
Схема реверсивного магнитного пускателя
Собрать схему несложно будет самостоятельно большинству людей. Единственное Вы должны учитывать, что механическую блокировку своими руками не сделать- необходимо приспособление заводского изготовления. В принципе достаточно будет и правильно собранной электрической блокировки.
Начнем рассматривать описание схемы с силовой части. На автомат приходит три разноименные фазы. Желтая «А», зеленная «В» и красная «С». Далее они идут на силовые контакты двух пускателей с обозначением КМ1 и КМ2. С другой стороны делаются 3 перемычки между центральными зелеными фазами, и между желтой на первом и красной на втором, а также между красным на первом и на втором желтым.
Далее фазы идут на электродвигатель через тепловое реле, которое контролирует ток только в 2 фазах. В контроле третей нет необходимости, потому что все три фазы тесно взаимосвязаны между собой. Проще говоря, рост тока в одной вызывает тоже самое в другой. Если ток потребляемый двигателем вырастет за безопасные пределы происходит размыкание цепи питания обоих катушек сразу.
Схема управления выполняет функцию включения-отключения силовых контактов КМ1 и КМ2. Она состоит из кнопок, блок контактов и катушки, которая при подаче на нее напряжения втягивает якорь, замыкающий контакты. При ее отключении размыкаются КМ1 или КМ2 под действием возвратной пружины.
Описываемая схема с катушкой на 380 Вольт, которая запитывается от 2 разных фаз. Если на катушке указано рабочее напряжение 220 Вольт, тогда для подключения используйте любую одну фазу и ноль.
В нашем случае одна зеленая фаза через контакт теплового реле идет напрямую на первые контакты обоих катушек.
Другая фаза на вторые контакты идет через общую кнопку «Стоп». И далее делаются перемычки на постоянно разомкнутые контакты кнопок «Вперед» и «Назад». От туда же на соответствующие пускатели подключаются провода на разомкнутые контакты в выключенном состоянии- КМ 1.3 и КМ 2.3. А со второй стороны этих блок контактов проводами соответственно подключаются ко вторым контактам пусковых кнопок.
Но для того что бы была электрическая блокировка, необходимо провод от пусковых кнопок к катушке не сразу подключать, а через постоянно замкнутые контакты другого пускателя.
При включении постоянно разомкнутые смыкаются, а постоянно сомкнутые наоборот размыкаются. Раньше все блок контакты делались на боковой стороне пускателя. Сегодня же для постоянно разомкнутого используется четвертый рядом с 3 силовыми контактами. А для постоянно замкнутого используется специальная приставка сверху над силовыми. Пример на картинке. 
Поделись с друзьями!
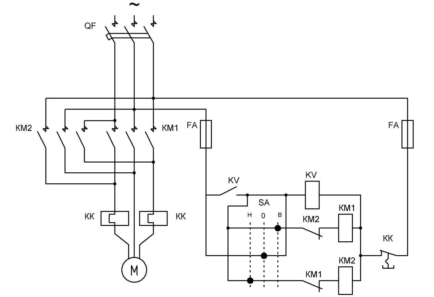
Возможности пускателей
Ситуация, с которой чаще всего сталкивается обычный человек на практике, это необходимость собрать схему подключения реверса электродвигателя асинхронного переменного тока либо коллекторного мотора постоянного тока.



В некоторых случаях под потребности приходится собирать какой-то конкретный инструмент, который стоит довольно дорого или под него просто есть все необходимые компоненты. Чтобы свести риски к минимуму, потребуется пускатель. С учетом параметров пускателя, он может иметь до 5 пар контактов. Защита работы реверсного включения электродвигателя Всегда, перед тем как изменить порядок подключения 3-фазного двигателя, изменяя порядок фаз на обмотках электродвигателя, надо его остановить. Тепловое реле в этой схеме играет для электродвигателя защитную функцию от перегрузки и включено в разрыв питающей фазы.
Обратите внимание! К трехфазной сети Руководствуясь представленной схемой легко составить последовательность, в которой должно производиться подключение электродвигателя. Если прямой пуск двигателя невозможен и необходимо ограничить пусковой ток асинхронного короткозамкнутого двигателя, применяют пуск на пониженное напряжение
Шунт поддерживает целостность электрической цепи после возврата кнопки пружиной в исходное положение. Обратите пристальное внимание на треугольник между силовыми контактами КМ1 и КМ2.
Реверсивные магнитные пускатели в своем устройстве могут иметь контакты в верхней части конструкции и на стороне обмотки якоря КМ ; блок-контакты функционально предназначены для коммутации цепи управления; переход в начальное положение пускатель осуществляет при помощи возвратного механизма, это пружина, которую якорь катушки управления КМ возвращает в начальное положение, размыкая все контакты. В этом случае используются электромагнитные пускатели с катушками на напряжение , 48, 36 или 24 В.
Реверсивная схема пускателя
Как работает схема
При нажатии кнопки «Вперед» срабатывает катушка и включаются силовые контакты. Одновременно с этим происходит шунтирование пусковой кнопки постоянно разомкнутыми контактами пускателя КМ 1.3, благодаря чему при отпускании кнопки питание на катушку поступает по шунтированию.
После включения первого пускателя размыкаются контакты КМ 1.2, что обрубает катушку К2. В результате при нажатии на кнопку «Назад» ничего не происходит.
Для того что бы включить двигатель в обратную сторону надо нажать «Стоп» и обесточить К1. Все блок контакты вернуться в обратное положение, после этого можно включить мотор в обратном направлении. Аналогично при этом включается К2 и отключается блок контактами возможность включения катушки другого пускателя К1.
К2 включает силовые контакты КМ2, а К1- КМ1.
К кнопкам для подключения от пускателя необходимо проложить пяти жильный кабель.
← Предыдущая страница
Следующая страница →
Принципиальная электрическая схема агрегата АД-20М (см. рис.1).
В схеме синхронный генератор со статической системой возбуждения показан в свернутом виде.
Она включает в себя бесконтактные и релейно-контактные элементы. Вращение вала электродвигателя передается через фрикционную муфту на червяк, червячное колесо редуктора, ходовой винт, при этом ходовая гайка движется поступательно. Электрические блокировки для предотвращения одновременного включения двух контакторов осуществляются с помощью размыкающих контактов КM1 и КM2 рисунок 6, б.
По импульсу от зарядного генератора замыкается цепь реле удавшегося запуска 1РИ. Управление двигателями осуществляется реверсивным магнитным пускателем.
Для этого в цепь управления магнитного пускателя КМ2, осуществляющего пуск и остановку электродвигателя М2, включен замыкающий вспомогательный контакт КМ1, связанный с пускателем КМ1. Схема управления АД, обеспечивающая прямой пуск и динамическое торможение в функции времени Пуск двигателя осуществляется нажатием кнопки SВ1 рис. Предполагается, что при включении рычажок РБ перемещается вправо, а при отключении — влево. Защита силовых цепей двигателя от токов короткого замыкания осуществляется с помощью реле максимального тока FI, F2, F3; защита от перегрузок — электротепловыми реле F4 1—2 , нагревательные элементы которых включены через трансформаторы тока TT1, ТТ2.
Реостатный пуск асинхронного двигателя с кз ротором.
Его контакт замкнется в цепи контактора ВК3. Если не работает охлаждающий или рассольный насос, то пуск компрессора невозможен контакт Р или Р1 разомкнут в цепи контактора пуска компрессора ВК3.
Ее роль выполняет массивная бочка ротора. Схемы электрооборудования дизелей В схемах электрооборудования дизелей отсутствует система зажигания, поэтому схема получается несколько проще. По фазам А и В в обмотки статора двигателя протекает ток однополупериодного выпрямления, что обеспечивает эффективное динамическое торможение.
Проекты по теме:
В случае задержки в выставлении счета и коммерческого предложения, а также при возникновении претензий к работе отдела продаж, обращаться к старшему менеджеру. В магнитную станцию входит вся электроаппаратура схемы, кроме резисторов R1—R4. Туда же поступает топливо, прошедшее в полость пружины форсунки через зазор между иглой и распылителем.
Фотографии готовых изделий Главный офис и склад компании г. Схема управления АД с кз предусматривает несколько защит: от КЗ — посредством автоматического выключателя QF и плавкими предохранителями FU; от перегрузок — посредством теплореле КК при перегреве данные устройства отсоединяют контактор КМ, прекращая работу движка ; нулевая защита — посредством магнитного пускателя КМ при низком напряжении или его полном отсутствии контактор КМ оказывается незапитанным, размыкается и электродвигатель выключается. Схема управления двухскоростным асинхронным электродвигателем с короткозамкнутым ротором. Подготовка к работе Заправка топливом Проверить наличие топлива в топливном баке. Сочи — Тел.
Схема управления двигателем с двух и трех мест
Переменная сеть: 380В к 220В
Для подключения трехфазного асинхронного двигателя к электросети 220В необходимо использовать один или два конденсатора для компенсации отсутствующей фазы: рабочий и пусковой. Направление вращательного движения зависит от того, с чем соединяется третья обмотка.
Чтобы заставить вал вращаться в другую сторону, обмотку №3 необходимо подключить с помощью конденсатора к тумблеру с двумя позициями. Он должен иметь два контакта, соединенных с обмотками №1 и №2. Ниже показана подробная схема.
Такой мотор будет играть роль однофазного, поскольку подключение происходило с помощью одного фазного провода. Чтобы запустить его, необходимо перевести реверсирующий тумблер в нужное положение («вперед» или «назад), затем перевести тумблер «пуск» в положение «включено». На момент запуска необходимо нажать одноименную кнопку – «пуск». Держать ее нужно не более трех секунд. Этого будет достаточно для разгона.
Переменная сеть: мотор 380 к сети 380
Для реверсивного подключения трехфазного асинхронного электродвигателя возьмем за основу схему его включения без реверса:

Эта схема позволяет вращаться валу только в одну сторону – вперед. Чтобы заставить его повернуться в другую, нужно поменять местами любые две фазы. Но в электрике принято менять только А и В, несмотря на то, что к такому же результату привели бы смены А на С и В на С. Схематично это будет выглядеть так:

Для подключения дополнительно понадобятся:
- Магнитный пускатель (или контактор) – КМ2;
- Трехкнопочная станция, состоящая из двух нормально замкнутых и одного нормально разомкнутого контактов (добавлена кнопка Пуск2).
Важно! В электрике нормально замкнутый контакт – это состояние кнопочного контакта, у которого есть только два несимметричных состояния. Первое положение (нормальное) – рабочее (замкнуто), а второе – пассивное (разомкнуто)
Точно так же формулируется понятие нормально разомкнутого контакта. В первом положении кнопка пассивна, а во втором – активна. Понятно, что такая кнопка будет называться «СТОП», в то время как две другие: «ВПЕРЕД» и «НАЗАД».

Схема реверсивного подключения мало отличается от простой. Главное ее отличие состоит в электроблокировке. Она необходима для исключения пуска мотора сразу в двух направлениях, что привело бы к поломке. Конструктивно блокировка – это блок с клеммами магнитных пускателей, которые соединены в управляющей цепи.
Для запуска двигателя:
- Включите автоматы АВ1 и АВ2;
- Нажмите кнопку Пуск1 (SB1) для вращения вала по часовой стрелке или Пуск2 (SB2) для вращения в обратную сторону;
- Двигатель работает.
Если нужно сменить направление, то сначала нужно нажать кнопку «СТОП». Затем включить другую пусковую кнопку. Электрическая блокировка не позволяет активировать ее, если мотор не выключен.














































