Как работает автоматический ввод резервного питания
Принцип действия АВР основан на контроле напряжения в цепи. Это может осуществляться с помощью любых реле напряжения либо цифровых логических блоков защиты. Однако принцип работы всё рано остаётся неизменным. Рассмотрим его на самом простом примере.

Это однолинейная схема, на которой видно, что контроль напряжения осуществляется контактором КМ. Оба автомата QS1 и QS2 должны быть включены, при этом катушка КМ получит питание и будет втянута, а соответственно её замыкающий контакт в цепи основного ввода тоже замкнут и размыкающий контакт в цепи резервного ввода разомкнут. Тем самым электроснабжение потребителя осуществляется от основной сети и светятся соответствующие лампы. В случае неисправности питания по линии L12 и снижения напряжения до величины, когда контактор КМ отключится, произойдёт размыкание замыкающего контакта в основной линии и одновременно с этим контакт в цепи резервного питания линии L22 перейдёт в замкнутое состояние, тем самым подав напряжение к потребителю от резервного источника. Обратная ситуация произойдёт при возобновлении основного электроснабжения по линии L12.
На видео ниже наглядно рассмотрен принцип работы АВР в сетях 6 кВ:
Схема АВР на 2 пускателя
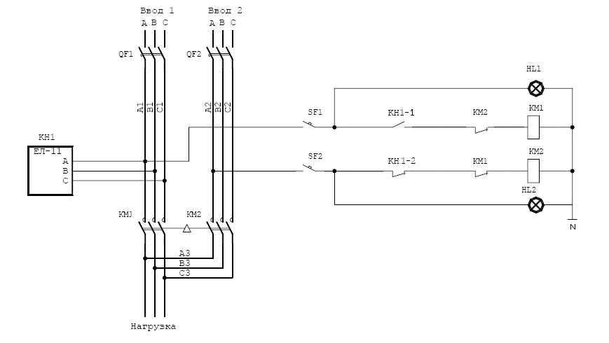
Вторая схема немного посложнее. В ней используется уже два магнитных пускателя.
Допустим, у вас есть два трехфазных ввода и один потребитель. В схеме применены магнитные пускатели с 4-мя контактами:
3 нормально разомкнутые
1 нормально замкнутый КМ1
Катушка пускателя КМ1 подключается через фазу L3 от первого ввода и через нормально замкнутый контакт КМ2. Таким образом, когда вы подаете питание на ввод №1, катушка первого пускателя замыкается и вся нагрузка подключается к источнику напряжения №1.
Второй контактор при этом отключен, так как нормально замкнутый разъем КМ1, будет в этот момент размокнут, и питание на катушку второго пускателя поступать не будет. При исчезновении напряжения на первом вводе, отпадает контактор-1 и включается контактор-2. Потребитель остается со светом.
Самый главный плюс этих схем – их простота. А минусом является то, что подобные сборки называть схемами автоматизации можно с очень большой натяжкой.
Стоит лишь исчезнуть напряжению на той фазе, которая питает катушку включения и вы легко можете получить встречное КЗ.
Можно конечно усовершенствовать всю систему, выбрав катушку контактора не на 220В, а на 380В. В этом случае будет осуществлен контроль уже по двум фазам.
Но на 100% вы все равно себя не обезопасите. А если учесть момент возможного залипания контактов, то тем более.
Кроме того, вы никак не будете защищены от слишком низкого напряжения. Пускатель №1 может отключиться, только если U на входе будет ниже 110В. Во всех остальных случаях, ваше оборудование будет продолжать получать не качественную электроэнергию, хотя казалось бы, рядом и есть второй исправный ввод.
Чтобы повысить надежность, придется усложнять схему и включать в нее дополнительные элементы:
реле напряжения
реле контроля фаз и т.п.
Поэтому в последнее время, для сборки схем АВР, все чаще стали применяться специальные реле или контроллеры — ”мозги” всего устройства. Они могут быть разных производителей и выполнять функцию не только включения резервного питания от одного источника.
Вдруг перед вами стоит более сложная задача. Например, нужно чтобы схема управляла сразу двумя вводами и вдобавок еще генератором. Причем генератор должен запускаться автоматически.
Алгоритм работы здесь следующий:
1.При неисправном вводе №1 происходит автоматическое переключение на ввод №2.
2.При отсутствии напряжения на обоих вводах осуществляется запуск генератора и переключение всей нагрузки на него.
АВР с автозапуском генератора
А как будет запускаться генератор, если исчезнет питание с обоих вводов? Контакт №12 служит для подключения к АВР внешнего источника питания +12В.
Когда у вас пропало напряжение на двух вводах, все контакты К1,К2,К3 получаются в разомкнутом состоянии. При этом автоматически происходит замыкание внутреннего контакта реле К4. За счет этого, формируется сигнал запуска для генератора.
Большинство генераторов с возможностью АВР, управляют заслонкой своей собственной автоматикой. Для этого им нужен только сигнал на старт. Вы его как раз и подаете.
Если у вас этого нет, то можно смастерить такую систему самостоятельно.
После подачи импульса, происходит запуск ДГУ и его прогрев. Когда он прогрелся, напряжение на реле KV1 достигает нормы. KV1 представляет из себя, что-то вроде реле защиты трехфазных двигателей.
Оно необходимо для контроля напряжения 3-х фазной сети (правильное чередование фаз и их номинальное значение). Подойдет например такое — CKF-317.
После срабатывания, реле KV1 замыкает свой контакт KV1.1 и напряжение достигает разъема №16. Также U поступает на контакт №9 (он управляет внутренними цепями AVR) и №22.
AVR это видит и подает сигнал на замыкание реле К3 и катушки КМ3. После чего включаются силовые контакты пускателя генератора КМ3.1 Вся нагрузка запитывается от генератора.
Практические рекомендации, которые подтверждены в различных проектах
Система гарантированного электроснабжения мощностью до 100 кВА, имеющая в своем составе ИБП и работающая от двух сетевых входов.
В этом случае могут быть предложены автоматические коммутаторы серии АК фирмы «ППФ БИП-сервис», представляющие собой АВР контакторного типа. Эти аппараты имеют:
Такой перечень функциональных возможностей позволяет успешно применять коммутаторы серии АК в системах, содержащих ИБП.
Для таких систем более целесообразно использовать автоматические коммутаторы серии АКП, которые представляют собой АВР на управляемых переключателях с электроприводом.
Эти аппараты имеют все перечисленные выше особенности, но кроме того, позволяют управлять переключением входов вручную при любом напряжении или его отсутствии
Переключатели оснащены механическими замками, позволяющими заблокировать их в любом из возможных состояний, что может быть в некоторых случаях важно для потребителя
Здесь могут быть предложены следующие варианты построения АВР:
Система гарантированного электроснабжения
Схемы трехвходовых АВР могут быть экономически более привлекательны. В то же время следует повторно отметить то обстоятельство, что для трехвходовой контакторной схемы невозможна полноценная механическая блокировка всех входов между собой, что определяется конструктивными особенностями контакторов.
В связи с этим в трехвходовых контакторных АВР целесообразно установить электрическую и механическую блокировку между ДГ и каждым из сетевых вводов. А между сетевыми вводами предусмотреть только электрическую блокировку. Именно по такому принципу выполнены трехвходовые коммутаторы серии АК.
Схема трехвходового коммутатора серии АКП, как отмечалось ранее, исключает возможность замыкания входов между собой за счет конструкции переключателей и одновременно дешевле, чем два отдельных каскадно соединенных АВР.
Промышленные системы АВР
Среди отечественных производителей комплексных систем автоматического включения резерва выделяется предприятие ОАО «Контактор», которое поставляет на российский рынок шкафы АВР с различной логикой (секционированное и несекционированное питание, с возможностью подключения дополнительного автономного генератора и т.д.) и элементной базой (схема управления может быть как релейной, так и микропроцессорной).
Силовая часть системы собрана на автоматических выключателях ВА50-45Про номинальным током до 6300 Ампер, производителем которых является тот же «Контактор». Данные устройства предназначены для работы на стороне 0.4 кВ. Схемы АВР в установках выше 1000В тоже широко применяются, но это уже отдельная история.
Блок авр на 2 ввода
Определенный интерес представляет моноблочная конструкция системы автоматического ввода резерва от китайской фирмы ANDELI под названием HATS7. Удобная панель управления позволяет настроить алгоритм работы под нужды клиента, силовая часть системы, показанной на фото слева, рассчитана на токи до 160А. Ну так как китайский ампер будет поменьше нашего (шутка), я бы не пробовал его на длительных токах выше 100А. Панель управления может быть вынесена за пределы щита в более удобное место — например, на дверцу щита. Данный блок АВР можно настроить на работу с двумя линиями либо с одной линией и автономным генератором. Силовая часть — это два автомата либо контактора, которыми управляет приводной механизм. Естественно, электрическая и механическая блокировка имеется. Каким образом это делается на автоматах — смотрите на рисунке справа.
АВР на реверсивном рубильнике с электроприводом
Такая конструкция интересна прежде всего тем, что потребляет электроэнергию только в момент переключения, в отличие от контакторов, реле и т.п. Здесь практически исключена какая-либо вероятность электрического контакта одного ввода с другим. Например, разъединитель с автоматическим переключением серии NH40SZ может работать в следующих режимах:
- Сетевой источник питания – резервный источник питания, автоматическое переключение, самовозврат
- Основной – основной источник питания, автоматическое переключение и самовозврат с тестированием потери фазы
- Основной – основной источник питания, автоматическое переключение и самовозврат с тестированием перенапряжения и минимального напряжения
- Основной источник питания – генератор, автоматическое переключение и самовозврат с тестированием перенапряжения, минимального напряжения и частоты
Что такое АВР и его назначение.
Помимо этого, контроллер АВР проверяет отсутствие короткого замыкания, в противном случае подача энергии на эту секцию недопустима. БУАВР имеет повышенную устойчивость к перенапряжению.


С технической точки зрения реле контроля трехфазного напряжения состоит из измерительной и силовой части. При исчезновении напряжения на первом вводе, отпадает контактор-1 и включается контактор В этой части мы разберем схему для трехфазной электрической сети, выполненную на двух контакторах, где в качестве управляющего элемента применено реле контроля фаз реле контроля трехфазного напряжения.
Но ведь источников питания может быть и больше. Потребитель остается со светом.
Она состоит из двух однополюсных автоматических выключателей, одного контактора и одного двухполюсного автоматического выключателя. В таком случае включить или отключить автомат можно с помощью специальных кнопок. Так, при отсутствии напряжения система переключит потребителя с основного на резервный ввод, однако при появлении напряжения на линии обратное переключение возможно только вручную — отключением питания автоматическим выключателем АВ2 или остановкой генератора.
Схема подключения АВР (380 Вольт)
https://youtube.com/watch?v=YCkQXV0x8w4
Что такое АВР и его назначение?
В подавляющем большинстве случаев такие системы относятся к электрощитовым вводно-коммутационным распредустройствам. Их основная цель — оперативное подключение нагрузки на резервный ввод, в случае возникновения проблем с энергоснабжением потребителя от основного источника питания. Чтобы обеспечить автоматическое переключение на работу в аварийном режиме, система должна отслеживать напряжение питающих вводов и ток нагрузки.
Типовой щит АВР
Расшифровка аббревиатуры АВР
Данное сокращение это первые буквы полного названия системы – Автоматический Ввод Резерва, как нельзя лучше объясняющее ее назначение. Иногда можно услышать расшифровку «Автоматическое Включение Резерва», такое определение не совсем корректное, поскольку под ним подразумевается запуск генератора в качестве резервного источника, что является частным случаем.
Классификация
Вне зависимости от исполнения, блоки, шкафы или АВР принято классифицировать по следующим характеристикам:
- Количество резервных секций. На практике чаще всего встречаются АВР на два питающих ввода, но чтобы обеспечить высокую надежность электроснабжения, может быть задействовано и больше независимых линий.Шкаф АВР на три ввода
- Тип сети. Большинство устройств предназначено для коммутации трехфазного питания, но встречаются и однофазные блоки АВР. Они применяются в бытовых сетях электроснабжения для запуска двигателя генератора.
- Класс напряжения. Устройства могут быть предназначены для работы в цепях до 1000 или использоваться при коммутации высоковольтных линий.
- Мощностью коммутируемой нагрузки.
- Время срабатывания.
Требования к АВР
- Обеспечение подачи питания потребителю электроэнергии от резервного ввода, если произошло непредвиденное прекращение работы основной линии.
- Максимально быстрое восстановление электропитания.
- Обязательная однократность действия. То есть, недопустимо несколько включений-отключений нагрузки из-за КЗ или по иным причинам.
- Включение выключателя основного питания должно производиться автоматикой АВР до подачи резервного электропитания.
- Система АВР должна контролировать цепь управления резервным оборудованием на предмет исправности.
Микропроцессорные бесконтакторные системы
Завершая тему нельзя не упомянуть о АВР с микропроцессорными блоками управления. В таких устройствах, как правило, используются полупроводниковые коммутаторы, которые более надежны, чем аппараты, выполняющие переключение с помощью контакторов.
Электронный блок АВР
Основные преимущества бесконтакторных АВР несложно перечислить:
- Отсутствие механических контактов и всех связанных с ними проблем (залипание, пригорание и т.д.).
- Отпадает необходимость в механической блокировке.
- Более широкий диапазон управления параметрами срабатывания.
К числу недостатков следует отнести сложный ремонт электронных АВР. Самостоятельно реализовать схему устройства также не просто, для этого потребуются знания электротехники, электроники и программирования.
Принцип действия АВР основан на контроле тока в цепи.
Это может быть реализовано с помощью любых реле напряжения либо цифровых логических блоков защиты.
Но принцип работы всё равно остаётся таким же.
Пример:
Это однолинейная схема, на которой видно, что мониторинг наличия напряжения осуществляется контактором КМ. Оба автомата QS1 и QS2 должны быть включены, при этом катушка КМ получит питание и будет втянута, а её замыкающий контакт в цепи главного ввода тоже замкнут и размыкающий контакт в цепи запасного ввода разомкнут.
Принцип действия АВР и генератора
При частых сбоях питания в сети резерв в доме лучше установить, поскольку от этого зависит долговечность бытовых приборов, а также комфортные условия проживания. В квартиры устанавливают бесперебойники на аккумуляторах, которые преимущественно применяются для электронной техники. Генераторы наиболее распространены как резервные источники питания частных домов.
Генератор в самом простом варианте подключается к электроснабжению дома через перекидной рубильник. Это предупреждает короткое замыкание при ошибочном вводе резерва, когда не выключены автоматы подачи электроэнергии в дом. Рубильник выбирается с тремя положениями, где среднее из них полностью отсекает электричество.
АВР можно установить в автоматическом режиме, если снабдить генератор автоматическим пусковым устройством и управлять им из шкафа с помощью контакторов, которые также переключают вводы.
Автоматика работает на микропроцессорном управлении, например, на реле-контроллерах Easy. Для ввода резерва АВР применяют датчики напряжения. Как только отключается питание, сразу происходит запуск двигателя генератора. На достижение рабочего режима уходит некоторое время, после чего АВР производит переключение нагрузки на резерв. Подобные задержки допустимы для бытовых потребностей.
Блок автоматического запуска генератора (БАЗГ)
Блок автоматического запуска генератора, это система, которая обеспечивает запуск и управление резервного генератора при нарушении электроснабжения. Он производит пять попыток запуска в течение 5 секунд в каждом интервале после того, как исчезнет напряжение на основном вводе. Кроме того, он управляет воздушной заслонкой, закрывая ее в момент запуска.
Если на основном вводе снова появляется напряжение, устройство переключает нагрузку обратно и останавливает двигатель генератора. При простое генератора подача топлива перекрывается электромагнитным клапаном.















































