Применение «метеоритного дождя»
Лучше всего такие гирлянды подойдут для обустройства двора, деревьев, арочных перекрытий или внутри дома. Ими стоит украшать уличные пространства, фасад дома, рекламные щиты и другие стационарные объекта ландшафта. На лицевой стороне построек из разных элементов «метеорного дождя» можно собрать фигуру в форме снежинки или подсветить витрину в магазине. Если подвесить на высокие потолки такие RGB-гирлянды, то помещение будет похоже на оформление магических замков из книг.
Гирлянда метеор
Важно! Данный вид огней не нагревается при работе, поэтому они не пожароопасные, для их покупки не нужно дополнительных сертификатов. Такие гирлянды используются для различных украшений дворовой территории, интерьера внутренних помещений
Эффектно будут смотреться композиции из таких гирлянд, грамотно составленные дизайнером для придания помещению неповторимого антуража и создания праздничного настроения
Такие гирлянды используются для различных украшений дворовой территории, интерьера внутренних помещений. Эффектно будут смотреться композиции из таких гирлянд, грамотно составленные дизайнером для придания помещению неповторимого антуража и создания праздничного настроения.
Устройство гирлянды
Гирлянда «падающий дождь» устроена таким образом, что светодиоды могут загораться в различной последовательности и комбинациях: могут зажигаться и тухнуть до конца как по очереди, так и в разное время. Звездный дождь гирлянда имеет эффект «летящей звезды»: при прохождении светового потока по гирлянде диоды засвечиваются сразу, но погасают постепенно, с присущим эффектом остаточного свечения. Комплект гирлянды состоит из 8-10 прозрачных трубок, подсоединены они параллельно, питаются от сети 220 вольт или от блока питания на 5 ватт.
Устройство каждой отдельной трубки идентично и являет собой следующую конструкцию:
- Прозрачная трубка, имеющая длину не менее двадцати сантиметров и до одного метра. Там же расположена микросхема в форме полоски;
- По обоим краям платы размещены SMD-светодиоды попарно с микроконтроллерами для слежения за их работой. Они бывают одноцветные или разноцветные, благодаря чему обеспечивается яркость свечения вокруг оси конструкции. В устаревших версиях на ленте расположены диоды на ножках. Эти элементы светятся прямо через отверстие на текстолитовой плате;
- В самом начале микросхемы расположились блок питания (причем без трансформатора) и микроконтроллер управления. В зависимости от версии платы, блок питания может находиться раздельно;
- К припаянным проводам на плату подается напряжение от сети;
- Конструкция герметична и пригодна к работе на улице и в открытых пространствах;
- На конце каждой гирлянды есть разъем, чтобы можно было подключить еще одну такую же гирлянду. Температурный режим установлен для нее в пределах следующих температур: от -40*С до +40*С сорока градусов по Цельсию.
Что украсить световыми струями
Крупной гирляндой капли дождя в исполнении для наружной установки можно украсить фасад коммерческого объекта
Подобная декорация создает праздничную атмосферу и привлекает внимание. Зимой в отечественных широтах она выполняет свои функции продолжительное время с учетом короткого светового дня
Оформление галереи
Дома гирлянду электрическую водопад можно установить в оконном проеме изнутри. Этими изделиями декорируют ниши, свободные стены. «Сосульки» закрепляют на люстрах, напольных торшерах, специальных подвесах. Такие проекты реализуют с помощью относительно недорогих изделий, предназначенных для монтажа в отапливаемых помещениях.
В любом случае предварительно уточняют место установки и режим эксплуатации. Подбирают компоненты с учетом потребляемой мощности
При выполнении монтажных операций особое внимание уделяют качеству электрических соединений и герметизации. Проводку следует размещать таким образом, чтобы предотвратить к ней доступ детей и случайное повреждение
Если обнаружены неисправности, эксплуатацию прекращают до устранения проблем.
Преимущества и виды светодиодных гирлянд
Все изделия этой категории создают на основе экономичных светодиодов. Эти элементы закрепляют последовательно, устанавливают в рабочем положении вертикально. Попеременное подключение к источнику питания группами по заданной программе искусно имитирует падение капель дождя. В стандартном наборе соответствующие функции выполняет блок управления (контроллер).
Ниже подробно представлены особенности светодиодного дождя в исполнении «водопад» и другие модели. Можно отметить преимущества, единые для всех модификаций:
- устойчивость к механическим, температурным и другим внешним воздействиям;
- существенное уменьшение потребляемой мощности, по сравнению с галогенными источниками или стандартными лампами накаливания;
- увеличенный срок службы;
- миниатюрные размеры светоизлучающих элементов;
- минимальный нагрев окружающего пространства;
- хорошая приспособленность к частым переключениям.
Единственный недостаток – высокая цена, по сравнению с аналогами. Однако этот фактор следует оценивать объективно. Срок службы светодиодных источников превышает 10 лет даже при очень интенсивной эксплуатации. Функциональность электрогирлянды на лампах накаливания приходится восстанавливать после каждого сезона. Вольфрамовые нити повреждаются частыми переключениями. Они много энергии расходуют попусту, так как значительная часть спектра излучения находится в диапазоне инфракрасных волн.
Обзор режимов
Параллельное подключение нескольких групп повышает надежность. При нарушении одной цепи питания остальные продолжат выполнять свои функции. Дополнительным плюсом является возможность подачи питания по специальному алгоритму.
Электронное управление
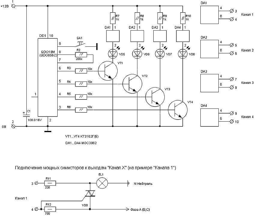
На рисунке приведена реализация блока на основе типовой микросхемы. Встроенная память «прошивается» в фабричных условиях. Пользователь меняет режимы последовательно нажатием кнопки SA1. Для большего числа компонентов и соответствующего увеличения мощности отдельных каналов применяют соответствующие ключи – симисторы.
Стандартные режимы блока управления светодиодных гирлянд:
- мерцание (флэш);
- постоянное включение;
- увеличение/уменьшение скорости «падения капель»;
- плавное изменение яркости;
- автоматическое переключение программ.
Размеры и вариации
С помощью «Т» образных коннекторов некоторые модели можно соединять в единую крупную конструкцию. При необходимости добавляют контроллеры, трансформаторы.
К сведению. Обязательно следует учитывать суммарное потребление электроэнергии. На определенном уровне придется учитывать ограничение по силе тока. В частности, понадобятся кабели с более толстыми проводящими жилами.
В стандартном описании производители приводят следующие характеристики:
- количество и размеры отдельных секций;
- потребляемая мощность;
- количество каналов, режимов управления;
- постоянное напряжение источника питания;
- общее число и цвет светодиодов;
- защищенность по стандарту IP.
Последняя позиция поясняет приспособленность устройства к неблагоприятным внешним условиям. В исполнении IP 65 обеспечивается герметичность при попадании капель дождя с любой стороны. Если предполагается применение только в помещении с поддержанием плюсовой температуры, достаточно приобрести менее дорогую гирлянду, созданную по стандарту IP 44.
Для более тщательной проверки изучают отзывы о продукции конкретного производителя. Отдельно можно уточнить материал внешней оболочки кабеля, декоративного корпуса. Обычно эти детали создают из поливинилхлорида, который не становится слишком хрупким вплоть до -30°C. Специальными добавками улучшают морозостойкость полимера до уровня -40°C и ниже.
Точные ограничения приведены в сопроводительной документации. Особенно внимательно надо проверить требования к размещению электроники. Блоки питания и управления устанавливают с учетом рекомендованного уровня влажности.
«Световой дождь»
Такие модели формируют из нитей. Как правило, применяют единичные светодиоды, которые в рабочем положении составляют поле с расстоянием между отдельными элементами 8-12 см
При выборе следует обратить внимание на целевое назначение «дождика» (для помещений или наружного монтажа)
Специалисты по декору рекомендуют приобретать модели с прозрачной оплеткой кабеля. Они менее заметны на разном цветовом фоне. При правильном размещении гирлянды создается эффект падающих светящихся «капель дождя».
«Гирлянда водопад»
Этот вариант отличается хаотичным расположением светодиодов за счет специальных сдвигов отдельных нитей по вертикали. Расстояние между излучателями на кабеле может быть одинаковым. Следующей особенностью является специальная настройка. Гирлянда занавес водопад имитирует струи воды, падающие единым потоком. Для улучшения эффекта рекомендуется применять достаточно большое поле.
«Умный дождь»
Такие модели предлагают в модульном исполнении. Последовательное подключение через коннекторы позволяет сформировать поле длиной несколько сотен метров. Главным отличием является применение контроллера профессионального уровня, который способен управлять отдельно каждым светодиодом. Соединение отдельных элементов выполняется по параллельной схеме, что увеличивает стоимость одновременно с улучшением надежности.
Этот вариант подразумевает максимальные возможности. При подключении компьютера гирлянда умный дождь превращается в экран для создания динамических надписей, рисунков. В таком исполнении параметры эффектов зависят исключительно от желаний пользователей.
«Светодиодные сосульки»
Такие конструкции собирают на жесткой основе. Светодиоды закрепляют рядом или с минимальными промежутками в одну линию. Это расположение помогает реалистично имитировать скатывание капель воды. В некоторых моделях элементы устанавливают с двух сторон, что обеспечивает хорошую обзорность с любого направления. Для улучшения внешнего вида и защищенности применяют прозрачный корпус из пластика.
К сведению. Именно в таком исполнении изделия наиболее хорошо приспособлены к сложным условиям эксплуатации.
Для подключения «сосулек» в единую систему производители предлагают специализированные коннекторы. Подходящий трансформатор выбирают с учетом общего числа элементов. Управление организовано от встроенного блока.





























