Документирование результатов измерений
По итогам проведенных работ подготавливается отдельный документ, в котором фиксируются все необходимые данные.
В бытовых однофазных цепях вполне достаточно будет провести три замера. В последних строчках заполняемого протокола обязательно должна присутствовать фраза о соответствии полученных результатов требованиям ПУЭ.
Кроме того, в них вносятся следующие данные:
- Дата и объем проведенных обследований.
- Сведения о составе рабочей бригады (из обслуживающего персонала).
- Используемые при проверке измерительные приборы.
- Схема их подключения, окружающая температура, а также условия проведения работ.
По завершении протоколирования измерений журнал с соответствующими записями убирается в надежное место, где он хранится до следующих испытаний. Сохраненные таким образом акты замеров в любой момент могут потребоваться для того, чтобы в аварийных ситуациях служить доказательством исправности поврежденного изделия.
Готовый протокол обязательно заверяется подписью производителя работ и проверяющего, назначенного из состава оперативного персонала. Для оформления актов замеров допускается использовать обычный блокнот, но более законным и надежным способом считается заполнение специального бланка (его образец приводится ниже).
Образец протокола измерения сопротивления изоляции
Заранее подготовленная форма протокола содержит пункты, в которых указываются:
- Порядок проведения измерительных операций.
- Применяемые при этом средства измерения.
- Основные нормативы по контролируемому параметру.
Кроме того, форма актов измерения электропроводок содержит готовые таблицы, подготовленные к заполнению. В таком виде документ составляется на компьютере всего лишь один раз, после чего он распечатывается на принтере в нескольких экземплярах. Такой подход позволяет сэкономит время на подготовку документации и придает актам замеров законченный, официальный вид.
Наши преимущества
Лицензия РосТехНадзора №5742
Лицензируемая организация ООО Инженерный центр ”ПрофЭнергия” гарантирует точность, объективность и достоверность результатов.
Поверенные приборы и оборудование (СП №0889514)
Проверенные приборы и оборудование (СП №0889514): В нашей кампании используется только качественные приборы и оборудование.
Бесплатный выезд на объект и расчет сметы
Бесплатный выезд на объект и расчет сметы: Наши специалисты бесплатно приедут на объект и рассчитают стоимость.
На 25% выгоднее конкурентов
На 25% выгоднее конкурентов: У нас честные цены. А так же действуют индивидуальные скидки.
Кандидаты технических наук в штате
Кандидаты технических наук в штате: «ПрофЭнергия» имеет очень отлаженный коллектив квалифицированных инженеров с допусками ко всем видам проводимых работ.
Нормы и правила
Согласно нормам ПУЭ заземляющие проводники, а также используемые для выравнивания потенциалов, необходимо надежно соединять, чтобы обеспечить наличие непрерывности цепи заземления. При этом для стальных проводников предписывается сварочное соединение, другие способы контакта допускаются только в том случае, если имеется защита от разрушающего воздействия воздушной среды. При использовании болтовых соединений, должны быть приняты соответствующие меры, не позволяющие ослабевать контактному соединению.
Все соединения цепи заземлителя и заземленного устройства должны быть расположены таким образом, чтобы к ним имелся свободный доступ, поскольку должен производиться осмотр, с целью проверки непрерывности электрического соединения. Исключение их этого правила – герметизированные контакты.
В Правилах также указано, что для контакта с заземляющими устройствами могут выполняться болтовыми или сварочными соединениями. Если устройства электроустановок подвержены сильной вибрации или их часто перемещают на другое место, то применяются гибкий защитный провод.
Более детальную информацию о нормах и правилах, можно получить в ПУЭ (р. 1.7.).
Измерительные приборы
Приборы для измерения сопротивления изоляции условно делятся на две группы. Это: щитовые измерители переменного тока и малогабаритные приборы (они переносятся вручную). Первые образцы применяются в комплекте с подвижными или стационарными установками, имеющими собственную нейтраль. Конструктивно они состоят из релейной и индикаторной частей и способны непрерывно работать в действующих сетях 220 или 380 Вольт.
Чаще всего замеры сопротивления изоляции электропроводки организуются и проводятся с использованием мобильных устройств, называемых мегаомметрами. В отличие от обычного омметра, это прибор предназначается для измерений особого класса, основанных на оценке состояния изоляции при воздействии на нее высокого напряжения.
Известные модели этих приборов бывают аналоговыми и цифровыми. В первых из них для получения нужной величины испытательного напряжения используется механический принцип (как в «динамо-машине»). Специалисты нередко называют их «стрелочными», что объясняется наличием градуированной шкалы и измерительной головки со стрелкой.
Эти устройства достаточно надежны и просты в обращении, но на сегодня они морально устарели. Основное неудобство работы с ними состоит в значительном весе и больших габаритах. На смену им пришли современные цифровые измерители, в схеме которых предусмотрен мощный генератор, собранный на ШИМ контроллере и нескольких полевых транзисторах.
Такие модели в зависимости от конкретной конструкции способны работать как от сетевого адаптера, так и от автономного питания (один из вариантов – аккумуляторные батареи). Показания по измерению изоляции силовых кабелей в этих приборах выводятся на ЖК дисплей. Принцип их работы основан на сравнении проверяемого параметра и эталона, после которого полученные данные поступают в специальный блок (анализатор) и обрабатываются там.
Цифровые приборы отличаются сравнительно небольшим весом и малыми размерами, что очень удобно при проведении полевых испытаний. Типичными представителями таких приборов являются популярные измерители Fluke 1507 (фото слева). Однако для работы с электронной схемой нужен определенный уровень квалификации, позволяющий подготовить прибор и получить при измерениях минимальную погрешность. Такой же подход потребуется и при обращении с импортным цифровым изделием под обозначением «1800 in».
Важно отметить, что проверять изоляцию кабельной продукции посредством обычных измерительных приборов не имеет смысла. Для этих целей не годится ни самый «продвинутый» мультиметр, ни любой другой подобный ему образец
С их помощью удастся провести лишь приблизительную оценку параметра, полученного с большим процентом погрешности.
Подготовка к измерениям
Подготовка к проведению испытаний изоляции сводится к выбору прибора, подходящего по своим характеристикам для заявленных целей, а также к организации схемы измерений. Наиболее подходящими для большинства случаев считаются следующие приборы:
- Мегаомметры типа М4100, имеющие до пяти модификаций.
- Измерители серии Ф 4100 (модели Ф4101, Ф4102, рассчитанные на пределы от 100 Вольт до одного киловольта).
- Приборы ЭС-0202/1Г (пределы 100, 250, 500 Вольт) и ЭС0202/2Г (0,5, 1,0 и 2,5 кВ).
- Цифровой прибор Fluke 1507 (пределы 50, 100, 250, 500, 1000 Вольт).
Мегаомметр М4100
Мегаомметр-Ф-4100
Мегаомметр-ЭС-02021Г
Цифровой измеритель Fluke 1507
Согласно ПУЭ перед замерами сопротивления изоляции потребуется подготовить схему присоединения мегаомметра к элементам проверяемого объекта. Для этого в комплекте измерителя имеется пара гибких проводов длиной не более 2-х метров. Собственное сопротивление их изоляции не может быть менее 100 Мом.
Отметим также, что для удобства проверки изоляции кабеля мегаомметром рабочее концы проводов маркируются, а со стороны прибора на них надеваются специальные наконечники. С ответной стороны измерительные кабели оборудуются зажимами типа «крокодил» со специальными щупами и изолированными ручками.
Причины возникновения явления
Общее сопротивление
Контактное соединение коммутирует между собой участки электроцепи. Там, где происходит соединение, получается токопроводящее взаимное прикосновение, через которое ток из одного участка цепи переходит в другой. Обычное наложение поверхностей не выполняет качественного соединения. Это связано с тем, что реальные поверхности – это неровности, имеющие выступы и углубления. При достаточном увеличении изображения можно это наблюдать даже на отшлифованных плоскостях.

Пятно контакта под микроскопом
Внимание! На практике получается, что площадь реального прикосновения гораздо меньше всей площади контакта. Ещё одной причиной возникновения такого сопротивления являются пленки окисления металла, присутствующие на поверхностях
Они препятствуют движению электричества и стягивают линии тока к точкам касания. Избавиться от этого сопротивления полностью невозможно. Его величина всегда больше, чем удельные сопротивления металлов, из которых выполнены проводники
Ещё одной причиной возникновения такого сопротивления являются пленки окисления металла, присутствующие на поверхностях. Они препятствуют движению электричества и стягивают линии тока к точкам касания. Избавиться от этого сопротивления полностью невозможно. Его величина всегда больше, чем удельные сопротивления металлов, из которых выполнены проводники.

Микроструктура электрического контакта
Цель измерений
Для количественной оценки рассматриваемого параметра были разработаны специальные методики, предполагающие измерение металлосвязи в зоне контакта элементов заземляющей системы. Проводимые при этом испытания ставят своей целью:
- проверку исправности проводников, соединяющих отдельные элементы заземления (включая систему выравнивания потенциалов);
- оценку состояния их изоляционного покрытия;
- выявление факта наличия или отсутствия потенциала на заземлённых частях электроустановок.
Для измерения параметров металлосвязи к работе должны привлекаться специалисты лабораторий, имеющих право на проведение таких испытаний (владеющие соответствующим сертификатом).
Электрическое сопротивление контактов
Работу контактов определяет переходное электрическое сопротивление, которое зависит от площади контактирования. Чтобы уменьшить переходное сопротивление контактов, необходимо увеличить силу прижатия контактов.
Таким образом достигается допустимый максимум рабочей температуры, находящийся в пределах от 100 до 120°С. По мере увеличения значения номинального тока коммутирующего аппарата, контактное переходное сопротивление должно уменьшаться с помощью повышения контактного нажатия, при этом обязательно необходимо увеличить поверхность охлаждения.
Состав материала из которого изготавливают токоведущие элементы контактов содержит материалы с минимальным удельным электрическим сопротивлением — серебро, медь или металлокерамические композиции.
I 4
,= 1
где Rxi — сопротивление, полученное в /-м измерении, Ом; п — число измерений.
3.4.2. Статическую нестабильность переходного сопротивления контакта A RCT в омах рассчитывают по формуле _
ARCT = \H, Х^ср-Ях,)2-
3.5. Показатели точности измерений
3.5.1. Погрешность измерения статической нестабильности переходного сопротивления контакта — в пределах + 10 % с вероятностью 0,95.
4. МЕТОД ИЗМЕРЕНИЯ ДИНАМИЧЕСКОЙ НЕСТАБИЛЬНОСТИ ПЕРЕХОДНОГО СОПРОТИВЛЕНИЯ КОНТАКТА
4.1. Принцип и режим измерения
4.1.1. Принцип измерения заключается в определении значения максимального изменения падения напряжения на контактном переходе при испытаниях в динамическом режиме. Вид испытаний должен соответствовать указанному в стандартах или технических условиях на изделия конкретных типов по ГОСТ 20.57.406—81.
(Измененная редакция, Изм. № 1).
4.1.2. Измерение проводят при постоянном токе; ЭДС электрической цепи должна быть не более 20 мВ и ток не более 50 мА или в режиме, указанном в стандартах или технических условиях на изделия конкретного типов.
4.2. Аппаратура
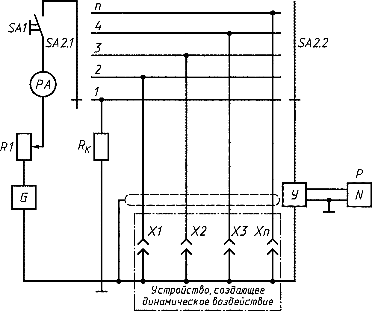
4.2.1. Измерение проводят на установке, электрическая схема которой приведена на черт. 2.

G — источник тока; SA1, SA2— переключатели; РА — амперметр; R1 — переменный резистор; Rk — калибровочный резистор; У — усилитель; Р осциллограф; XI, Х2, ХЗ, . . . , Хп — измеряемые контакты: 1, 2, 3, 4, . . . , п — положения измеряемых контактов
Черт. 2
(Измененная редакция, Изм. № 1).
4.2.2. Погрешность амперметра — в пределах ± 1 %.
4.2.3. Устройство для измерения динамической нестабильности переходного сопротивления контакта должно иметь прямолинейную частотную характеристику в диапазоне частот от 400 Гц до 1 МГц с неравномерностью + 3 дБ и обладать чувствительностью на частотах до 1 МГц:
50 мкВ/см — при измерении сопротивления до 5 мОм;
500 мкВ/см — при измерении сопротивления свыше 5 до 30 мОм;
1,0 мВ/см — при измерении сопротивления свыше 30 мОм.
(Измененная редакция, Изм. № 1).
4.2.4. (Исключен, Изм. № 1).
4.2.5. Сопротивление калибровочного резистора должно быть равно сопротивлению контакта, установленному в стандартах или технических условиях на изделия конкретных типов с допускаемым отклонением в пределах + 1 %.
4.2.6. Кабель, соединяющий испытуемые изделия с установкой, должен быть длиной не более 10 м и иметь экранирующую заземленную оплетку.
4.3. Подготовка и проведение измерений
4.3.1. Изделия крепят на устройстве, создающем динамическое воздействие. Способ крепления — по стандартам или техническим условиям на изделия конкретных типов.
(Измененная редакция, Изм. № 1).
4.3.2. Перед измерением динамической нестабильности переходного сопротивления контакта проводят калибровку осциллографа. Переключатель SA2 устанавливают в положение 1 и проверяют по осциллографу зависимость размаха сигнала от значения тока в трех—пяти точках. Нелинейность этой зависимости должна быть в пределах + 10 %.
4.3.3. (Исключен, Изм. № 1).
4.3.4. Значение воздействия наводок на переходное сопротивление контакта определяют при разомкнутом переключателе SA1 и вычитают из значения общего сигнала, поступающего на осциллограф при измерении падения напряжения на контактном переходе при испытаниях в динамическом режиме.
(Измененная редакция, Изм. № 1).
4.3.5. Переключатель SA2 переводят из положения 1 в положения 2, 3, 4, . . . , п (см. черт. 2), поочередно измеряя на осциллографе падение напряжения на контактном переходе.
4.3.6. Измерение нестабильности сопротивления контактов проводят в течение времени, установленного в стандартах или технических условиях на изделия конкретных типов.
(Введен дополнительно, Изм. № 1).
4.4. Обработка результатов
4.4.1. Динамическую нестабильность DH в процентах рассчитывают по формуле
Как часто замерять ПС заземления
Заземление – это специальное соединение оборудования с заземляющим устройством (ЗУ).
ЗУ представляет собой устройство, состоящее из следующих элементов:
- заземлителя (контура заземления);
- шины заземления;
- заземляющих проводников.
Проверку в полном объёме с вскрытием грунта, осмотром состояния заземлителей и соединяющих их проводников проводят 1 раз в 12 лет. Внеплановые проверки проводят после капитальных ремонтов, связанных с заземляющими элементами. Срок проверки и измерений ПС ЗУ назначается на основании рекомендаций организации, которая выполняла предыдущую проверку.
Значение Rп, лежащее в пределах регламентируемых норм, обеспечивает стабильную работу коммутационных устройств. Это, в свою очередь, способствует бесперебойной и безопасной эксплуатации оборудования.
Факторы, влияющие на величину переходного сопротивления
Удельное сопротивление
Прежде, чем говорить о факторах, нужно знать, что собой представляют контакты. Они различаются по виду контактируемой поверхности:
- точечные – соединение происходит в точке;
- линейные – соприкасаются по линии;
- плоскостные – контакт по плоскости.
Примеры точечных соединений – «сфера – сфера»; «вершина конуса – плоскость», «сфера – плоскость» и др. К линейным относятся соприкосновения: «тор – плоскость», «цилиндр – плоскость», «цилиндр – цилиндр» и т.п.
Площадь прикосновения контактов можно подсчитать по формуле:
Sпр = F/σ,
где:
- F – сила сжатия контактов;
- σ – временное сопротивление материала контактов сжатию.
Существуют разные способы соединения:
- механические (скрутки, болтовые зажимы, опрессовка);
- сварка;
- пайка.
Величина переходного сопротивления определяется по формуле:
Rп = knx/(0,102*Fk)n,
где:
- knx – коэффициент, обуславливаемый материалом, формой контакта, состоянием поверхности;
- Fk – сила, с которой сжимаются контакты;
- n – показатель степени, показывающий число точек соприкосновения.
Показатель степени для разных видов контактов:
- для точечного – n = 0,5;
- для линейного – n = 0,5-0,7;
- для плоскостного (поверхностного) – n = 0,7-1.
Существуют принятые по гост ГОСТ 24606.3-82 нормы переходного сопротивления контактов.

Факторы, влияющие на Rп
Внимание! С окислением поверхностей металлов в местах соединений можно бороться при помощи протирания контактов спиртосодержащими растворами. Допустимо смазывать болтовые соединения солидолом, это поможет снижать доступ кислорода и замедлять процесс окисления
Регулярная протяжка контактов и скруток, недопустимость соединений меди и алюминия, полировка губок контакторов – всё это меры борьбы с переходным сопротивлением.
К сведению. Плохое прижатие контактируемых поверхностей вызывает не только повышение сопротивления, но и увеличение степени нагрева проводников.

Результат нагрева места соединения
Нелинейный характер переходного сопротивления
Окисная пленка и неметаллические включения обуславливают повышенное переходное сопротивление (далее Rпер.) контактов. Его величина уменьшается при увеличении измерительного тока, поэтому наиболее достоверные измерения будут при токах, близких к рабочим токам выключателей. А при малом измерительном токе микроомметра значение Rпер. может оказаться выше допустимого паспортного значения и потребуется не нужная разборка выключателя для зачистки контактов.
Поэтому, если в паспорте выключателя не указано значение тока, при котором следует измерять сопротивление его контактов, то целесообразно следовать ГОСТ 17441-84 (п. 2.6.2), в котором рекомендуемая сила длительно протекающего измерительного тока не должна превышать 0,3 номинального тока контактного соединения.
Как часто замерять ПС заземления
Заземление – это специальное соединение оборудования с заземляющим устройством (ЗУ).
ЗУ представляет собой устройство, состоящее из следующих элементов:
- заземлителя (контура заземления);
- шины заземления;
- заземляющих проводников.
Проверку в полном объёме с вскрытием грунта, осмотром состояния заземлителей и соединяющих их проводников проводят 1 раз в 12 лет. Внеплановые проверки проводят после капитальных ремонтов, связанных с заземляющими элементами. Срок проверки и измерений ПС ЗУ назначается на основании рекомендаций организации, которая выполняла предыдущую проверку.
Значение Rп, лежащее в пределах регламентируемых норм, обеспечивает стабильную работу коммутационных устройств. Это, в свою очередь, способствует бесперебойной и безопасной эксплуатации оборудования.
Нормы электроустановок по величине переходного сопротивления
На качественное выполнение функций электрических коммутационных аппаратов влияет величина сопротивления переходных контактов. Она оказывает существенное значение на быстроту срабатывания, как мощных электрических устройств типа масляных выключателей, так и слаботочной аппаратуры типа кнопок, переключателей, тумблеров. Так как допустимую величину переходного сопротивления необходимо периодически контролировать она обычно заносится в паспорт на изделие заводом — изготовителем.
Если в паспорте отсутствует информация по допустимой норме переходного сопротивления, следует обратиться к следующим нормативно — техническим документам: ПУЭ (7 издание), ГОСТ 24606.3–82, ГОСТ 17441–78 и другим стандартам, включая отраслевые. В зависимости от мощности и вида электрического оборудования (выключателей, разъединителей, отделителей и других) задается величина номинального тока, которому соответствует предельное значение переходного сопротивления. Его допустимое значение составляет достаточно малую величину, измеряемую в тысячных долях (мкОм).
Важным показателем эффективности работы заземления является минимальное сопротивление прохождению тока через грунт. Так как конструкция заземления состоит из нескольких соединенных между собой элементов, то одним из факторов, влияющих на его работу, будет переходное сопротивление. Его максимальное значение согласно требованиям ПУЭ не должно быть большим 0.05 Ом на любом контактном переходе заземления. Такая величина позволит быстро сбросить мощный потенциал, возникший, например, во время короткого замыкания.
Зачем измерять переходное сопротивление (ПС)
Электрические установки (ЭУ), а также корпуса электродвигателей, генераторов, трансформаторов и других преобразователей необходимо заземлять. Присоединение заземляющего устройства к оборудованию и ЭУ выполняется болтовым соединением, которое так же имеет ПС.
Для надёжности срабатывания защитного отключения при коротком замыкании переменного тока на корпус ПС периодически должно проверяться.
Результаты тестирования ПС дают возможность понять, какова вероятность поражения человека током, есть ли опасность возгорания оборудования при повышении температуры на плохих контактах. Высокое ПС увеличивает время срабатывания защитного оборудования.
Методика измерения
Существует регламент измерений Rп для коммутационных устройств: автоматических выключателей, разъединителей, сборных и соединительных шин и другой аппаратуры.
Методы измерений следующие:
- метод непосредственного отсчёта;
- способ вольтметра-амперметра;
- измерение статической нестабильности Rп.
При первом способе тестирования применяют приборы, позволяющие выполнять непосредственный отсчёт с учётом погрешности (±10%). При этом методе измеряют сопротивление контактного соединения.
Важно! Тестируемые поверхности контакт-детали не зачищают и не обрабатывают перед измерением. Контакт-деталь сочленяют (замыкают) и присоединяют к выводам приборов
Размыкание контактов и передвижение измерительных проводов недопустимы.
При помощи метода вольтметра-амперметра определяют величину падения напряжения (при установленном значении тока) на тестируемом переходе.
Схема измерительной установки
Все погрешности измерений приборов, входящих в схему, должны быть в пределах ±3%. Значение R1 подбирают на два порядка больше, чем предполагаемое измеряемое сопротивление.
Расчёт результатов измерений выполняют по формуле:
Rп = UPV2/IPA,
где:
- UPV2 – результат, полученный на вольтметре PV2, В;
- IPA – ток, измеряемый амперметром PA, А.
Статическую нестабильность Rп определяют, находя величину среднеквадратичного отклонения Rп по результатам многочисленных замеров.
Внимание! Переходное сопротивление замеряют одним из методов, рассмотренных выше. Контакт-деталь размыкают и заново смыкают перед каждым тестированием, снимая электрическую нагрузку
Необходимый результат получают, используя формулы на рис. ниже.
Формулы для расчёта результата методом статической нестабильности
Погрешность результатов, полученных при этом методе, лежит в пределах ±10% (с вероятностью 0,95).
Перечень приборов, применяемых для измерений
Измерения Rп переходов проводят и микрометром ММR-610. В результате работы тестируют сопротивления постоянному току контактов автоматов и других соединений. Проводят два вида измерений:
- однонаправленным током;
- двунаправленным током.
В первом случае не отображается величина активного сопротивления R, зато этот метод убыстряет процесс измерений там, где нет внутренних напряжений и сил электростатики. Во втором случае прибор устраняет погрешности (ошибки), возникающие от присутствия в тестируемой конструкции таких сил и напряжений.
Микроомметр MMR – 610
Полученные в результате измерений (проверки) данные записываются в протокол, согласно ПУЭ-7 п.1.8.5. Протокол хранится совместно с паспортами на оборудование.
Образец протокола проверки
Фиксирование результатов
По завершении замеров переходных характеристик всей заземляющей системы заказчику работ должен быть вручён протокол измерения и проверки металлосвязи, оформленный по установленному образцу.
В этом документе обязательно должна быть отражена следующая информация:
- название и геофизические данные исследуемого электротехнического устройства или установки;
- число входящих в неё контактов, прошедших проверку;
- значение максимального сопротивления всей измеряемой цепочки.
При наличии каких-либо отклонений в параметрах и состоянии элементов обследуемого оборудования (отсутствие нормального заземления или несоответствие его параметров общепринятым правилам) обнаруженные нарушения также фиксируются в протоколе измерений металлосвязи.
Стоит отметить, что металлосвязь является важнейшим показателем безопасности эксплуатации действующих электроустановок.
В случае если её параметры не соответствует требованиям нормативов, следует принять меры по устранению этого недостатка (организовать протяжку болтовых соединений, разборку и чистку контактов и так далее).
Но если эти действия не приводят к желаемому результату – следует обновить всю рабочую цепочку защитного заземления.
Зачем измерять переходное сопротивление (ПС)
Электрические установки (ЭУ), а также корпуса электродвигателей, генераторов, трансформаторов и других преобразователей необходимо заземлять. Присоединение заземляющего устройства к оборудованию и ЭУ выполняется болтовым соединением, которое так же имеет ПС.
Для надёжности срабатывания защитного отключения при коротком замыкании переменного тока на корпус ПС периодически должно проверяться.
Результаты тестирования ПС дают возможность понять, какова вероятность поражения человека током, есть ли опасность возгорания оборудования при повышении температуры на плохих контактах. Высокое ПС увеличивает время срабатывания защитного оборудования.


















































