Можно ли соединять нулевой провод с корпусом электроприбора в бытовых условиях?
Не нужно путать вопрос “Можно ли применять зануление в системе TN-C?” с вопросом “Можно ли соединять нулевой провод с корпусом электроприбора в бытовых условиях?”
Система TN-C запрещена для применения однофазных сетях. А также запрещена в быту хоть в однофазных, хоть в трехфазных сетях (). Питание электроприемников жилых, общественных, административных и бытовых зданий должно выполняться от сети 380/220 В с системой заземления TN-S или TN-C-S.
Другими словами в однофазной сети, а также трехфазной бытовой сети нулевой проводник является только рабочим. Он не может применяться одновременно и для защиты. Рабочий нулевой проводник категорически нельзя соединять с корпусами электроприборов.
Система TN-C может применяться только в трехфазных сетях. Только на заводах, в различных производственных зданиях, а также в многоэтажных жилых зданиях, но только до ввода в квартиру. В жилых и общественных зданиях может применяться до ближайшей реконструкции. Если в жилом здании проводится ремонт электросетей, то электромонтажники должны перевести сеть на систему TN-S или TN-C-S.
Применение системы TN-C в однофазных сетях и быту опасно. При обрыве комбинированного нулевого проводника на корпусах электроприборов появится напряжение опасное для жизни. Причем ни УЗО, ни автоматические выключатели, ни реле напряжения не отключат сеть в подобной ситуации.
На производстве обрыв комбинированного нулевого проводника маловероятен. В качестве такого проводника используется толстые стальные полосы на сварных соединениях. Использовать подобный метод в быту никто не станет.
На заводах и фабриках круглосуточно находятся бригады дежурных электриков. Они планово проводят осмотр и техническое обслуживание электрооборудования. В быту же о том что нулевой провод отгорел и корпуса электроприборов находятся под напряжением не узнают до удара электротоком.
Электрический удар
Электрический удар (электрошок) возникает, когда две части тела человека контактируют с электрическими проводниками цепи, которая имеет разные потенциалы и создает разницу потенциалов по всему телу. Тело человека имеет сопротивление, и когда оно соединено между двумя проводниками при разном потенциале, цепь образуется через тело, и будет поступать ток. Когда человек контактирует только с одним проводником, цепь не образуется, и ничего не происходит. Когда человек контактирует с проводниками цепи, независимо от того, какое в нем есть напряжение, всегда имеется вероятность получения травмы от электротока.
Разделяют три основные системы заземления электросети TN;TT; IT
Система заземления TN (открытые части соединены с нейтралью)
При системе заземления TN одна точка источника питания электрической сети соединяется с землей при помощи заземляющего электрода и заземляющих проводников. Заземляющий электрод имеет непосредственный контакт с землей. При системе заземления TN открытые проводящие части соединяются с нейтралью, а нейтраль соединяется с землей.
Система TN-C
Если нейтраль объединена с защитными проводами (землей) на всем протяжении электросети, такая система называется и обозначается TN-C.

Система TN-S
Если нейтраль и защитный проводники разделены на всем протяжении электросети, а объединяются только у источника питания, такая система называется TN-S.

Система заземления TN-C-S
Система заземления, при которой разрешено применение и системы заземления TN-C (4-х/2-х проводной) и системы заземления TN-S (5-ти/3-х проводной).
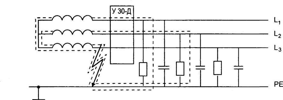
Важно! При системе заземления TN-C-S, запрещено использовать систему TN-C ниже системы TN-S,так как любой обрыв нейтрали в системе TN-C приведет к обрыву защитного провода после системы TN-S.(смотри рисунок)
Система заземления TT-заземленная нейтраль
При системе заземления ТТ средняя точка источника питания соединяется с землей. Все проводящие части электросети соединяются с землей через заземляющий электрод отличный от электрода источника питания. При этом зоны растекания обоих электродов могут пересекаться.

Система заземления IT –изолированная нейтраль
При системе заземления IT полностью изолирована для всей электросети или сопротивление соединения с землей стремится к бесконечности.

На этом все! Относитесь к электрике с почтением!
Elesant.ru
- Автоматы защиты
- Виды опор линий электропередачи по материалу
- Виды опор по назначению
- Воздушные линии электропередачи проводами СИП
- Деревянные опоры воздушных линий электропередачи
- Железобетонные опоры линий электропередачи
- Железобетонные опоры линий электропередачи
- Защита человека от поражения электрическим током, прямое и косвенное прикосновение
- Как получает электроэнергию потребитель низкого напряжения 380 Вольт
- Колодцы кабельной сети этапы установки
Общие понятия
Для более чёткого понимания и восприятия материала рассмотрим два типа электрических сетей. Внешняя питающая электросеть — линии электропередач (ЛЭП), по которым электроэнергия поступает к нам в дом.
На фото ниже показан фрагмент городской воздушной линии электропередачи, питающей жилые дома по моей улице. В типовом случае используют четыре изолятора (ролика) закреплённых на опоре. Три верхних изолятора используют для фазных проводников (обозначены L1, L2, L3) и нижний изолятор используют для нулевого рабочего проводника (обозначен буквой N). При однофазном питании в жилой дом электроэнергия поступает по двум проводам (на фото показана отходящая линия (L1 — N), при трёхфазном электроснабжении в жилой дом электроэнергия поступает по 4 проводам, т. е. используются все четыре провода.
Таким образом, городская воздушная линия (ВЛ) представляет собой четырёхпроводную систему (обозначаемую комбинацией букв TN-C), в которой проводник N (в современной терминологии PEN) совмещает в себе функции рабочего и защитного проводника. Данная система (TN-C), несмотря на её существенные недостатки, для внешних питающих сетей разрешена к применению. Но вот использовать её внутри жилых помещений согласно действующим нормативным документам нельзя.
Внутренняя (внутридомовая) электрическая сеть — лектрическая сеть, проложенная внутри дома, посредством которой обеспечиваются электроэнергией потребители в жилом доме и в хозяйственных постройках, а также освещение помещений дома и хозяйственных построек.
Как отмечалось выше, использовать систему TN-C внутри жилых строений запрещено. К использованию разрешена лишь система TN-C-S. Причин достаточно:
- Невозможность системы TN-C обеспечить требуемую электробезопасность для жильцов дома и безопасность самого строения.
- Невозможность использования (по крайней мере, полноценного) современных устройств защитного отключения.
- Невозможность правильного и безопасного подключения современных бытовых приборов (телевизор, стиральная машина, холодильник и т. д.).
Для наглядности рассмотрим подключение к внутридомовой электросети современной бытовой техники, имеющей трёхконтактную вилку (в обиходе называют евровилкой). При однофазном питании жилого дома в дом приходит два провода (фазный и нулевой), как показано на фото выше. Для правильного и безопасного подключения бытовой техники, оборудованной евровилкой, требуется три провода, фазный (L), нулевой рабочий (N) и защитный (PE). Что и показано на фото ниже слева.
Таким образом, в случае подключения бытовой техники к двухпроводной электропроводке оборудование работать будет. Такое подключение современной бытовой техники характерно для старых многоквартирных домов. Но в этом случае возникает реальная угроза поражения электрическим током. Почему? Если посмотреть на схему подключения внутри самого устройства (стиральная машина, холодильник и т. д.), то мы увидим, что третий защитный провод (PE), идущий от вилки, подключён к корпусу оборудования. На фото справа показано подключение защитного проводника внутри сварочного аппарата (обведено белым кругом). Аналогично подключаются и прочее электрооборудование (стиральная машина, холодильник и т. д.). За счет такого подключения корпус электроприбора всегда защищён от появления на нём высокого (фазного) напряжения. Так как в случае повреждения (пробоя) изоляции и появления фазного напряжения на корпусе прибора, сработает защитный автомат (либо по току короткого замыкания, либо по току утечки) и отключит неисправный прибор. Тем самым исключается возможность поражения человека электрическим током при неисправном оборудовании.
К сожалению, на практике ситуация такова:
- Люди мирятся (либо вынуждены мириться) с возможной опасностью поражения электрическим током при использовании в доме устаревшей (двухпроводной) электрической сети.
- Начинают пытаться «решать проблему» народными методами.
Так, например, в сети Интернет высказывается идея объединить (соединить между собой) контакты проводников N и PE в розетке. Тем самым, якобы, корпус электроприборов будет занулён, и будет обеспечена безопасность жильцов. Делать этого категорически нельзя, так как вероятность поражения электрическим током существенно возрастает. Чтобы понять почему, рекомендую посмотреть мою статью «Электромонтажные работы в доме — по британскому стандарту».
Таким образом, для правильного безопасного подключения электрооборудования в доме с возможностью использования современных защитных устройств (УЗО), требуется модернизация (реконструкция) электрической сети в жилом доме.
Задачи для заземляющих систем
Главные задачи систем безопасности, работающих на принципе заземления:
- Безопасность для жизни человека, с целью защиты от поражения электрическим током. Предусматривает альтернативный путь прохождения аварийного тока, чтобы он не нанес повреждение пользователю.
- Защиты зданий, машин и оборудования в условиях сбоя электросети, чтобы открытые токопроводящие части оборудования не достигли смертельного потенциала.
- Защита от перенапряжения из-за удара молнии, который может привести к опасным высоким напряжениям в электрической распределительной системе или от непреднамеренного контакта человека с линиями высокого напряжения.
- Стабилизация напряжения. Существует много источников электроэнергии. Каждый трансформатор можно рассматривать, как отдельный источник. У них должна быть общая доступная точка сброса негативной энергии. Земля является единственной такой токопроводящей поверхностью для всех источников энергии, поэтому она была принята в качества универсального стандарта для сброса тока и напряжения. Если бы не было такой общей точки, то чрезвычайно трудно было бы обеспечить безопасность в энергосистеме в целом.
Требования к системе заземления:
- Она должна иметь альтернативный путь для протекания опасного тока.
- Отсутствие опасного потенциала на открытых токопроводящих частях оборудования.
- Должна иметь низкий импеданс, достаточный для обеспечения необходимого тока через предохранительное устройство, чтобы он отключил питание (<0,4 сек).
- Должна иметь хорошую коррозионную стойкость.
- Должна быть способной рассеивать большой ток короткого замыкания.
Системы заземления TN-C
Все линии электропередач, которые идут от трансформаторных подстанций до вводно-распределительных устройств ВРУ, в нашей стране выполняются в четырехпроводном варианте (три провода это фазы, а четвертый PEN – совмещенный нулевой проводник). Такая схема от подстанции до ВРУ условно называют TN-C.
В домах и сетях старой постройки проводник PEN не расщеплялся, а так и использовался в виде PEN. То есть, для однофазных потребителей шло всего два провода (фаза L и PEN), а для трехфазных четыре – (три фазы L1, L2, L3, PEN).
Расшифровывается TN-C так:
Т – (от латинского terra) заземленная нейтраль, означает, что нейтральный провод источника питания связан непосредственно с землей;
N – (от итальянского neutre ) обозначает что источник питания заземлен, а потребители могут заземлятся только через PEN проводник;
С – означает, что функции нулевого рабочего и нулевого защитного проводника совмещены в одном PEN (с английского combined).
Схема такой системы показана ниже:

К плюсам такой системы заземления можно отнести ее простоту и экономичность. Но минусов в ней гораздо больше. А именно, отсутствие отдельного заземляющего провода PE. В жилых домах с такой системой электропитания отсутствует заземление. При использовании TN-C применяют зануление, что является не лучшим решением.
TN-C является устаревшей. Используется она, практически, только в домах старой постройки, и ее не рекомендуют использовать при проектировании и строительстве новых домов.
Единственное повреждение изоляции
Когда в уравновешенной трехфазной системе IT возникает повреждение изоляции одного из фазных проводников, потенциал этого проводника по отношению к земле становится близким к нулю, а напряжение по отношению к
земле двух других фазных проводников возрастает в раз, становясь равным линейному напряжению. Однако, при единственном повреждении сопротивление петли, в которую включено линейное напряжение, слишком высоко, чтобы позволить току замыкания достигнуть уставки устройства защиты от сверхтока.
В табл. 1 даны значения емкости по отношению к земле для электрооборудования.
Емкость по отношению к земле электрооборудования
|
Оборудование |
Емкость на землю, нФ |
|
Персональный компьютер |
23,3 |
|
Принтер |
11,0 |
|
Стиральная машина |
5,4 |
|
Посудомоечная машина |
11,5 |
|
Микроволновая печь |
17,0 |
|
Холодильник |
1,6 |
|
Кухонный комбайн |
10,7 |
Современные установки с электрическим обогревом пола часто имеют несколько сотен метров нагревательных кабелей. Емкость на землю этих кабелей составляет 0,3 мкФ/км. Сегодня в современном коттедже емкость фазы на землю составляет несколько десятков микрофарады.
Предположим, например, что в системе с изолированной нейтралью с линейным напряжением 230 В, имеющей емкость фаза — земля 0,3 мкФ, произошло замыкание одного из фазных проводников на землю. В этом случае ток замыкания на землю будет равен
В рассматриваемом случае замыкание одной из фаз линии, питающей потребитель, будет вызывать срабатывание УЗО-Д с током уставки 30 мА. Это замыкание, вызывающее протекание тока по петле от питающего трансформатора через УЗО-Д — неповрежденные фазные проводники — емкостную проводимость этих проводников на землю — землю и далее, минуя УЗО-Д, через поврежденную изоляцию фазного проводника к питающему трансформатору. Отключение источника питания, вызванное этим повреждением, было бы нежелательным для потребителя, поскольку замыкание на землю одной из фаз питающей системы не создает каких бы то ни было проблем для потребителя, связанных с бесперебойностью питания и безопасностью.
Опыт эксплуатации системы IT в Норвегии подтвердил высказанные соображения. В частности, после установки УЗО-Д частота нежелательных отключений при однофазных замыканиях резко возросла (рис. 4).
Более того, перенапряжения, вызываемые молнией и коммутацией, могут вызывать протекание емкостных токов, амплитуды которых в несколько раз превышают токи, обусловленные рабочим напряжением системы.

Рис. 4. Разностный ток при 03 в системе IT
Классификация заземляющих устройств
Проводник заземления соединяет заземленный участок (точку) с электродом. Заземляющее устройство представляет собой комбинацию электрода и проводящего контура.
Существует две разновидности устройств такого типа, которые различаются расположением системы электродов по отношению к основному устройству: удаленные устройства или цепи, выполненные в виде контура.
Контурное заземление
Устройства для дистанционного создания защиты отличаются тем, что заземляющий электрод перемещается за границы области, где должно быть заземлено оборудование, или сосредоточено в определенных частях области. Поэтому такое оборудование также называется централизованным.
Существенным недостатком удаленного заземляющего оборудования является то, что расстояние между системой электродов и защищаемым оборудованием слишком велико, в результате чего коэффициент контакта равен единице практически во всей области защиты. Поэтому такой тип оборудования используется исключительно при небольших значениях напряжения, чаще всего в приборах до 1 кВ.
Дистанционное заземление
Кроме того, поскольку расстояние до электрода в земле велико, сопротивление цепи заземления значительно увеличивается. Это напрямую зависит от характеристик электрода, находящегося в грунте.
Преимуществом удаленного оборудования считается возможность решить, где будет располагаться электрод и выбрать место с самым малым сопротивлением (например, мокрая глина).
Удаленное заземляющее устройство может потребоваться в следующих ситуациях:
- Если по какой-либо причине заземляющий выключатель не может быть помещен в защитную зону.
- Высокая устойчивость к заземлению в данной области (например, песчаная или каменистая почва) и значительно лучшая проводимость грунта за пределами области.
- Децентрализованное размещение заземленного оборудования (например, в шахтах) и т. д.
Устройство в виде контура отличается тем, что части его заземляющего электрода размещены вдоль области и по окружности внутри нее. Как правило, электроды распределены как можно более равномерно в полевых условиях, поэтому такой тип оборудования так же имеет название распределительное.
Безопасность распределенного заземленного оборудования обеспечивается как путем снижения потенциала контура, так и путем его регулировки в защищаемой зоне до максимального контактного напряжения и ступенчатого напряжения, не превышающего допустимого значения. Это может быть достигнуто путем правильного размещения одного заземляющего провода в защищенной зоне.
Схема TN-C-S







































